- 模擬電壓緩沖器電路設計
- AB類電壓緩沖器
- DC傳輸特性
- 低功耗緩沖器
目前集成電路的電源電壓已經降低了,主要集中在功耗和可靠性問題。這種趨勢已經迫使大部分模擬基本組成部件重新設計,試圖保證它們的整體性能。在這些設計約束下。軌到軌操作在低壓設計中成為強制性的,目的是為了增大信噪比。
在這篇文章里,我介紹了一種能達到AB類特性軌到軌CMOS模擬緩沖器的電路技巧,產生了具有低功耗和高的驅動能力的方法。
以前的互補:圖1a給出了P溝道AB類差分對,當大的差分信號加到輸入端時,它能夠傳送非常大的電流。在差分對節點A處的阻抗非常低,而且它的電壓即使在的輸入信號下,也近似接近常數。因此,差分電壓V1-V2在M2上產生大的電流變化,在M3上也同樣如此。
AB類電壓緩沖器可以通過連結兩個互補差分單元而得到,如圖1c所示。毫無疑問,圖1c中的電路有兩種局限性。第一,M3P和M3N的柵源電壓可以分別迫使驅動晶體管M1P和MlN在三極管區工作,減小了可用的電壓工作范圍。這種缺陷可以通過引進電壓電平移位器來驅動M3P和M3N來克服,這將在后面解釋。第二,當輸出節點接近正向或者負向電源軌時,這種結構的輸出電壓擺幅受到限制。主要是因為P溝道和N溝道差分對分別工作在VDD和VSS受到限制的緣故。

圖1AB類差分輸入單元;對差分信號的直流傳輸特;基于兩對互補AB類差分輸入單元的低功耗緩沖器
a.AB類差分輸入單元 b.DC傳輸特性 c.低功耗緩沖器
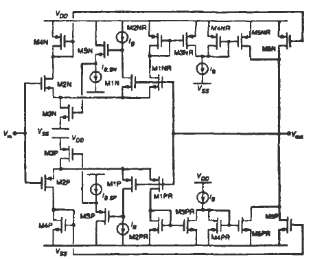
所提出的模擬緩沖器:圖2給出了晶體管級實現所提出的軌到軌MOS模擬緩沖器。這種電路是單增益級。它的輸人支路是由兩個互補的AB類差分對組成。與圖1c中電路的重要區別是,在這種情況下,輸出節點不是由輸入驅動直接驅動,而是由電流鏡M4P-M5P和M4N-M5N分別驅動。因此,M2P和M2N的共柵現在是不倒相輸入端。[page]

圖2所提出的軌到軌AB類緩沖器
在中部電源電壓區,PMOS和NMOS輸入對是有效的,而且它們的偏置電流通過電流鏡M4P--M5P和M4N--M5N鏡像到該電路的輸出端。這種結構允許NMOS輸入對驅動在電源電壓區的輸出節點接近VDD.而PMOS控制輸出端的電壓范圍接近VSS.不幸的是,在接近VDD時,P溝道輸入對截止,而且沒有電流被鏡像到輸出端的底部,關閉了緩沖器。類似的情況是VSS時.N溝道差分對不是有效的。為了這個原因,晶體管M1PR-M5PR和MlNR-M5NR已包括在圖2中,維持在整個電壓范圍內是有效的。
因此,這種緩沖器的工作過程可以這樣詳細描述如下:當輸入信號Vin,在中部電源電壓區,兩個輸入對MIP~M2P和MlN—M2N是有效的,M4P-M5P和M4N--M5N鏡像一個等于IB的電流到輸出支路。而且,電流IB的復制品通過晶體管MIPR(M1NR)和M2PR—M3PR(MlNR—M2NR)拷貝,給輸出支路底部的附加電路的電流源提供電流。因此,晶體管M4P和M5P(M4N和M5N)關斷,而且對輸出電流沒有任何貢獻。輸入信號接近VDD時,PMOS輸入對關斷,而且反相輸入支路的復制品等等都關斷。MIPR--M3PR不對輸出支路的附加電路發送任何電流。這樣的話,M4PR和M5PR導通,從輸出支路吸收等于IB的電流,維持緩沖器是導通的。當輸入信號Vin接近VSS時,類似的情況也會發生。
應當指出的是,電壓電平移位器已經包含在輸入級,目的是為了在線性區和超出輸入信號范圍到兩端電壓時,來驅動M3P和M3N,避免了M1P和M1N分別工作。因此,軌到軌操作在電路輸出端一樣,同樣能在輸入端達到。
所提出緩沖器的動態操作可以通過在電路輸入支路AB類差分對的高的驅動能力來提高。一旦遇到大的正向輸入信號,晶體管M2P截止,而M2N則吸收大量電流,通過M4N和M5N鏡像到輸出部分。相反,當大的輸入信號以負的方向施加時,晶體管M2N截止,M2P傳送大電流,通過M4P和MSP拷貝到輸出部分。
所提出緩沖器的輸入電容可以通過等比例減小晶體管M2P和M2N的尺寸。毫不疑問,必須指出的是,這些晶體管寬長比的減小會導致它們有效驅動能力的降低。除此之外,在這種電路里只有一個高阻抗的節點,它的帶寬可能非常大。然而,在輸出節點具有高輸出阻抗的單增益級結構非常適合用來驅動大的電容負載,假定低電阻負載能減小緩沖器的整體增益。,因此,它是精確的。

圖3在圖2中模擬緩沖器的直流傳輸特性





