中心議題:
- 常用LCD電視背光驅動架構對比分析
- 多燈驅動設計
- 解決LCD電視背光挑戰的方案
解決方案:
- 對燈和脈沖調光的嚴格控制
- 基於DS3984/DS3988的驅動電路方案
相關閱讀:
面向液晶電視的電磁兼容設計技術綜述
http://m.aolaiaolisita.com/art/artinfo/id/80014622
電視系統中電磁兼容元器件的選擇方法
http://m.aolaiaolisita.com/art/artinfo/id/80012367
液晶電視亮度感應自動控制的設計
http://m.aolaiaolisita.com/art/artinfo/id/80013138
LCD電視應用中可以采用多種架構產生驅動CCFL所需的交流波形,驅動多個CCFL時所要面對的三個關鍵的設計挑戰是選擇最佳的驅動架構、多燈驅動、燈頻和脈沖調光頻率控制。本文對四種常用驅動架構進行了對比分析,并提出多燈設計中解決亮度不均以及驅動頻率可能干擾畫面等問題的方法,并提出基於DS3984/DS3988的電路方案。

圖1:Royer驅動器簡單,但不太精確
液晶顯示器(LCD)正成為電視的主流顯示技術。LCD面板實際上是電子控制的光閥,需要靠背光源產生可視的影像,LCD電視通常用冷陰極螢光燈提供光源。其他背光技術,例如發光二極體也受到一定的重視,但由於成本過高限制了它的應用。
由於LCD電視是消費品,壓倒一切的設計考慮是成本─當然必須滿足最低限度的性能要求。驅動背光燈的CCFL轉換器不能明顯縮短燈的壽命。此外,由於要用高壓驅動,安全性也是一個必須考慮的因素。LCD電視應用中,驅動多個CCFL時所要面對的三個關鍵的設計挑戰是:挑選最佳的驅動架構;多燈驅動;燈頻和脈沖調光頻率的嚴格控制。

圖2:全橋驅動器很適合於大范圍的直流電源。
1 挑選最佳的驅動架構
可以用多種架構產生驅動CCFL所需的交流波形,包括Royer(自振蕩,self-oscillating)、半橋、全橋和推挽。表1詳細歸納了這四種架構各自的優缺點。
[page]
1.1 Royer架構
Royer架構(圖1)的最佳應用是在不需要嚴格控制燈頻和亮度的設計中。由於Royer架構是自振蕩設計,受元件參數偏差的影響,很難嚴格控制燈頻和燈電流,而這兩者都會直接影響燈的亮度。因此,Royer架構很少用於LCD電視,盡管它是本文所述四種架構中最廉價的。
1.2 全橋架構
全橋架構最適合於直流電源電壓非常寬的應用(圖2),這就是幾乎所有筆記本PC都采用全橋方式的原因。在筆記本中,轉換器的直流電源直接來自系統的主直流電源,其變化范圍通常在7V(低電池電壓)至21V(交流配接器)。有些全橋方案要求采用p通道MOSFET,比n通道MOSFET更貴。另外,由於固有的高導通電阻,p通道MOSFET的效率更低。
1.3 半橋架構

圖3:半橋驅動器比全橋驅動器少用兩個MOSFET
相較全橋,半橋架構最大的好處是每個通道少用了兩只MOSFET(圖3)。但是,它需要更高匝比的變壓器,這會增加變壓器的成本。還有,如同全橋架構一樣,半橋架構也可能會用到p通道MOSFET。
1.4 推挽架構
推挽驅動器有很多好處:這種架構只用到n通道MOSFET(圖4),這有利於降低成本和增加轉換器效率;它很容易適應較高的轉換器直流電源電壓;采用更高的轉換器直流電源電壓時,只需選擇具有合適的漏-源擊穿電壓的MOSFET即可。不管轉換器的直流電源電壓如何,都可采用同樣的CCFL控制器。但采用n通道MOSFET的全橋和半橋架構就無法做到這一點。
推挽架構最大的缺點是要求轉換器直流電源電壓的范圍小於2:1。否則,當直流電源電壓處於高階時,由於交流波形的高振幅因子,系統的效率會降低。這使推挽架構不適用於筆記型電腦,但對於LCD電視非常理想,因為轉換器直流電源電壓通常會穩定在±20%以內。

圖4:推挽驅動器非常簡單,還可精確控制
2 多燈驅動
CCFL已在筆記型電腦、數位相機、導航系統以及其他具有較小LCD螢幕的設備中使用多年。這些類型的設備通常只用一個CCFL,因此,傳統設計只用一個CCFL控制器。隨著大尺寸LCD面板的出現,帶來對多CCFL的需求,有必要采用新的方式來應對這種新的需求。可能的方式之一是采用一個單通道CCFL控制器來驅動多個燈(圖5)。這種方式中,CCFL控制器只透過其中的一個燈來監測燈電流,而以幾乎相同的交流波形同時驅動所有并聯的燈。然而,這種方式存在著幾個缺陷。

圖5:由於亮度不均勻以及其他的一些考慮,用一個單通道CCFL控制器控制多個燈不太理想
使顯示器不會出現明顯的亮區和暗區。用相同的波形驅動所有燈,由於燈阻抗的差異,會造成亮度不均勻。而且,CCFL的亮度隨溫度而變。由於熱氣上升,面板頂部的燈會比面板底部的燈熱,這也會造成亮度不均勻。
用一個單通道CCFL控制器驅動多個燈的第二個缺點是,單燈的失效(例如破損)會造成所有燈關閉。第三個缺點,由於是并聯驅動所有燈,同時打開和關閉這些燈,這就要求轉換器直流電源必須采用更大的電容器增強去耦效果,這會增加轉換器的成本和尺寸。
[page]
解決上述諸問題的一條途徑就是每個燈用一個單獨的CCFL控制器。然而,這種方式的主要缺點就是增加的CCFL控制器帶來了額外的成本。
為LCD面板提供背光的理想方案是多通道CCFL控制器,它的每個通道獨立驅動和監測每個燈。這種多通道CCFL控制器既解決了亮度不均勻和單燈失效問題,并降低了去耦要求,而且還具有高成本效益。

圖6:DS3984/DS3988單獨驅動和監視每個燈,為LCD電視和PC監視器提供均勻亮度
3 對燈和脈沖調光的嚴格控制
由於LCD電視需要顯示動態且連續行動的畫面,它有一些在靜態顯示應用(例如電腦監視器和筆記型電腦)中所沒有的特殊要求。CCFL的驅動頻率可能會干擾LCD螢幕上顯示的畫面。如果燈頻接近視訊刷新頻率的某個倍頻,就會在螢幕上出現緩慢行動的線或帶。通過嚴格控制燈頻在±5%以內,可以消除這種問題。
用於調節燈亮度的脈沖調光頻率也要求同樣的嚴格控制。這種調光方式通常是采用30Hz至200Hz頻率范圍的脈寬調變(PWM)訊號,在短時間內將燈關閉,達到調光目的。由於關閉時間很短,不足以使電離態消失。如果脈沖調光頻率接近垂直同步頻率的倍頻,也會產生滾動線。同樣,將脈沖調光頻率嚴格控制在±5%以內就可以消除這個問題。另外,在有些LCD電視中,為了改善LCD螢幕的影像響應,還要求緩慢的CCFL脈沖調光頻率與視訊垂直同步頻率同步起來。

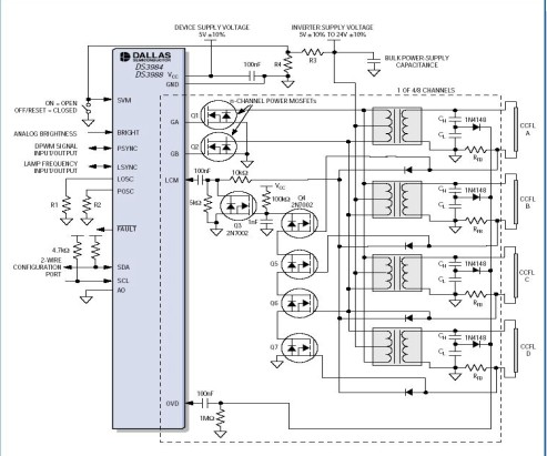
圖7:DS3984/DS3988的每個通道也可驅動多個燈
4 解決LCD電視背光挑戰的方案
DS3984(四通道)和DS3988(八通道)CCFL控制器解決了本文所提到的所有這些設計挑戰??蓪⑦@些元件配置為每個通道驅動一個燈(圖6),或者每通道多個燈(圖7),用戶可靈活裁減設計,以滿足自己的性價比目標。多個DS3984/DS3988可輕松串聯,以支援任意數量的燈來為LCD電視螢幕提供背光。
DS3984/DS3988采用推挽驅動架構,可以使用更低成本、更高效率的n通道MOSFET。轉換器直流電源電壓也可采用更高的電壓。單獨的燈控制和監測可提供均勻的亮度,并減少轉換器的元件總數。采用單獨的燈控制時,如果某一個燈失效,僅會使這個失效的燈停止工作,其他燈繼續工作,并不會受影響。片上振蕩器產生的燈頻和脈沖調光頻率被嚴格限定在±5%水準,消除了對於顯示影像的影響,并且也可被同步至外部時脈源。




