【導讀】隨著越來越多的房主希望改造智能鎖(或電子鎖)出現在他們的建筑物中,無線電池供電的智能鎖在今天的市場里越來越受歡迎。在智能鎖定應用中,大電流電機和無線電通常很快耗盡電池,導致電池壽命受到影響。而更換多個電池可能是一個及時而昂貴的問題,因此降低平均電流消耗是一個關鍵的設計考慮因素
大聯大控股宣布,其旗下世平推出基于德州儀器(TI)產品的超低功耗智能門鎖解決方案。
隨著越來越多的房主希望改造智能鎖(或電子鎖)出現在他們的建筑物中,無線電池供電的智能鎖在今天的市場里越來越受歡迎。在智能鎖定應用中,大電流電機和無線電通常很快耗盡電池,導致電池壽命受到影響。而更換多個電池可能是一個及時而昂貴的問題,因此降低平均電流消耗是一個關鍵的設計考慮因素。
大聯大世平代理的TI產品的智能門鎖解決方案由超低功耗無線MCU、電機驅動器DRV8833和9通道LED驅動器LP55231,以及超低IQ降壓轉換器TPS62745等組成。該方案由TI啟用輕負載效率的DC/DC轉換器,SimpleLink™超低功率無線MCU平臺集成電機驅動器和RGB LED驅動器。其可憑借一個輕載高效的電源拓撲結構,再根據低待機電流和長時間的關斷狀態來延長電池壽命。這個解決方案為系統設計人員提供了一個實現低功耗智能門鎖設計,可用于電子鎖、門鍵盤、閱讀器、無線自動百葉窗和HVAC阻尼器、執行器等。它選擇電池供電,主要的考慮是電池平臺的容量和普及,且AA電池比AAA電池有更大的容量。

圖示1-大聯大世平代理的TI產品的低功耗智能門鎖解決方案系統方塊圖
產品特性:
•4節AA串聯電池,具有5年以上的電池壽命;
•每天24次上鎖或解鎖活動;
•BLE無線電連接周期;
•電機驅動器具有集成型FET和電流感應比較器,可采用最少的分立式組件實現輕松的設計和較小的解決方案尺寸;
•基于電壓的電池電量監測計,集成型直流/直流轉換器;
•采用第三方BLE iOS和Android應用通過BLE測試;
•最多4秒的可配置廣告間隔。
產品敘述:
電源技術:大聯大世平代理的TI產品的智能門鎖解決方案有三種主要的功率拓撲:低壓差(LDO)穩壓器,降壓轉換器(也稱為降壓)和升壓(見下圖)。LDO和降壓降低電壓產生的低電壓電源軌來運行MCU,更高的電壓組件運行在更高的電池上電壓。增強是事件相關的,因為每個鎖定和解鎖事件都必須提高電壓從3V到5V,用于電機和LED的操作。選擇降壓配置是因為LDO具有接地漏電流,而降壓具有零接地漏電流,因此效率更高。選擇TPS62745降壓轉換器是因為它為低功耗提供了額外的好處設計。該TPS設備具有允許用戶選擇輸出電壓的選擇線,因此無需反饋電阻。由于沒有,物料清單的成本可以稍微降低反饋電阻。TPS62745可以動態地啟用或禁用電池電壓檢查使用一個使能引腳和外部電阻分壓器。由于電壓,能量是守恒的分頻器只有在需要電池電壓檢查時才能使用。其余的時間分配器電路不使用能量,沒有連接。TPS62745在極輕的負載下也是有效的,它是在10μA時效率達到85%。

圖示2-大聯大世平代理的TI產品的智能門鎖解決方案三種主要的功率拓撲
MCU帶集成藍牙®低功耗無線電:采用TI的SimpleLink超低功耗無線MCU平臺,具有低功耗無線電和MCU組合使傳感器終端節點的電池使用壽命延長。而且,CC2650設備是一個多標準設備,針對藍牙、ZigBee®、6LoWPAN和ZigBeeRF4CE遙控器應用。在這個TI設計中,藍牙是可選擇的協議,但是硬件也可以與其他協議一起工作。
電機驅動器:驅動電流、電源電壓范圍、負載電機類型和安全關閉功能都是選擇電機驅動器時的因素。DRV8833可以驅動多種類型的電機和感性負載,峰值電流為2A,電源電壓范圍為2.7V至10.8V,非常適合使用四節AA電池。標稱驅動電壓電池的電壓是5V。
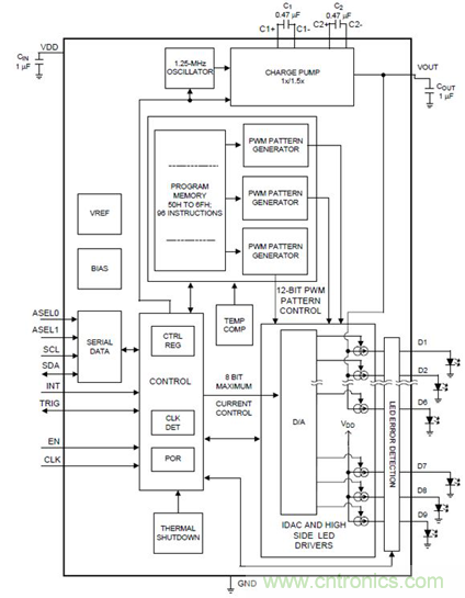
用戶界面:電路板上的用戶界面必須簡單、低功耗,精確到足以顯示所有必要的信息知道設備在做什么。六個RGB LED以圓形排列被選擇為允許不同的圖案和顏色來向用戶傳達正在發生的事情。該LP55231是一個9通道LED驅動器,其中兩個通道可以實現前面討論過的6 RGB LED的實現。其還包括高效LED驅動器和一個電荷泵(高達94%),200nA待機電流,自動省電模式,可編程LED模式以及小型封裝尺寸(4mm×4mm)。由于這個參考設計實現了兩個LED驅動器,選擇LP55231是因為它允許簡單的同步觸發輸入。
產品功能:
CC2640:帶有超低功耗無線MCU(32位)的2.4GHz低功耗藍牙ARM®Cortex®-M3處理器。

圖示3-大聯大世平代理的TI CC2640解決方案
DRV8833:具有電機電流控制和低RDSon 360的雙H橋電機驅動器毫歐。

圖示4-大聯大世平代理的TI DRV8833方框圖
LP55231:九通道LED驅動器,旨在為移動設備提供照明效果設備。
圖示5-大聯大世平代理的TI LP55231方框圖
TPS62745:超低IQ降壓轉換器,具有16個可選輸出電壓(1.8V至5.5V)負載電流≥15μA時為3.3V,效率為90%。
圖示6-大聯大世平代理的TI TPS62745方框圖

圖示7-大聯大世平代理TI低功耗智能門鎖參考設計
應用:
•門鍵盤和閱讀器;
•電子智能鎖;
•HVAC閥門和制動器控制;
•煙霧和溫度探測器;
•電動百葉窗。




