【導讀】在某些時候,作為學生或工程師,您可能需要在試驗板上對電路進行試驗來驗證其性能或是否適用于項目。如果是學生項目,您的試驗板實際上可能是最終系統。幸運的是,您可以使用現代無焊技術構建試驗板,這些試驗板通常足夠堅固,能夠用于大多數學生項目。
除構建項目電路之外,試驗板還經常用于驗證電路性能。雖然SPICE仿真是出色的工具(參見httpswiki.analog.comuniversitycourseselectronicscircuitsimulationnotes),但它們有其自身的局限性,通常至少有一部分關鍵電路(通常是模擬部分)需要用試驗板來驗證。另一方面,試驗板也有其自身限制,因此您需要閱讀下面的試驗板試驗注意事項部分。
試驗板與原型
盡管試驗板和原型這兩個術語經常可以互換,但是原型通常還表示在某類印刷電路板上使用銅走線進行互連的焊接連接。另一方面,無焊試驗板(后文將更詳細介紹)的連接并不是固定的,而且試驗板可以重復使用來構建不同的電路。
我們開發出了多種技術用于在印刷電路板上構建硬連線原型電路;教程MT-1001以及Jim Williams應用筆記AN472 對其中的一部分技術進行了描述。但作為學生,您可能會發現這種方法太耗時而且費力,無焊試驗板是更為實用的解決方案。
使用無焊試驗板進行的集成電路試驗
現代電子電路的制造方式是自動放置表面貼裝元件以及將焊料回流到密集的多層印刷電路板上,這就增加了試驗板試驗或原型制作的難度。因此,許多工程師發現實際上在CAD系統上進行電路板布局并為第一批原型裝配少量的電路板更高效。
但作為學生,您可能無法接觸或使用CAD系統和印刷電路板裝配工廠,也不具備相應的財力。您甚至可能無法接觸焊鐵站以及小型電子元件需要使用的其他工具和機械,因此您需要另一種可靠方法來構建原型。
無焊試驗板能為實驗或項目的電路原型制作提供寶貴幫助。這類試驗板可隨時從Digi-Key Electronics以及亞馬遜等分銷商處獲得。我們首先在互聯網上搜索無焊試驗板。互聯網上提供了大量無焊試驗板,而且許多的價格都很公道。
圖1是典型無焊試驗板的俯視圖。這些孔的設計是為了在0.1英寸的中心上容納標準IC引腳。圖2為試驗板的內部視圖,顯示了引腳之間連接的細節。試驗板的中心部分分為兩排,由多個垂直列組成,每一列有五個引腳連接在一起。試驗板頂部和底部水平連接的兩排形成了便捷的總線,可用于供電電壓和接地連接。

圖1. 無焊試驗板俯視圖。

圖2. 無焊試驗板內部連接的排列情況。
采用標準的雙列直插式封裝(DIP)的集成電路水平放置在試驗板的 中心區域,如圖3所示。

圖3. 采用帶引線元件和雙列直插式封裝的有線無焊試驗板。
電阻器和電容器等元件的引線插入孔中。每組五個孔通過下面的金屬條連接形成一個節點。節點是電路中兩個或多個元件連接的點。可通過將元件引線插入共同節點來實現元件之間的連接。試驗板頂部和底部用紅色和藍色條紋表示的一長排孔用于電源連接。插入元件并用跳線連接在一起便可構建電路的其余部分。此類試驗板最好搭配使用實芯線而不是多股絞合線。為方便起見,還提供配有插入式引腳的跳線。
您還應該配備以下幾種簡單的手動工具:
● 一把小鋼絲鉗,通常也稱為對角切割器,可根據長度要求切 割電線和元件
● 一把小尖嘴鉗,用于彎曲電線和引線并形成所需形狀
● 一把剝線器,用于去除跳線末端的絕緣部分
● 一把小螺絲刀,用于調節電位器等
使用IC
無焊試驗板專為采用DIP封裝的IC而設計。雖然一些IC采用DIP和表貼兩種封裝,但許多僅提供表貼封裝版本。因此幾乎不可能對這些IC進行試驗板試驗。作為一種解決方案的表貼部件可以安裝在適配器或分線板上,如圖4所示,它們具有DIP兼容引腳。

圖4. 用于表貼器件的DIP兼容分線板。
ADI公司的ADALP2000部件套件提供了許多常用的DIP分線板表貼IC。 如果預裝的分線板不可用,您將不得不使用空白的分線板并自行將表貼元件焊接到該分線板上。Aries Electronics, Inc.等電子元件制造商還提供表貼轉DIP分線板(搜索DIP分線板)。
試驗板試驗注意事項:小心使用寄生元件(電阻、電感和電容)
與試驗板相關的引腳、插槽和跳線增加了可能導致精密直流應用以及高速電路性能下降的寄生電阻、電感和電容。由于試驗板沒有接地或電源層,您必須依靠難以去耦且具有寄生阻抗的接地和電源總線。因此,必須在試驗板中實現每個IC的電源和接地引腳之間的正確去耦。3沒有接地層,不可能保持RF電路中所需的受控阻抗。
如果您堅持使用ADALP2000部件套件中的器件,則可能不會遇到帶寬小于1 MHz的模擬電路問題。不過,還是建議對試驗板進行完整性檢查,即用示波器探測電路中的幾個點,確保沒有振蕩現象(構建振蕩器時才會發生此情況)。
數字電路的試驗板試驗
到目前為止,我們一直在討論模擬電路的試驗板試驗。但由于邊沿速度極快,數字電路面臨著巨大挑戰。即使您能夠以小于1 MHz的時鐘速率運行數字電路,邏輯轉換邊沿的上升和下降時間也可能少于1 ns。沒有受控的連接阻抗,這些快速邊沿可以產生單位為GHz的頻率。寄生效應造成的響鈴振蕩可能會導致誤觸發和其他影響,使數字電路變得不可靠或無用。
如何入門
與其他技能一樣,在您實際需要使用之前,最好實踐一下(假設您的項目一周后開始)。您可以構建簡單的電路來獲得無焊試驗板的實踐經驗。首先訪問以下網址,在ADI公司電子I期和II期課程提供的實驗室活動中構建一些模擬電路:
大部分簡單電路可以采用ADALP2000部件套件中的器件構成。該套件包括各種晶體管、LED、電阻器、電位器、電容器、二極管、電感器和傳感器。它還包括各種有用的IC以及運算放大器、比較器和調節器。此外,還有一個無焊試驗板,并且該套件隨附各種帶引腳端的跳線。如需獲取ADALP2000套件的完整器件列表,請訪問:httpwww.analog.comcneducation.html.
關于試驗板試驗還有很多知識,我們剛才只是介紹了基礎知識。學習這項技能的最好辦法就是親身實踐并從錯誤中學習。祝您好運并樂在其中。
提醒和測驗問題
如果您錯過了上一期《模擬對話》中學子專區的第一篇文章,建議您點擊此鏈接查看。
請記得注冊一個myAnalog和EngineerZone帳戶,以便訪問資源并加入學生討論。請讓我們知道您想要討論的主題。
下方是本次的測驗問題。完成后,您可以在EngineerZone 上的學子專區社區查看答案:

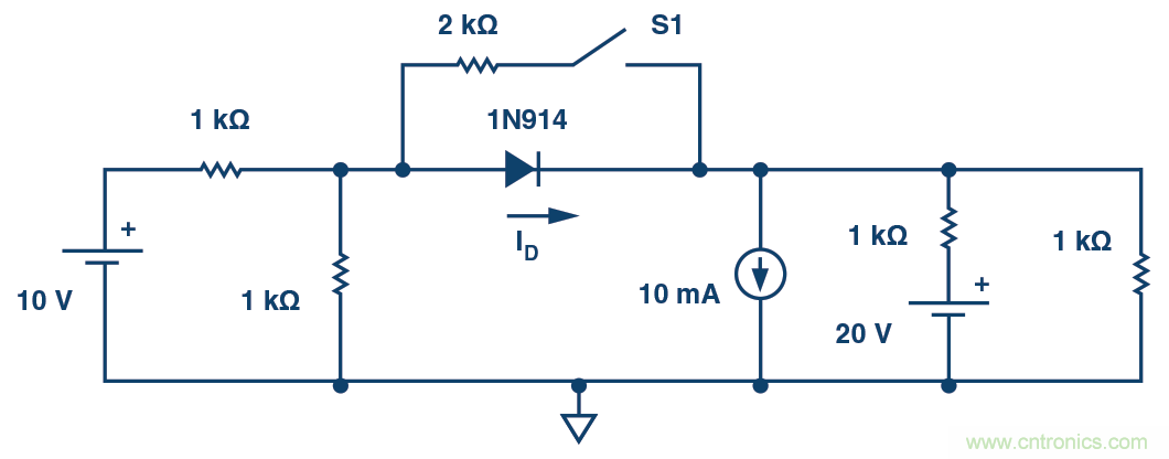
圖5. 測驗問題:計算以下兩種條件下的二極管電流ID:S1打開和S1閉合。您可以訪問httpswww.fairchildsemi.comdatasheets1N1N914.pdf在1N914數據手冊中找到二極管V-I曲線。
試驗板的起源
試驗板這個術語起源于20世紀20年代初的真空管時代。那時候人們將真空管插入插槽。插槽和其他大型元件隨后被擰入用來搟面的木板或釘在該木板上。這些試驗板在當時是元件的理想安裝平臺,最終也成了該技術的名稱。通過在真空管插槽上相應引腳之間焊線來實現互連。由重銅線制成的電源和接地總線被釘到或擰到木板上。早期的試驗板經常將額外的釘子用作可包覆和焊接電線的連接點。端子板也用于互連點。
圖A顯示了1923年使用原始試驗板構造技術的無線電,它的制造商是位于密歇根州梅諾米尼市的Signal ElectricManufacturing公司。

圖A. 早期使用木制試驗板技術構建的無線電接收器。需要注意的是,真空管板電壓可以高達300 V dc,因此在施加電源后必須小心謹慎。
隨著真空管變小和頻率增加,鋁制底盤盒經常用于電路的試驗板試驗。在底盤中穿孔用于安裝真空管插槽,端子板允許電路的點對點布線,如圖B所示。這種技術減小了電路尺寸,而鋁制底盤提供了高頻電路經常需要的低阻抗接地層。

圖B. 采用鋁制底盤構造的三管無線電試驗板的俯視圖和底視圖,顯示用于互連點的真空管插槽和端子板。4
由于20世紀50年代引入了晶體管,20世紀60年代引入了集成電路,元件尺寸得以大幅降低,從而使本專欄中描述的更適合電路原型制作的其他構造技術應運而生(另請參見MT-100和Jim Williams的應用筆記 AN47),但試驗板這一術語仍然是常用的描述。
參考電路
1 教程MT-100,試驗板試驗和原型制作技術. 。ADI公司.
2 Jim Williams. 應用筆記AN47,高速放大器技術。Linear Technology Corporation,1991年8月Jim于2011年離世,他是一位傳奇的電路設計師、應用工程師以及高性能模擬電路原型構建專家。本應用筆記列出了Jim的許多高速原型構建技術示例。
3 教程MT-101,去耦技術。ADI公司
4Max Robinson。真空管研究之樂趣。請務必閱讀EE Web上Max鼓舞人心的文章,網址為httpwww.eeweb.comspotlightinterview-withmax-robinson.
免責聲明:本文為轉載文章,轉載此文目的在于傳遞更多信息,版權歸原作者所有。本文所用視頻、圖片、文字如涉及作品版權問題,請聯系小編進行處理。
推薦閱讀:




