中心議題:
- 無線傳感器網絡節點系統概述
- 無線傳感器網絡節點硬件設計
- 無線傳感器網絡節點設計認證
本文設計了一種具有質量輕、體積小、低成本、低能耗的無線傳感器網絡節點。該節點由MSP430單片機、CC2420射頻收發器、FT232BM轉換芯片、SHT11溫度濕度傳感器、外圍芯片、電源電路以及JTAG調試接口組成。通過JTAG調試,以及安裝TinyOS操作系統,節點較好地實現了數據采集、無線傳輸以及無線網絡功能。
無線傳感器網絡是信息技術發展到一定階段后出現的一種聚合傳感器、嵌入式、現代網絡以及無線通信、分布式信息處理等多種綜合性的技術。傳感器網絡能夠廣泛用于軍事、環境監測和預報、健康護理、智能家居、建筑物狀態監控、復雜機械控制、城市交通、空間探索、大型車間和倉庫管理,以及機場、大型工業園區的安全監測等領域。文中設計了一種無線傳感器節點,硬件設計基于Moteiv方案,采用超低功耗單片機MSP430F1611作為數據處理芯片,以CC2420無線射頻芯片作為收發芯片,并擁有JTAG以及其他擴展接口。通過硬件測試以及軟件調試該節點符合設計指標。
1 系統概述
無線傳感器網絡由大量無線傳感器節點組成,每個節點由傳感器采集數據,數據處理芯片負責接收和處理傳感器采集到的數據,通過無線射頻芯片進行數據的無線傳輸與接收以及無線組網功能。USB接口可以作為電源以及編程接口,一線硅序列號可作為節點的唯一標識,Fla sh芯片用于存儲數據,JTAG口用于調試與編程。

圖1 系統框圖
2 硬件設計
節點主要由6部分組成:電源單元、無線射頻模塊、傳感器模塊、USB通信模塊和微處理器。
2.1 電源單元
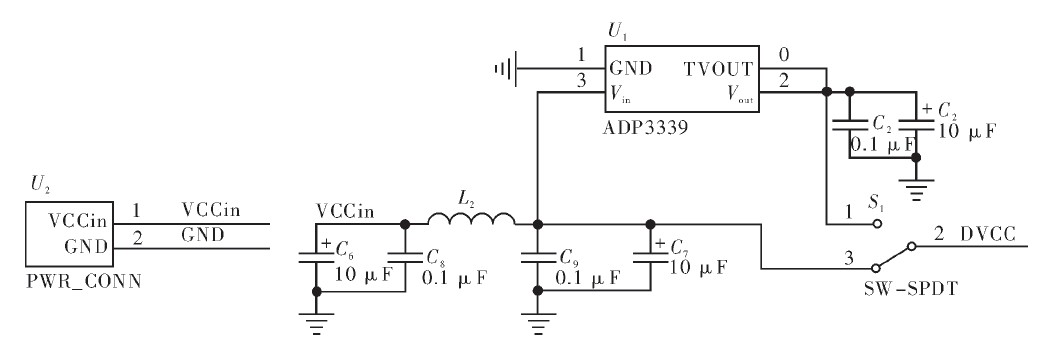
傳感器節點體積微小,通常攜帶能量有限的電池。能量供應模塊在無線傳感器節點中至關重要,為傳感器節點各部分提供能量。需要長時間數據采集的傳感器有的需要太陽能等方式來維持節點的正常運轉。節點的各部分也需要精心設計。節點微處理器的工作電壓為1.8~3.6 V,無線射頻芯片工作電壓為2.1~3.6 V,Flash供電電壓為2.7~3.6 V,USB轉換芯片由USB供電。因此電源可以選用3 V紐扣電池供電,有效減少了節點的大小。另外USB也可以作為供電源,同時作為編程電源,電源單元如圖2所示。LC濾波單元對交流電具有較好的濾波效果,同時又不會降低直流輸出電壓。低壓差的穩壓器ADP3339保證了電源較好的穩壓性。

圖2 電源單元
[page]
2.2 無線射頻模塊
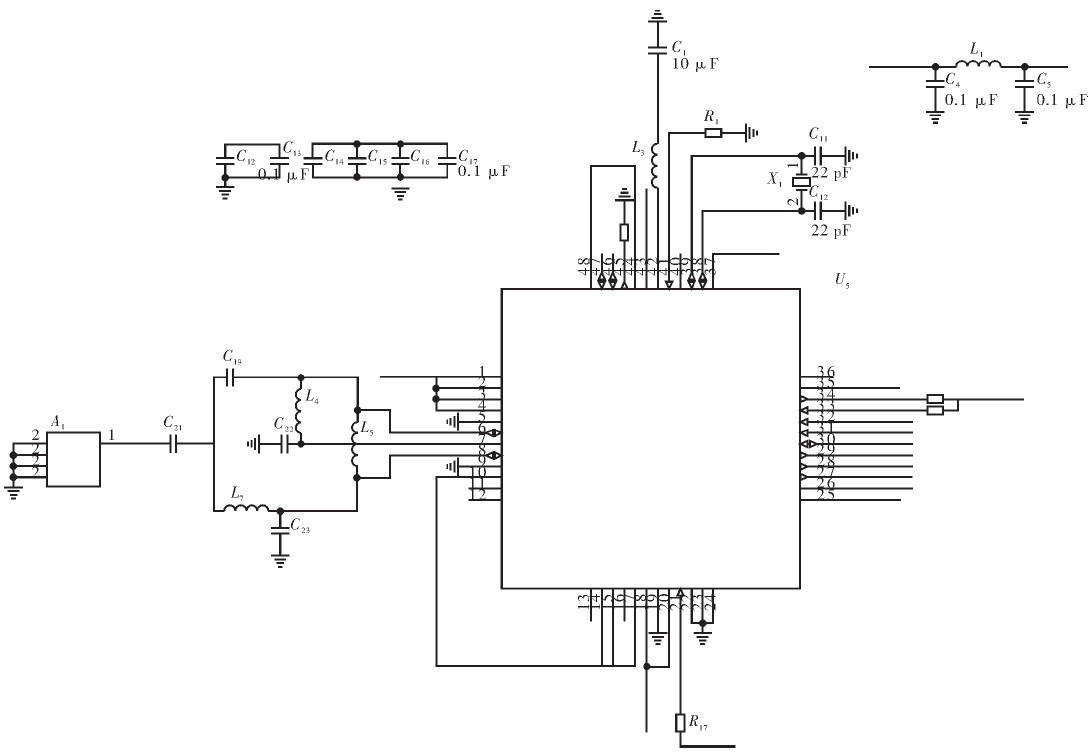
節點中的無線收發機,采用Chipcon公司推出的一款兼容2.4GHz IEEE 802.15.4的無線收發芯片CC2420.它基于Chipeon公司的Smart RF03技術,使用0.18μm CMOS工藝生產,具有較高的集成度。該芯片體積小、功耗低,具有完全集成的壓控振蕩器,只需天線、16 MHz晶體等少量外圍電路就能在2.4GHz頻段上工作。CC2420采用O-QPSK調制方式;超低電流消耗,接收靈敏度可達到-94dBm,抗鄰道干擾能力強,其選擇性和敏感性指數超過了IEEE 802.15.4標準的要求,可確保短距離通信的有效性和可靠性。利用此芯片開發的無線通信設備支持數據傳輸速率高達250 kbit·s-1,可實現多點對多點的快速組網。

圖3 無線射頻模塊
圖3中無線射頻模塊的外圍電路采用CC2420手冊提供的典型應用電路的器件數值,這樣保證了芯片能工作在正常狀態。另外為達到最優性能,必須使用電源去耦,去耦電容和電源過濾的設置和大小對于在應用中獲得最優性能起著關鍵作用,TI提供一個緊湊的參考設計,必須嚴格按照該設計進行。同時增加數字、模擬電源采用電容濾波。CC2420需要一個16 MHz的參考時鐘用于傳輸速率為250 kbit·s-1的數據收發,參考時鐘可以來自外部時鐘源,也可以由內部晶體振蕩器產生,這里采用內部晶體振蕩器產生的方式。天線阻抗匹配至關重要,為獲得較好的發射功率,在原有基礎上對部分電容、電感進行了適當的調整。CC2420與微控制器的通信通過4線SPI總線實現(SI、SO、SCLK、CSn),通過控制FIFO和FIFOP管腳接口狀態可以使芯片工作在發射或接收模式,另外CCA用于空閑信道評估,SFD用于控制時鐘或定時信息的輸入。
2.3 傳感器模塊
傳感器是無線傳感器節點的數據采集單元,可以根據實際需要選用不同的傳感器,節點采用溫度、濕度傳感器SHT11.SHT11是一款將溫度、濕度傳感器、信號放大調理器、A/D轉換器和總線接口集成于一個芯片上的單片全校準數據輸出傳感器,它可以直接提供溫度在-40~120℃范圍內且分辨率為14 bit的數字輸出和濕度在0~100%RH范圍內且分辨率為12 bit的數字輸出。傳感器及外圍模塊如圖4所示。

圖4 傳感器模塊
SHT11電源供電要求為2.4~5.5V,電源和時鐘信號均由微處理器提供,數據線管腳三態輸出,因此需要外界一個上拉電阻將信號拉高。
[page]
2.4 USB通信模塊
無線傳感器網絡由大量節點組成,這些節點按一定協議將采集的數據進行融合、傳輸,最終將數據傳送到個人電腦上進行處理和觀察,同時節點工作需要將特定的程序寫入Flash中。目前個人電腦最常用的接口為USB,而微處理器使用USART接口,為實現兩種接口之間轉換,節點使用FT232BM芯片作為轉換芯片。FT232BM是一種單片USB到異步串口轉換芯片,支持全握手和調制解調接口信號,在TTL級數據傳輸速度范圍為300 bit·s-1~3 Mbit·s-1.芯片通過USB總線供電,工作電壓為4.35~5.25 V,采用外部6 MHz時鐘。USB PID、序列號和產品信息可以保存在外部EEPROM中。USB通信模塊接口如圖5所示。

圖5 USB通信模塊
2.5 微處理器模塊
微處理器是無線傳感器節點的核心,傳感器數據的數據處理,串行口以及無線模塊的傳輸與控制均需要微處理器的參與。節點微處理器TI公司的16為超低功耗MSP430F1611.該微處理器工作電壓為1.8~3.6 V,在RAM數據保持方式下耗電僅為0.2μA,在激活工作1 MHz的情況下為330μA,可以工作在5中低功耗模式,喚醒時間<6μm.Flash大小為48 kB,RAM大小為10 kB.芯片內部有16位定時器Timer_A和Timer_B具有捕獲/比較功能;大量的捕獲/比較寄存器可用于事件計數、時序發生等;多功能串口(USART)可以實現異步、同步和I2C串行通信,可以方便地實現多級通信的應用;具有較多的I/O端口,最多達6×8條I/O口線,P1、P2口還可以接收外部上升或下降沿的中斷輸入;12位A/D轉換器有較高的轉換速率,最高可達200 kbit·s-1,能滿足大多數數據采集的應用。微處理器模塊如圖6所示。溫度濕度傳感器連接P1口5、6、7管腳,無線模塊SPI接在P3口1、2、3和P4.4管腳,USB通信模塊數據線連接到P3口6、7管腳。其他管腳分別用于控制和擴展接口。外部晶振大小為32MHz。

圖6 微處理器模塊
[page]
2.6 電路板設計
電路板根據不同的標準有不同的分類,在設計中大多數根據板的數目分類,在電氣連接關系復雜的電路板設計中,雙面板難以滿足電路布線的要求,這時就必須考慮使用多層板。本節點采用4層板,頂層主要是USB模塊和無線模塊,底層為微處理器模塊,內部層為電源層和地層。設計結果如圖7所示。

圖7 節點PCB布局
節點實物如圖8所示。

圖8 節點實物圖
[page]
3 設計驗證
3.1 無線模塊驗證
為對設計的節點功能進行驗證,首先使用IAR集成開發環境編寫CC2420的測試程序,通過JTAG將程序燒入Flash,經過檢測,射頻部分較好地滿足了預期。芯片工作頻帶范圍為2.4~2.48 GHz,發射功率為0 dBm.經過頻譜儀和頻率計驗證設計符合要求,驗證結果如圖9所示。

圖9 射頻模塊驗證
3.2 傳感器和USB轉換模塊驗證
TinyOS是UC Berkeley開發的開放源代碼操作系統,專為嵌入式無線傳感器設計,操作系統基于構件的架構使得快速更新成為可能,而這又減小了受傳感器網絡存儲器限制的代碼長度。TinyOS的構件包括網絡協議、分布式服務器、傳感器驅動及數據識別工具。其良好的電源管理源于事件驅動執行模型,該模型也允許時序安排具有靈活性。因此對于整個無線傳感器網絡的驗證采用TinyOS操作系統,設計為兩個節點,節點A負責采集溫度濕度數據,然后將采集到的數據發送到另一個節點B,節點B接收到數據后,通過USB將數據傳輸到個人電腦,并將該數據通過圖表顯示,如圖10所示。

圖10 傳感器數據
4 結束語
文中所設計的一種無線傳感器節點,硬件設計基于Moteiv方案,采用超低功耗單片機MSP430F1611作為數據處理芯片,以CC2420無線射頻芯片為收發芯片,并擁有JTAG以及其他擴展接回,通過硬件測式以及軟件調成該節點符合設計指標。





