【導讀】本文檔介紹了 NXP NX3L2G66 評估板,該評估板演示了信號的無損切換。該評估板用于評估 NX3L2G66,一款低歐姆雙路單刀單擲 (SPST) 模擬開關。它可在 1.4V 至 4.3V 的寬電源電壓范圍內工作,具有通常為 0.5Ω 的低導通電阻,以實現設計靈活性。它具有高電流處理能力、耐過壓控制輸入、高關斷隔離和出色的 ESD 性能。
本文檔介紹了 NXP NX3L2G66 評估板,該評估板演示了信號的無損切換。該評估板用于評估 NX3L2G66,一款低歐姆雙路單刀單擲 (SPST) 模擬開關。它可在 1.4V 至 4.3V 的寬電源電壓范圍內工作,具有通常為 0.5Ω 的低導通電阻,以實現設計靈活性。它具有高電流處理能力、耐過壓控制輸入、高關斷隔離和出色的 ESD 性能。
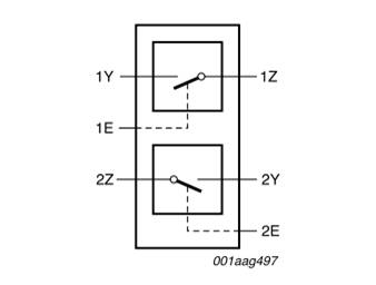
NXP NX3L2G66 中的每個開關都有兩個 I/O 端子(nY 和 nZ)和一個高電平有效使能輸入 (nE)。當引腳 nE 為低電平時,模擬開關關閉。使能輸入 (nE) 處的施密特觸發器動作使電路能夠在整個 VCC 范圍(1.4V 至 4.3V)內承受較慢的輸入上升和下降時間。NX3L2G66 允許幅度高達 VCC 的信號從 nY 傳輸到 nZ 或從 nZ 傳輸到 nY。低導通電阻 (0.5 Ω) 和平坦度 (0.13 Ω) 確保傳輸信號的衰減和失真。

圖 1 功能框圖

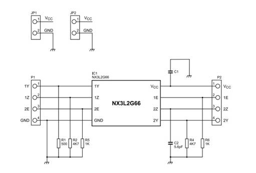
圖2 演示板電路原理圖
該板可使用 1.4 V 至 4.3 V 的電源電壓。0 V 至 Vcc 范圍內的信號可以連接到 nZ 引腳并切換到 nY 引腳,反之亦然,且損耗。在 50 Ω 負載下,兩個通道的輸入頻率可高達 60 MHz。默認情況下,為了避免使能引腳浮動,在 1E、2E 線和 GND 之間連接 1 kΩ 下拉電阻,并且兩個開關均關閉/打開。為了打開開關(閉合觸點),需要將邏輯高電平信號連接到相關的啟用引腳。帶有 VCC 和 GND 引腳的附加連接器(JP1 和 JP2)可以輕松將示波器探頭的啟用引腳和 GND 引線連接到電路板。此外,為了測試電阻性和電容性負載下輸出上升和下降時間的變化,該板支持 R1 = 500 Ω、R2 = R4= 4.7 kΩ 的負載。
免責聲明:本文為轉載文章,轉載此文目的在于傳遞更多信息,版權歸原作者所有。本文所用視頻、圖片、文字如涉及作品版權問題,請聯系小編進行處理。
推薦閱讀:



