【導讀】在現代工業自動化、能效監測、智能儀表等應用領域中,通信接口如RS-485、RS-232、CAN等芯片被廣泛應用于實現設備間的高效數據交換。然而,這些接口產品經常工作在電磁兼容性(EMC)挑戰極為嚴峻的環境中。生產和應用環境中的瞬態沖擊,不僅可能導致通信信號失真和數據傳輸錯誤,還可能損壞通信接口芯片,導致整個系統的失效。TVS和TSS作為典型的電路保護器件,能夠為通信芯片提供必要的保護。本文將探討如何選擇適合的TVS和TSS器件,為系統設計提供可靠的解決方案。
一、引言
在現代工業自動化、能效監測、智能儀表等應用領域中,通信接口如RS-485、RS-232、CAN等芯片被廣泛應用于實現設備間的高效數據交換。然而,這些接口產品經常工作在電磁兼容性(EMC)挑戰極為嚴峻的環境中。生產和應用環境中的瞬態沖擊,不僅可能導致通信信號失真和數據傳輸錯誤,還可能損壞通信接口芯片,導致整個系統的失效。TVS和TSS作為典型的電路保護器件,能夠為通信芯片提供必要的保護。本文將探討如何選擇適合的TVS和TSS器件,為系統設計提供可靠的解決方案。
二、TVS和TSS的對比
在電子設備的生產過程和終端客戶應用中,保護接口芯片免受各種電過應力事件的影響是一個不可忽視的問題。TVS/TSS保護管常用于上述用途,因為它們可以通過生成低阻抗電流路徑來鉗制電壓尖峰。
圖1 TVS TSS對沖擊波形的抑制作用對比
TVS管跟TSS管二者的封裝類型是類似的,但是二者的吸收效果卻有一定的差異。TVS管,全稱瞬態電壓抑制二極管;TSS是電壓開關型瞬態抑制二極管,或者叫做半導體放電管。從名稱上可以直觀地看出二者的抗干擾能力區別, 吸收效果可以通過圖1來簡單地理解,TVS的殘壓非常穩定,對瞬態沖擊可以起到更好的抑制作用,TSS存在尖峰脈沖。
TVS TSS的關鍵參數
TVS
TSS
以智能電表應用為例,上述為智能電表中RS-485芯片常用的TVS和TSS保護器件,在進行選型的時候,需要特別關注的指標如下:
Vrwm/Vdrm
TVS的Vrwm和TSS的Vdrm要高于芯片的工作電壓,才能確保沒有沖擊時,不會影響芯片的正常通訊。
VC/VS
TVS的VC(鉗位電壓)相對較低,以SMB6.8CA為例,在10.8V;
TSS的VS(轉折電壓)從最初的25V降至12-15V,但是多次重復測試,尖峰殘壓值不穩定。
結電容
低壓TVS的結電容在nF量級,TSS為幾十pF,更適用于高速應用的場景,特別是國網電表提速后,以前使用的防護器件無法滿足新的應用要求,表廠通常選擇VC更高的TVS以減小結電容,或者更換為TSS。
響應時間
TVS/TSS的規格書通常對此不做標注,可以根據快速瞬變信號的殘壓信號作對比測試,或者采用VF-TLP設備測試峰值電壓的波形,同等規格的TVS的響應時間通常優于TSS。
額定功率Pppm
TVS/TSS產品的額定瞬態功率應大于電路中可能出現的最大瞬態浪涌功率。
三、應用實例
TVS/TSS方案是最基本的防護方案,為了適應不同的應用場景以及不同的接口芯片,我們給出幾個應用實例。
單端總線的應用實例
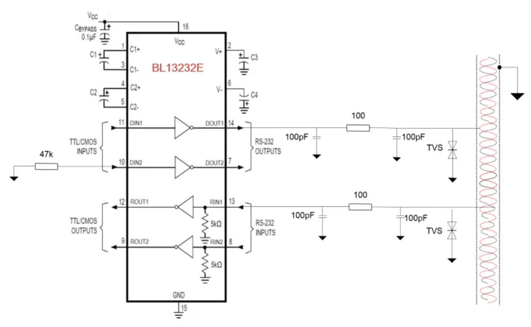
我們以RS-232接口為例,給出單端總線的TVS防護方案。
圖2 RS-232 外圍應用圖
圖2為RS-232電路的外圍應用圖,根據RS-232芯片的工作電壓和極限電壓,可以選用的雙向TVS為SMB8.0CA,總線上串聯的100歐姆電阻也起到了一定的限流作用。
差分混合網絡的的應用實例
隨著系統的復雜度和通信速率不斷提升,混合網絡的需求日益增加,以電力行業的集中器和采集終端為例,CAN和RS-485共用外圍防護器件以及通信線纜,外圍應用如圖3所示:
圖3 混合網絡的外圍應用圖
在混合網絡中,CAN收發器總線的極限電壓通常在40V以上,明顯高于RS-485收發器,所以工作電壓和極限電壓按照RS-485的參數進行選擇。同時在該系統中,RS-485通信速率為115200bps,CAN的通訊速率為1Mbps,需要考慮保護器件結電容的影響。
對于通訊速率低于9600bps的智能電表而言,可以選擇TVS,對瞬態沖擊具有較好的抑制作用,例如SMBJ6.8CA。對于115200~1Mbps智能儀表設備,由于結電容的限制,可選用TSS器件。需要關注的是,響應時間和VS需滿足系統以及接口芯片的要求,其中VS不能超過RS-485芯片AB端的極限電壓值。由于集中器需要進行380V防錯接測試,所以總線上需要接入RTA/RTB熱敏電阻,配合TSS確保通信芯片的安全。熱敏電阻的型號可以參考MZ11-10A200-300RM,如果總線上只在A端接入一顆熱敏電阻,則建議采用MZ11-10A300-600RM。
四、結論
在實際應用中,選擇合適的TVS/TSS防護元件至關重要。對于需要極快響應速度和較低鉗位電壓的應用,TVS二極管是首選,而對于高速數據傳輸的應用,TSS保護器件提供了更多的選擇。
無論是選擇TVS還是TSS,都需要根據具體的應用場景和技術需求進行權衡。合理選擇和使用防護元件,可以顯著提高接口芯片的可靠性和耐用性,確保電子設備的穩定運行。
表1為上海貝嶺RS485、RS232產品選型表,可以根據不同的應用場景進行多樣化的選擇。
表1 RS485、RS232產品選型表
免責聲明:本文為轉載文章,轉載此文目的在于傳遞更多信息,版權歸原作者所有。本文所用視頻、圖片、文字如涉及作品版權問題,請聯系小編進行處理。
推薦閱讀:
UWB芯片深入城市每一條“神經末梢”!紐瑞芯“創芯版圖”再升級,劍指數字中國時空基底
ADI的智能工廠專業知識助您選擇合適的IO-Link從站收發器






