【導讀】眾所周知,GaNFET比較難驅動,如果使用原本用于驅動硅(Si) MOSFET的驅動器,可能需要額外增加保護元件。適當選擇正確的驅動電壓和一些小型保護電路,可以為四開關降壓-升壓控制器提供安全、一體化、高頻率GaN驅動。
問題
沒有專門用于驅動GaNFET的控制器時,如何使用GaNFET設計四開關降壓-升壓DC-DC轉換器?
回答
眾所周知,GaNFET比較難驅動,如果使用原本用于驅動硅(Si) MOSFET的驅動器,可能需要額外增加保護元件。適當選擇正確的驅動電壓和一些小型保護電路,可以為四開關降壓-升壓控制器提供安全、一體化、高頻率GaN驅動。
簡介
在不斷追求減小電路板尺寸和提高效率的征途中,氮化鎵場效應晶體管(GaNFET)功率器件已成為破解目前難題的理想選擇。GaN是一項新興技術,有望進一步提高功率、開關速度以及降低開關損耗。這些優勢讓功率密度更高的解決方案成為可能。當前市場上充斥著大量不同的Si MOSFET驅動器,而新的GaN驅動器和內置GaN驅動器的控制器還需要幾年才能面世。除了簡單的專用GaNFET驅動器(如LT8418)外,市場上還存在針對GaN的復雜降壓和升壓控制器(如LTC7890、LTC7891)。目前的四開關降壓-升壓解決方案仍有些復雜,但驅動GaNFET并不像看起來那么困難。利用一些簡單的背景知識,可以通過調整針對Si MOSFET的控制器來驅動GaNFET。
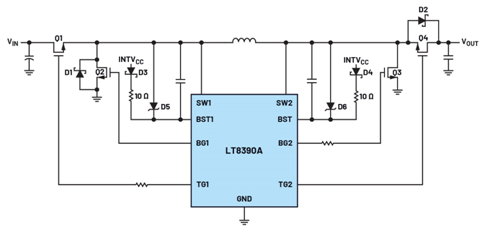
LT8390A是一個很好的選擇。這是一款專業的2 MHz降壓-升壓控制器,死區時間(25 ns)非常短,參見圖1。該降壓-升壓方案的檢測電阻與電感串聯,且位于兩個熱環路的外部,這是降壓-升壓方案的一個新特性,讓控制器能夠在升壓和降壓工作區域(以及四開關降壓-升壓)中以峰值電流控制模式運行。本文深入探討了四開關降壓-升壓GaNFET控制,但其原理同樣適用于簡單的降壓或升壓控制器。
圖1.EVAL-LT8390A-AZ 24 VOUT 5 A四開關降壓-升壓GaN控制器原理圖
5 V柵極驅動器必不可少
對于高功率轉換,硅驅動器通常工作在5 V以上,典型的硅MOSFET柵極驅動器電壓范圍為7 V至10 V甚至更高。這對GaNFET提出了挑戰,因為其絕對最大柵極電壓額定值通常為6 V。甚至柵極和源極回路上的雜散PCB電感引起的振鈴如果超過最大柵極電壓,也可能導致災難性的故障。相關設計人員必須仔細考慮布局,盡可能降低柵極和源極回路上的電感,才能安全有效地驅動GaNFET。除了布局之外,實施器件級保護對于防止柵極發生災難性過壓也很重要。
LT8390A提供專為較低柵極驅動FET設計的5 V柵極驅動器,因而是驅動GaNFET的理想選擇。問題是硅FET驅動器通常缺乏針對意外過壓的保護。更具體地說,硅柵極驅動器上頂部FET的自舉電源不受調節,這意味著頂部柵極驅動器很容易漂移到GaNFET的絕對最大電壓以上。圖2提供了解決此問題的方案:將一個5.1 V齊納二極管(D5和D6)與自舉電容并聯,以將該電壓箝位在GaNFET的推薦驅動電平,進而確保柵極電壓始終在安全工作范圍內。
圖2.帶有GaN控制保護元件的簡化四開關降壓-升壓GaN控制器原理圖
圖3.EVAL-LT8390A-AZ最大輸出電流與輸入電壓的關系,該板可在高頻下通過寬輸入范圍產生120 W功率
圖4.EVAL-LT8390A-AZ GaN控制器效率與DC2598A Si MOSFET控制器效率,
GaNFET在更高電壓下提供更高的效率
此外,為了提供更好的保護,添加一個10 Ω電阻與自舉二極管(D3和D4)串聯,以減小超快速和高功率開關節點可能引起的任何振鈴。
死區時間和體二極管挑戰
傳統轉換器中有一個續流二極管,它在關斷期間導通。同步轉換器用另一個開關代替續流二極管,以減少二極管的正向導通損耗。然而,如果頂部和底部開關同時導通,就會發生故障,導致擊穿。如果發生擊穿,則兩個FET都可能短路接地,進而造成器件故障和其他災難性后果。為了防止這種情況,控制器設置了死區時間,即頂部和底部開關均不導通的時間段。典型同步DC-DC控制器實現的死區時間長達60 ns。體二極管在此期間導通,因此對于硅MOSFET來說,該死區時間不會造成麻煩。
GaNFET沒有體二極管,導通和關斷的速度比硅MOSFET快得多。GaNFET可以在2 V至4 V的電壓下導通,而二極管的典型導通電壓為0.7 V。導通電壓乘以導通電流,可能導致死區時間內的功率損耗增加近6倍。功率損耗的增加,加上較長的死區時間,可能造成FET過熱和損壞。比較好的解決方案是盡量縮短死區時間。然而,原本用于硅FET的控制器是根據硅FET緩慢的通斷特性(數十納秒)來設計死區時間,為防止擊穿,死區時間通常較長。
LT8390A設定的死區時間為25 ns,與市場上的許多同步控制器相比,該死區時間相對較短。該器件適用于高頻、高功率MOSFET控制,但對于GaNFET來說仍然太長。GaNFET的導通速度很快,僅幾納秒。因此,為了減少死區時間內的額外導通損耗,建議添加一個續流肖特基二極管與同步GaNFET反向并聯,將導通路徑轉移到損耗較小的路徑。圖2中的D1和D2說明了肖特基二極管應放置在哪個FET上。D1跨接于同步降壓側FET,而D2跨接于同步升壓側FET。簡單的降壓轉換器只需要放置D1。對于簡單的升壓轉換器,需使用D2。
更高頻率、更高功率
LT8390A的開關頻率高達2 MHz。GaNFET的開關損耗顯著低于Si MOSFET,開關頻率和電壓更高時,其功率損耗與后者相近。EVAL-LT8390A-AZ GaNFET板將開關頻率設置為2 MHz,以突出GaNFET在效率和尺寸方面的優勢。
在室溫、24 V輸出下,GaNFET可產生120 W功率。該板尺寸與之前的LT8390A評估板DC2598A相當,后者使用硅MOSFET,并提供12 VOUT和48 W功率。
圖3展示了2 MHz GaN降壓-升壓電路的最大功率能力,而圖4比較了兩種評估板的效率。即使在電壓更高、輸出功率高2.5倍的情況下,GaNFET板的效率也高于Si MOSFET板。在電路板面積相似時,使用GaNFET可以以更高的電壓和功率運行。
表1.與GaNFET兼容的DC-DC控制器
結論
如果沒有專門用于驅動GaNFET的DC-DC控制器,我們仍然可以有效地驅動GaNFET。在電路板面積近似時,即便使用原本用于驅動Si MOSFET的控制器,EVAL-LT8390A-AZ也能輕松輸出更大的功率并實現更高的效率。表1推薦了多款用于驅動GaNFET的控制器。如果功率要求更高,例如并聯降壓-升壓GaNFET控制,請聯系廠家。通過研究提供5 V柵極驅動器的控制器并整合額外的外部保護電路元件,我們可以安全地驅動GaNFET,并探索電源轉換設計中的更多選擇。作者:Kevin Thai,應用經理
(來源:ADI公司,作者:Kevin Thai,應用經理)
免責聲明:本文為轉載文章,轉載此文目的在于傳遞更多信息,版權歸原作者所有。本文所用視頻、圖片、文字如涉及作品版權問題,請聯系小編進行處理。
推薦閱讀:





