中心議題:
- 運算放大器輸出電壓相位反轉
- 輸入過壓保護和輸出相位反轉保護電路
- 消除輸出相位反轉
解決方案:
- 采用高共模電壓儀表放大器的共模過壓保護
- 內置過壓保護的ADA4091-2運算放大器
本文討論兩個與運算放大器相關的話題:輸出相位反轉和輸入過壓保護。
超過輸入共模電壓(CM)范圍時,某些運算放大器會發生輸出電壓相位反轉問題。其原因通常是運算放大器的一個內部級不再具有足夠的偏置電壓而關閉,導致輸出電壓擺動到相反電源軌,直到輸入重新回到共模范圍內為止。圖1所示為電壓跟隨器的輸出相位反轉情況。注意,輸入可能仍然在電源電壓軌內,只不過高于或低于規定的共模限值之一。這通常發生在負范圍,最常發生相位反轉的是JFET和/或BiFET放大器,但某些雙極性單電源放大器也有可能發生。

圖1:電壓跟隨器的輸出電壓相位反轉
相位反轉通常只是暫時現象,但如果運算放大器在伺服環路內,相位反轉可能會引起災難性后果。
運算放大器配置為單位增益電壓跟隨器時,最有可能發生相位反轉。在反相模式下,相位反轉不是問題,因為兩個輸入均恒定不變,并且處于地電位(某些單電源應用中則處于中間電源電壓)。
大多數現代運算放大器都會使用電路設計技術來防止相位反轉。如果運算放大器能夠避免相位反轉,其數據手冊的"主要特性"部分一般會說明這一點,但"技術規格"部分不一定會說明。
對于"軌到軌"輸入運算放大器,輸入共模電壓包括電源軌,因此,只要輸入電壓不超過電源軌,運算放大器就不應發生相位反轉。
圖2顯示了AD8625(四通道)、AD8626(雙通道)和AD8627(單通道)運算放大器系列的"主要特性"和絕對最大值規格。這些放大器具有JFET輸入,采用+5 V單電源供電時,輸入共模電壓范圍為0 V至+3 V(最大值)。"無相位反轉"特性意味著:在+3 V至+5 V的共模區間,輸出不會發生相位反轉。

圖2:AD8625/AD8626/AD8627運算放大器的"主要特性"和絕對最大值規格
[page]
某些運算放大器可能僅在輸入超過電源軌時出現輸出電壓相位反轉現象。然而,這種情況違反了輸入電壓的絕對最大值要求,應當避免。如果輸入過壓情況可能發生,則應增加適當的保護電路。多數情況下,這種保護電路也能起到防止輸出電壓相位反轉的作用,如下文所述。
輸入過壓保護和輸出相位反轉保護電路
絕對最大額定值是IC運算放大器的電壓、電流和溫度限值,一旦超出該值,運算放大器就會受損。通常對輸入引腳施加過大的電壓會破壞或損毀運算放大器。過壓狀況可以分為兩類:過壓和靜電放電(ESD)。
ESD電壓通常高達數千伏。大多數人都有被靜電電擊的體驗。在尼龍地毯上拖著腳走,特別是在干燥環境下,并觸摸金屬門把手,就有可能被電到,火花從指尖飛出。CMOS電路特別容易因ESD損壞,雙極性電路同樣可能受損。多數運算放大器的輸入引腳內置ESD保護二極管,以便能夠在PC板裝配階段處理IC.為使電容和泄漏最小,這些二極管一般很小,不是用來應付數mA以上的持續輸入電流。
只要運算放大器的輸入共模電壓超出其電源范圍,即使電源已關閉,運算放大器也可能受損,.因此,幾乎所有運算放大器的絕對最大輸入額定值都將最大輸入電壓限制在如下電平:正負電源電壓加上大約0.3 V(即+VS + 0.3 V或–VS – 0.3 V)。即使規定絕對最大輸入電壓等于電源電壓(如圖2所示的情況),這一經驗法則也仍然適用。
雖然可能存在一些例外,但務必注意:當發生超出電源軌0.3 V以上的過壓狀況時,多數IC運算放大器需要輸入保護。
導致故障的原因并非過壓本身,而是過壓引起的電流會流入輸入引腳。如果輸入電流不超過5 mA(經驗法則),則不會造成嚴重破壞。然而,如果輸入持續處于過應力狀況,偏置電流和失調電壓等參數可能會發生變化。因此,過壓雖然不一定會損毀運算放大器,但應極力避免。
過壓保護措施一般包括在輸入引腳與電源之間放置外部二極管,以及增加限流電阻(參見圖3)。
二極管通常是肖特基二極管,因為其正向電壓較低(通常為300 mV,硅二極管則為700 mV)。
應用這些保護器件時必須謹慎。某些二極管可能有嚴重泄漏,額外的漏電流最終會變成運算放大器的偏置電流。某些二極管可能還有相當大的電容,這可能會限制頻率響應,對高速放大器的影響尤為嚴重。此外,外加限流電阻RLIMIT會增加噪聲。

圖3:使用肖特基箝位二極管和限流電阻的通用運放過壓保護網絡
除非數據手冊另有說明,運算放大器的輸入故障電流應等于或小于5 mA以免受損。這是一個保守的經驗法則,基于典型運放輸入的金屬走線寬度。更高的電流會引起"金屬遷移",這是一種累積效應,如果持續發生的話,最終會導致走線開路。如果存在遷移現象,故障可能需要經過很長時間發生多次過壓才會顯現,這種故障非常難以發現。因此,即使一個放大器似乎能夠短時間承受遠高于5 mA的過壓電流,也必須將最大電流限制在5 mA(或以下),以確保長期可靠性。
某些運算放大器,如OP27等,內置保護二極管,但仍然需要限流。如果運算放大器具有保護二極管,它通常會規定最大差分輸入電流。原理示意圖上也應顯示該保護電路。
某些運算放大器的輸入還具有背靠背二極管,這不是用于輸入過壓保護,而是限制差分電壓。如果存在這種二極管,差分輸入電壓將有±700 mV的絕對最大額定值。
圖3所示電路是一個通用運算放大器共模保護電路。只要元件選擇得當,大量運算放大器的輸入都能獲得有效保護。注意:運算放大器可能還有連接到電源的內部保護二極管(如圖所示),當正向電壓超出或低于相應電源軌大約0.6 V時,該二極管就會導通。但在這種情況下,外部肖特基二極管與內部二極管并聯,因而內部單元永遠不會達到其閾值。將故障電流轉移到外部可以消除潛在的應力,從而保護運算放大器。
外部二極管還能帶來其它好處,有些可能不太明顯。例如,如果允許故障電流流入運算放大器,則必須選擇適當的RLIMIT,使得在最差情況的VIN下,最大電流不超過5 mA.這一要求可能導致RLIMIT值相當大,相關的噪聲和失調電壓增加可能是設計無法接受的。舉例來說,為了預防100 V的VIN,根據5 mA要求,RLIMIT必須大于或等于20 k.然而,如果有外部肖特基箝位二極管,則RLIMIT可以由最大容許的D1-D2電流決定,它可以大于5 mA.不過這里應小心,對于非常高的電流,肖特基二極管壓降可能超過0.6 V,從而激活內部運放二極管。
為使失調電壓和噪聲誤差最小,必須使RLIMIT的值盡可能低。RLIMIT與運算放大器輸入端串聯,產生一個與偏置電流成比例的壓降。如果不校正,此電壓將表現為電路失調電壓增加。因此,對于偏置電流中等且大致相等的運算放大器(大部分是雙極性類型),補償電阻RFB用于平衡直流失調,使該誤差最小。對于低偏置電流運算放大器(Ib ≤10 nA或FET型),有可能不需要RFB.為使RFB相關噪聲最小,應利用一個電容CF將其旁路。
[page]
消除輸出相位反轉
許多情況下,增加合適的RLIMIT電阻可以防止輸出相位反轉。然而,許多運算放大器制造商未必始終能夠提供適合防止輸出相位反轉的RLIMIT電阻值。不過,可以通過一組測試以經驗來確定該值。通常,防止相位反轉的RLIMIT電阻值也會通過輸入共模箝位二極管來安全地限制故障電流。如果不確定,可以從1 k的標稱值開始測試。
通常而言,FET輸入運算放大器只需要限流串聯電阻來提供保護,但雙極性輸入放大器最好同時用限流電阻和肖特基二極管來提供保護(如圖3所示的RLIMIT和D2)。
輸入差分保護
到目前為止的討論都是關于過壓共模狀況,它通常與輸入級結構固有的PN結正偏有關。
過壓保護還有一點也同樣重要,那就是過大差分電壓引起的過壓。將過大差分電壓施加于某些運算放大器時,可能導致其工作性能降低。
這種性能降低是由"反向結擊穿"引發的,這是輸入級導通不良的第二種情況,發生在差分過壓狀況下。然而,對于PN結反向擊穿,問題的性質可能更加微妙,圖4所示為一個運放輸入級的一部分。

圖4:具有D1-D2輸入差分過壓保護網絡的運算放大器輸入級
該電路適用于OP27等低噪聲運算放大器,也是許多其它采用低噪聲雙極性晶體管來構成差分對Q1-Q2的放大器的典型保護電路。如果沒有任何保護,可以看出,兩個輸入間高于大約7 V的電壓將導致Q2或Q1(取決于相對極性)反向結擊穿。注意,如果是射極-基極擊穿,則很小的反向電流也會導致兩個晶體管的增益和噪聲性能下降。發生射極-基極擊穿后,運算放大器參數(如偏置電流和噪聲等)可能會超出額定范圍。這通常是永久性的,逐漸而微妙地發生,特別是在由瞬變觸發的情況下。因此,幾乎所有低噪聲運算放大器,無論是基于NPN還是PNP,都會采用保護二極管,如輸入上的D1-D2等。如果施加的電壓超過±0.6 V,這些二極管就會導通,從而保護晶體管。
虛線所示的串聯電阻起到限流作用(為保護二極管提供保護),但所有情況下均未使用。例如,AD797沒有這些電阻,因為它們會降低器件的1 nV/Hz額定噪聲性能。注意,如果內部缺少這些電阻,則必須提供外部限流措施,以防受差分過壓狀況影響。顯而易見,這里存在一個取舍關系,必須權衡考慮全面保護的程度與噪聲性能的降幅。注意,應用電路本身可能已在運算放大器輸入中提供足夠的電阻,因而不需要額外的電阻。
應用低噪聲雙極性輸入級運算放大器時,首先應檢查所選器件的數據手冊,看它是否具有內部保護。需要時,應增加保護二極管D1-D2(如果運算放大器沒有內置),確保避免Q1-Q2射極-基極擊穿。如果應用中運算放大器經歷的差分瞬變高于5 V,這些二極管應能處理。普通的低電容二極管足以勝任,如1N4148系列。視需要增加限流電阻,以便將二極管電流限制在安全水平。
其它IC器件結,如基極-集電極和JFET柵極-源極結等,在擊穿時不會表現出這樣的性能降低。對于這些結,輸入電流應以5 mA為限,除非數據手冊另有規定。
運算放大器和儀表放大器的這些不同過壓防范措施看起來很復雜,事實上也的確如此!只要運算放大器(或儀表放大器)輸入(和輸出)超出設備邊界條件,就可能發生危險情況或器件損毀。顯然,為了實現最高可靠性,必須防患于未然。
幸運的是,大多數應用都是完全內置于設備中,通常看到的是采用同一電源系統的其它IC的輸入和輸出。因此,這種情況下一般不需要箝位和保護方案。
圖5總結了過壓考慮事項。

圖5:電路內過壓考慮事項匯總
[page]
采用高共模電壓儀表放大器的共模過壓保護
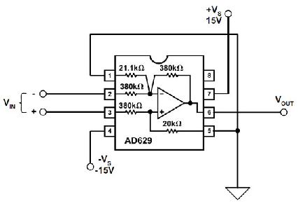
在精密運算放大器之前進行阻性輸入衰減,是模擬通道過壓保護的終極簡化方案。這一組合相當于一個支持高壓的儀表放大器,如AD629等,它能夠以線性方式對疊加于最高±270 V共模電壓的差分信號進行處理。此外,過壓保護考慮最重要的一點是,片內電阻能夠為最高±500 V的共模或差分電壓提供保護。所有這些都是通過精密激光調整薄膜電阻陣列和運算放大器實現,如圖6所示。

圖6:高壓儀表放大器IC AD629提供± 500 V輸入過壓保護;僅采用單個器件,極其簡單,并且實現了防故障關斷操作
分析該拓撲結構可知,精密運算放大器AD629周圍的阻性網絡充當一個分壓器,將施加于VIN的共模電壓降低20倍。AD629同時以單位增益將輸入差模信號VIN轉換成以本地接地為基準的單端輸出信號。增益誤差不超過±0.03 %或±0.05 %,失調電壓不超過0.5 mV或1 mV(取決于器件等級)。AD629的電源電壓范圍是±2.5 V至±18 V.
這些因素相結合,使AD629成為可能經受危險瞬變電壓的卡外模擬輸入的簡便、單器件保護解決方案。由于所用的電阻值相對較大,因此它本身就能保護器件,在不加電情況下,輸入電阻也能安全地限制故障電流。此外,它還提供儀表放大器固有的運作優勢:高CMR(500Hz時最小值86 dB)、出色的整體直流精度和靈活、簡單的極性變化。
對性能不利的一面是,與較低增益的儀表放大器配置相比,如AMP03等,多個因素使得AD629的輸出噪聲和漂移相對較高,包括高值電阻的約翰遜噪聲和拓撲結構的高噪聲增益(21倍)。這些因素與電阻噪聲共同提高運算放大器的噪聲和漂移,提高幅度高于典型值。
當然,這個問題是否與具體應用有關,需要根據具體情況進行評估。
內置過壓保護的ADA4091-2運算放大器
ADA4091-2是一款雙通道、微功耗、單電源、3 MHz帶寬放大器,具有軌到軌輸入與輸出特性。ADA4091-2保證可采用+3 V至+36 V單電源供電以及±1.5 V至±18 V雙電源供電。
ADA4091-2擁有過壓保護輸入和二極管,允許輸入電壓高于或低于供電軌12 V,非常適合魯棒的工業應用。
具體應用包括便攜式電信設備、電源控制與保護、分流檢測,以及具有寬輸出范圍的傳感器接口.



