【導讀】作電動機運行的三相異步電機。三相異步電動機轉子的轉速低于旋轉磁場的轉速,轉子繞組因與磁場間存在著相對運動而產生電動勢和電流,并與磁場相互作用產生電磁轉矩,實現能量變換。
三相交流電動機正反轉互鎖電路的分析
作電動機運行的三相異步電機。三相異步電動機轉子的轉速低于旋轉磁場的轉速,轉子繞組因與磁場間存在著相對運動而產生電動勢和電流,并與磁場相互作用產生電磁轉矩,實現能量變換。
與單相異步電動機相比,三相異步電動機運行性能好,并可節省各種材料。按轉子結構的不同,三相異步電動機可分為籠式和繞線式兩種。籠式轉子的異步電動機結構簡單、運行可靠、重量輕、價格便宜,得到了廣泛的應用,其主要缺點是調速困難。繞線式三相異步電動機的轉子和定子一樣也設置了三相繞組并通過滑環、電刷與外部變阻器連接。調節變阻器電阻可以改善電動機的起動性能和調節電動機的轉速。
當向三相定子繞組中通入對稱的三相交流電時,就產生了一個以同步轉速n1沿定子和轉子內圓空間作順時針方向旋轉的旋轉磁場。由于旋轉磁場以n1轉速旋轉,轉子導體開始時是靜止的,故轉子導體將切割定子旋轉磁場而產生感應電動勢(感應電動勢的方向用右手定則判定)。由于轉子導體兩端被短路環短接,在感應電動勢的作用下,轉子導體中將產生與感應電動勢方向基本一致的感生電流。轉子的載流導體在定子磁場中受到電磁力的作用(力的方向用左手定則判定)。電磁力對轉子軸產生電磁轉矩,驅動轉子沿著旋轉磁場方向旋轉。
通過上述分析可以總結出電動機工作原理為:當電動機的三相定子繞組(各相差120度電角度),通入三相對稱交流電后,將產生一個旋轉磁場,該旋轉磁場切割轉子繞組,從而在轉子繞組中產生感應電流(轉子繞組是閉合通路),載流的轉子導體在定子旋轉磁場作用下將產生電磁力,從而在電機轉軸上形成電磁轉矩,驅動電動機旋轉,并且電機旋轉方向與旋轉磁場方向相同。
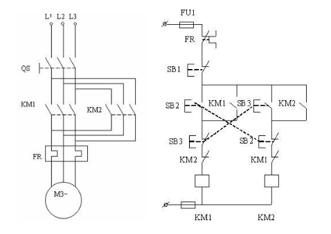
為了防止電動機在正轉(反轉)狀態時啟動反轉(正轉)。造成主電路短路的情況發生。在聯接控制電路時要進行硬件互鎖。互鎖電路分為三種,一是按鈕互鎖、二是接觸器互鎖,三是按鈕接觸器復合互鎖。下面分別對三種電路進行分析。
1.按鈕互鎖電路
在電動機正反轉控制電路中通常用的按鈕開關有兩對觸點。一對常閉觸點、一對常開觸點。按鈕互鎖就是將正轉啟動按鈕的常閉觸點串聯到反轉啟動控制電路中。將反轉啟動按鈕的常閉觸點串聯到正轉啟動控制電路中。這種控制方式的優點是,有效的避免了正反轉啟動按鈕同時按下而造成的短路發生。缺點是在進行正反轉狀態切換時,要先按下停止按鈕才能再按另外的一個啟動按鈕。盡管是這樣操作,如果某一個接觸器的主觸頭發生了粘連,在切換另一種狀態時也會發生短路的情況。控制原理圖如下:
2.接觸器互鎖電路
接觸器互鎖就是有效的利用接觸器的常閉輔助觸點,防止因接觸器主觸頭粘連而發生短路事故。假設某一個接觸器的主觸頭因為電弧的燒傷而發生了粘連。在按下停止按鈕后,該接觸器的輔助常閉觸點不會復位。因此,另一種狀態的接觸器就不會吸合。在選擇啟動按鈕開關時,只需要有一對常開觸點的按鈕開關就可以使用。這種控制電路在早期也有一定的應用。控制原理圖如下:
3.復合互鎖控制電路
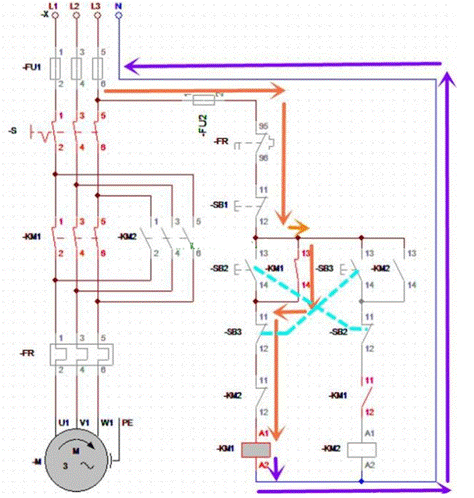
由于生產勞動的經驗不斷的豐富,一種安全可靠的控制電路就應運而生。那就是按鈕和接觸器復合互鎖電路。它集前面兩種控制電路的優點于一身。完全有效地保障了操作人員和設備的安全。下面兩張圖為正反轉模擬運行時控制回路電流的走向。以及接觸器和電機運行的方向。
4.電動機正轉啟動控制流程
當按下正轉啟動按鈕SB2時,電流通過保險FU2→熱繼電器常閉觸點95,96→停止按鈕SB1常閉觸點11、12→正轉啟動按鈕SB2常開觸點13、14→反轉啟動按鈕SB3常閉觸點11、12→反轉接觸器KM2常閉輔助觸點11、12→正轉接觸器KM1線圈A1、A2→零線形成回路。正轉接觸器KM1吸合。電動機正轉。與此同時,正轉接觸器KM1的常開輔助觸點也吸合形成自鎖。KM1的常閉輔助觸點11、12斷開形成互鎖。松開正轉啟動按鈕后,控制回路的電流則通過KM1的常開輔助觸點13、14形成回路。電動機繼續正轉運行。
5.電動機正轉切換反轉控制流程
電動機在正轉運行的時候按下反轉啟動按鈕SB3時,反轉啟動按鈕SB3的常閉觸點11、12首先斷開,切斷了正轉接觸器KM1線圈的供電回路。使正轉接觸器KM1線圈失電。從而KM1的主觸頭和常閉輔助觸點11、12復位。電流通過保險FU2→熱繼電器常閉觸點95,96→停止按鈕SB1常閉觸點11、12→反轉啟動按鈕SB3常開觸點13、14→正轉啟動按鈕SB2常閉觸點11、12→正轉接觸器KM1常閉輔助觸點11、12→反轉接觸器KM2線圈A1、A2→零線形成回路。反轉接觸器KM2吸合。電動機反轉。與此同時,反轉接觸器KM2的常開輔助觸點也吸合形成自鎖。松開反轉啟動按鈕后,控制回路的電流則通過KM2的常開輔助觸點13、14形成回路。電動機繼續反轉運行。
控制線路容易發生的故障
在電動機正反轉控制電路中,容易發生的故障部位有正反轉啟動按鈕轉、正反轉接觸器的主觸頭、熱繼電器、電動機軸承等。為什么以上部位容易發生故障呢?由于啟動按鈕是需要經常操作的部件,在操作的過程中力度掌握不好就很容易損壞按鈕開關。接觸器的主觸頭在吸合和斷開的時候很容易被電弧燒傷。啟動電流大也很容易使熱繼電器的雙金屬板發生疲勞而產生誤動作。電動機在正反轉的切換時會產生很大的扭矩而損傷軸承。
(來源:中電網)
免責聲明:本文為轉載文章,轉載此文目的在于傳遞更多信息,版權歸原作者所有。本文所用視頻、圖片、文字如涉及作品版權問題,請聯系小編進行處理。
推薦閱讀:




