【導讀】熱插拔,即帶電插拔,主要發生在不關閉系統電源的情況下,將模塊、板卡、部件插入(連接)或拔出(斷開)系統來執行測試、故障排除或信號調整,而不影響系統的正常工作,從而提高了系統的可靠性、快速維修性、冗余性和對災難的及時恢復能力等。
熱插拔,即帶電插拔,主要發生在不關閉系統電源的情況下,將模塊、板卡、部件插入(連接)或拔出(斷開)系統來執行測試、故障排除或信號調整,而不影響系統的正常工作,從而提高了系統的可靠性、快速維修性、冗余性和對災難的及時恢復能力等。
其中一個常見例子就是數據中心的電源可能發生故障,因此需要在不關閉整個服務器網絡的情況下維修或更換電源。可是,在仍然通電的情況下突然斷開電路的連接,如果一不小心進行插入和拔出組件,或會影響系統的正常工作,甚至會直接損壞系統。
熱插拔的危害
對不支持熱插拔的系統,如果本身設備可能存在較高電位差,當進行熱插拔,也許會引發閂鎖效應。如果沒有采取即時的相應措施,這種較高的電位差將對設備上的芯片構成危害。另外,由于一部份電路是處于上電工作狀態,一旦熱插拔時,或會使設備內穩定工作的板子也受靜電干擾。
還有,當單板插入設備時,由于單板上的電容并未充電,浪涌電流會將在短時間內從電源系統流入電容。這浪涌電流瞬間下降時會拉低總線電平,導致系統錯誤復位、閂鎖效應,更嚴重會導致連接器和元器件燒掉。
除此之外,在熱插拔過程中可能會發生兩個問題——短路和電弧。
· 在熱插拔時,組件和輸入和輸出引腳或會損壞。特別在連接電路板時,引腳以錯誤的順序連接,會導致短路,或會直接損壞系統。
· 當連接器插入或拔出時或會產生電弧,并且在連接器的插針和電氣有源組件之間會產生放電。這會導致連接器殼體和端子的損壞,并在結構上削弱連接的完整性。需要考慮的是,電弧的大小和持續時間取決于設備系統提供的功率。具有較高電壓和電流的系統所承受的電弧將大于具有較低電壓和電流的系統,但這并不意味著在功率較低的系統中不會發生電弧,只是電弧不那么顯著且損害較小。
熱插拔連接器
為了確保帶電拔插在不損壞設備的情況下安全地連接,連接器生產商設計了一些特制的熱插拔連接器,如先通后斷的連接器,以確保拔插之前已建立好接地和系統電源的連接。
先通后斷連接器產品是以先通后斷設計的。先通后斷連接器采用特定于應用的接地設計,允許在建立電源連接之前先建立接地連接,并在電源連接斷開之前一直保持連接
以下是一些熱插拔連接器的例子:
· 泰科電子的滑軌電源連接器

在熱插拔元器件替換時,使用TE的滑軌電源連接器能夠讓服務器在帶電運行中實現電子元器件熱插拔操作。該電源解決方案適合于電流高達75A的應用,無需在設備內布設體積龐大的電纜管理系統。由于電源和服務器直連,滑軌電源連接器還改善了電纜電壓降。由于減少了電纜系統的使用,滑軌電源連接器使連接更可靠。

圖1:滑軌電源連接器的視圖
· Mill-Max 的FMLB連接器

FMLB 連接器是一款彈簧式產品,并加入了單排和雙排先通后斷的連接器。該連接器支持必須依次連接和斷開電信號而不是一次連接/斷開全部信號的應用 (例如熱插拔),常用于電源或信號連接之前需確保建立接地路徑的長場景。
· Amphenol的SAS 4.0連接器

SAS 4.0連接器適合用于速度達到24Gb/s的新一代服務器。 29位的插座和插頭連接器具有熱插拔和盲插、連接器錯位補償以及實現可靠SMT連接的PCB固定機構等特征。這種連接器符合SATA標準,滿足垂直和直角配置需求,可用于服務器和存儲設備、硬盤驅動器和硬盤驅動器托架。
熱插拔控制器
除了特制的熱插拔連接器外,還需要考慮在插入式模塊或單板上是否需要一塊板載熱插拔控制器。熱插拔控制器為那些在帶電背板上進行的插拔操作,提供了兩項重要的功能:
· 當電路板插入時,它可限制具有潛在破壞性的浪涌電流。
· 它可起一個電路斷路器的作用,并在斷路之前維持可容許的最大電流和最長時間。
熱插拔控制器可以為整個系統提供連續保護、防止短路和過流故障。
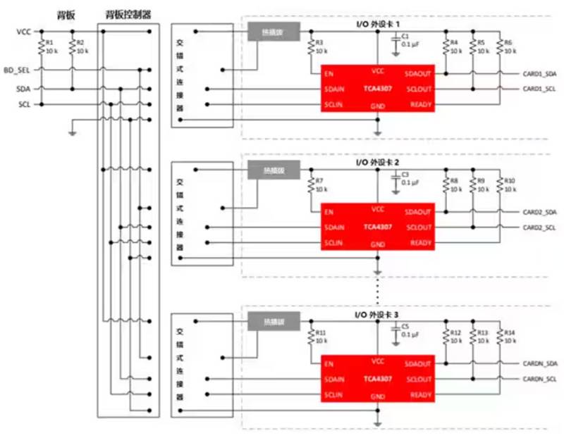
以TI的TCA4307為例——TCA4307 熱插拔 I2C 總線緩沖器支持將 I/O 卡插入帶電背板,而不會損壞數據和時鐘總線,適用于背板連接。TCA4307在 I/O 外設卡上,當發生熱插入事件時可將卡上的 I2C 設備安全地連接到背板。建立連接后,該器件將提供雙向緩沖,從而使背板和卡的電容保持分離。
在插入過程中,SDA 和 SCL 線路被預充電至1V,從而使為器件寄生電容充電所需的電流降至最低。這1V預充電功能有助于限制外設卡 SDA/SCL 連接時潛在的浪涌電流。

圖 2:TCA4307 用于背板應用的原理
TCA4307也具有卡住總線恢復功能,起到一個電路斷路器的作用。如果TCA4307檢測到 SDAOUT 或 SCLOUT 處于低電平約40毫秒,它會自動斷開總線。一旦總線斷開,該器件會在SCLOUT上自動生成多達16個脈沖,嘗試將總線保持低電平來復位器件。
當I2C總線空閑時,可以通過將EN引腳設置為低電平來使TCA4307進入關斷模式,從而降低功耗。 當EN被拉高時,TCA4307恢復正常工作。 它還包括一個開漏 READY 輸出引腳,表示背板和卡側連接在一起。當READY為高電平時,SDAIN和SCLIN連接到SDAOUT和SCLOUT。 當兩端斷開時,READY為低電平。
熱插拔評估板
善用Digi-Key智能產品搜索,可以在Digi-Key網站內找到不少的熱插拔評估板,如:
· ADI 的評估板
· Renesas 的評估板
· TI的評估板
· Vicor 的評估板
本文小結
雖然熱插拔極大地方便了我們對電子產品的使用,但并不意味著任何電子產品都可以隨意插拔。 在設計電子系統時,確認產品是否需要支持熱插拔可能是其中重要的一環,這樣才能享受到使用產品的便利,又能最大限度的保護我們的設計成果。
免責聲明:本文為轉載文章,轉載此文目的在于傳遞更多信息,版權歸原作者所有。本文所用視頻、圖片、文字如涉及作品版權問題,請聯系小編進行處理。
推薦閱讀:
干貨滿滿!音頻工廠不容錯過的行業盛會,30+行業大咖探討技術及趨勢!




