長期以來,得到無線通信系統設計工程師認可的理想數字接收機的信號鏈路是:天線、濾波器、低噪聲放大器(LNA)、ADC、數字解調和信號處理電路。雖然實現這個理想的數字接收機架構還要若干年的時間,但用于射頻前端的ADC的性能越來越高,通信接收機正逐漸消除頻率變換電路。從發展趨勢看,接收機的一些中間處理級會被逐步消除掉,但ADC前端的緩沖放大級卻是接收機中相當重要的環節,它是保證ADC達到預期指標的關鍵。信號鏈路的緩沖放大器是包括混頻器、濾波器及其它放大器的功能模塊的一部分,它必須作為一個獨立器件考察其噪聲系數、增益和截點指標。給一個既定的ADC選擇合適的緩沖放大器,可以在不犧牲總的無雜散動態范圍的前提下改善接收機的靈敏度。
定義動態范圍
接收靈敏度是系統動態范圍的一部分,它定義為能夠使接收機成功恢復發射信息的最小接收信號電平,動態范圍的上限是系統可以處理的最大信號,通常由三階截點(IP3)決定,對應于接收機前端出現過載或飽和而進入限幅狀態的工作點。當然,動態范圍也需要折衷考慮,較高的靈敏度要求低噪聲系數和高增益。然而,具有30dB或者更高增益、噪聲系數低于2dB的LNA其三階截點會受到限制,常常只有+10到+15dBm。由此可見,高靈敏度的放大器有可能在接收前端信號處理鏈路中成為阻塞強信號的瓶頸。在接收機的前端加入ADC后,對動態范圍的折衷處理變得更加復雜。引入具有數字控制的新型線性放大器作為緩沖器,能夠在擴展動態范圍的同時提高接收機的整體性能。
為了理解緩沖放大器在高速ADC中的作用,我們需要了解一下每個部件的基本參數及其對接收機性能的影響。傳統的接收機前端一般采用多級變頻,將來自天線的高頻信號解調到中頻,然后再作進一步處理。通常,信號鏈路會將射頻輸入轉換到第一中頻的70MHz或140MHz,然后再轉換到第二中頻的10MHz,甚至進一步轉換至第三中頻的455kHz。這種多級變頻的超外差接收機架構的應用仍然很廣泛,但考慮到現代通信系統所面臨的降低成本、縮小尺寸的壓力,設計工程師不得不盡一切可能去除中間變頻電路。長期以來,軍品設計工程師也一直都在探索實現全數字化接收機的解決方案,用ADC直接數字化來自天線和濾波器組的射頻信號。
近幾年,ADC的性能指標得到了飛速提高,但還沒有達到可以支持全數字化軍用接收機的水平。盡管如此,商用接收機的設計已經從三級或更多級的變頻架構簡化到一次變頻架構。減少頻率變換級意味著ADC輸入將是較高中頻的信號,需要ADC和緩沖放大器具有更寬的頻帶。對ADC分辨率的要求取決于具體的接收機,對于一些軍用設備,例如有源接收機,10位分辨率即可滿足要求。對于當前和正在興起的商用通信接收機,比如3G、4G蜂窩系統,為了降低經過復雜的相位和幅度調制的波形的量化誤差,需要ADC具有更高的分辨率。對于多載波接收機,通常需要14位甚至更高的分辨率,同時也要足夠的帶寬來處理整個中頻頻帶的信號。
如果一個接收機架構已具備高速、高分辨率ADC,那么關系到靈敏度和動態范圍的其它關鍵參數是什么呢?ADC常用SFDR作為其關鍵指標,SFDR定義為輸入信號的基波幅度與指定頻譜內最大失真分量均方根的比。如輸入電壓幅度超出了所允許的最大值,采樣輸出波形將出現削波和失真。當輸入信號低于推薦的最小輸入值時,則不能有效利用ADC的分辨率,一個14位的ADC可能僅僅表現出了10位或12位器件的性能。
對于一個既定ADC,正弦波的最大輸入電壓(Vmax)可以由下式計算:
2Vmax = 2bQ 或 Vmax= 2 b-1 Q
其中,b是ADC的分辨率,Q是每位量化電平的電壓。
對應于最大電壓的正弦波功率是:
Pmax = V2max/2 = [2 2(b-1)Q2]/2 = 22bQ2/8
最小電壓是對應1 LSB的幅度,可以由下式計算:
2Vmin=Q
對應功率為:
Pmin= V2min/2= Q2/8
動態范圍(DR)可以簡單地由下式計算:
DR = Pmax/Pmin= 22b
或采用對數形式表示:
DR = 20log(Pmax/Pmin) = 20blog(2) = 6b(dB)
或者每位6dB。
要得到一個ADC的SFDR,可以測量ADC的滿量程正弦信號,利用一個高精度DAC和頻譜分析儀測試ADC的輸出,并且比較輸出信號的最大基波成分與最大失真信號的電平。需要注意DAC的動態范圍一定要遠遠高于ADC的動態范圍,否則DAC的動態范圍會制約ADC SFDR指標的測試。目前,高速ADC的SFDR指標可以達到80到90dBc,通過給ADC輸入一個單音或雙音信號可以測得該項指標。對于雙音信號的性能分析,雙音信號可以在共同中頻中心頻率兩側選擇,頻率間隔1MHz,比如對于140MHz的中頻,雙音頻點選擇為139.5MHz和140.5MHz。
[page]
包括ADC在內的接收靈敏度是噪聲的函數,而噪聲電平本身又是帶寬的函數。降低噪聲可以提高接收機的靈敏度。而有些噪聲是不可避免的,如熱噪聲。ADC的背景噪聲由熱噪聲和量化噪聲決定,這些噪聲限制了ADC的靈敏度。量化噪聲本質上講是模數轉換器的LSB的不確定性。一般來說,ADC的背景噪聲就是所允許的最低輸入信號。作為接收機,不僅僅通過SFDR來表現ADC的特性,滿量程噪聲比和信噪比(SNR)也很重要,ADC的最大SNR是其分辨率的函數:
SNR = (1.76 + 6.02b) dB
實際上,它是滿量程模擬輸入的均方根與量化噪聲均方值的比。將ADC的采樣速率增加一倍,噪聲將分布到兩倍于前期帶寬的頻段內,有效噪聲系數會降低3dB。確定ADC的SNR的最好方法是用一個精確的接收機和經過校準的噪聲源進行測量,測量須考慮時鐘抖動和其它噪聲源,從而獲得實際的SNR值。
總諧波失真(THD)是在信號傅立葉頻譜上的所有諧波的均方根之和,前三項諧波集中了絕大部分的信號能量,對于通信系統來說,THD通常比靜態下的直流線性度更重要。大多數廠商給出的器件參數中包含了前4次,甚至前9次諧波的數據。
MAX12599是一款Maxim推出的新型ADC,它在單一芯片上集成了2路14位ADC,每路ADC的采樣速率可以達到96Msps,可以采集中頻和基帶信號。這款雙通道ADC具有內部采樣/保持放大器和差分輸入,對于175MHz的輸入,它可以獲得79.8dBc的SFDR、71.9dB的典型信噪比和70.9dB的信噪失真比(SINAD)(圖1),總諧波失真為-77.9dBc。這款ADC工作在3.3V,僅消耗980mW的模擬電源功耗。
MAX12559在96MHz時鐘頻率

圖1:MAX12559在96MHz時鐘頻率、-1dBFS輸入時,SNR和SINAD與輸入頻率的對應關系曲線。
靈活的基準架構允許器件采用內置2.048V帶隙基準或外部基準,并且允許兩個ADC共用同一基準。可利用基準電路在±0.35V到±1.15V范圍內調整滿量程輸入,MAX12599支持單端或差分時鐘輸入,用戶可選擇2分頻和4分頻模式,簡化了時鐘源的選擇。
緩沖器的選擇
在為MAX12559或類似的在現代通信接收機中的高速ADC選擇緩沖放大器時,需要考慮一個因素。理想情況下,緩沖放大器需要具有與ADC相同的帶寬或更寬的帶寬,MAX12559的帶寬是750MHz,至少需要滿足被采樣信號的帶寬要求。ADC緩沖放大器一般按照頻域特性定義指標,而普通的運算放大器規定建立時間和擺率指標。無論緩沖放大器如何定義指標,它必須具備ADC輸入所需要的瞬態響應能力,使輸入波形的削波或失真不會大于ADC的1LSB。
在接收機前端,緩沖放大器的噪聲系數也有影響,但不占主導地位。在信號鏈路中,第一級放大器對接收機噪聲系數影響最大,通常,具有最低噪聲系數的放大器放在信號鏈路的最前端。因此,低噪聲系數的緩沖放大器有助于改善整個接收機的噪聲系數指標,但對緩沖器的噪聲系數要求不像第一級放大器那樣嚴格。如果接收機第一級低噪聲放大器具有2dB或更低的噪聲系數,對于緩沖放大器來說,6dB到7dB的噪聲系數將會對接收機鏈路產生最小的影響。
緩沖放大器應該提供足夠的增益,以確保送到ADC的信號接近于滿量程輸入電壓,同時,還要很好地控制頻率響應特性,增益平坦度應該保持在ADC的一個LSB之內。對于高分辨率(14位或更高)ADC,要求緩沖放大器在整個有效帶寬內具有±0.5dB的增益平坦度。緩沖放大器應該按照輸出電壓和截點指標提供良好的線性度,例如緩沖放大器必須至少提供和ADC的輸入要求一致出輸出,線性度應優于ADC的線性度,以避免降低ADC的SFDR指標。
考慮緩沖放大器和ADC相位誤差對雜散特性的影響時,可以由下式計算:
SFDR System = -20log{10exp[(-SFDR ADC)/20] + 10exp[(-SFDR Buffer)/20]} (dBc)
緩沖放大器的源阻抗要足夠低,以保證與ADC輸入阻抗的隔離,并為ADC輸入驅動提供足夠的功率。為了避免額外的轉換誤差,還要求緩沖器的高頻輸出阻抗盡可能低,總之,緩沖放大器的輸出阻抗會對ADC的交流特性,特別是總的諧波失真(THD)產生直接影響。
對于開關電容ADC,轉換器可能會在每次轉換結束時吸收少量輸入電流。采用這類ADC時,緩沖放大器還要有足夠快的瞬態響應能力,以避免轉換誤差。當緩沖器的瞬態響應不夠快時,可以根據接收機的要求在其輸出加一個RC濾波器來限制輸入帶寬,同時提供額外的電容以消除ADC的瞬態影響,濾波電容要大于ADC的輸入電容。
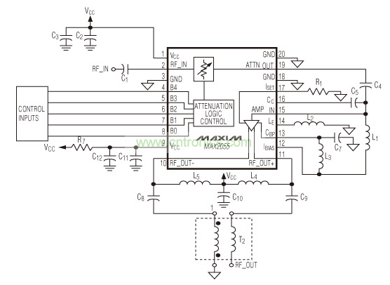
Maxim的MAX2055、MAX2027可用作MAX12559的緩沖放大器,MAX2055是一個帶寬在30~300MHz的數控可變增益放大器(圖2)。
[page]
MAX2055典型應用電路

圖2:MAX2055典型應用電路。
它具有單端輸入和差分輸出,便于配合差分輸入ADC使用,緩沖放大器內部集成了數控衰減器和高線性度放大器以及單端至差分轉換器,不需要外部轉換或額外的放大電路。MAX2055的內置衰減器提供23dB的衰減范圍,精度為±0.2dB,可以實現動態增益調節或通道增益設定。設置在最大增益時,具有6dB的噪聲系數,并且在所有增益設置下都具有+40dBm的輸出三階截點(OIP3)。1dB壓縮點的最大輸出功率是+24dBm,具有-76dBc的二次諧波(HD2)和-69dBc的三次諧波(HD3)。




