【導讀】臨床呼叫是值班醫生惡化護士進行臨時診斷和護理的呼叫信息工具。呼叫器能夠將病人的請求迅速的傳達給值班的醫生,在監控中心電腦上備份記錄數據。病房呼叫器有效地提高了醫療護理水平。
臨床求助呼叫是傳送臨床信息的重要手段,病房呼叫器是病人請求值班醫生或護士進行診斷或護理的緊急呼叫工具,可將病人的請求快速傳送給值班醫生或護士,并在值班室的監控中心電腦上留下準確完整的記錄,是提高醫院和病室護理水平的必備設備之一。呼叫系統的優劣直接關系到病員的安危,歷來受到各大醫院的普遍重視。
它要求及時、準確可靠、簡便可行、利于推廣。我國傳統的病房呼叫系統采用的多是有線傳輸,存在著安裝布線復雜,檢查維修困難,抗干擾能力差,病房擴建不易及費用高,不雅觀的缺陷。為克服以上的不足,本研究介紹一種無線的病房呼叫器,其使用專用的射頻模塊,并使用單片機控制。
這樣不但解決了復雜布線等問題,更能提高醫療服務水平,適應現代社會需求。
1 硬件電路設計
本設計方案由呼叫器和主機構成,使用射頻收發芯片,使系統工作在頻段433 MHz附近。系統使用單片機編碼/解碼,每個呼叫器有一個唯一的識別碼,并且識別碼可以隨時修改。當用戶按發射鍵后,識別碼被發射出去,等待接收器的響應,主機接收到服務申請后,根據識別碼鑒別出是由哪一臺呼叫器發出的申請,并給出聲音提示和顯示呼叫器的識別號。如果有幾個呼叫器在短時間里同時呼叫,主機則按照先后順序存儲起來,再按順序輪換顯示。
呼叫分機和接收主機的連接組成框圖如圖1和圖2所示。分機由撥碼開關來控制地址位的設置,當掃描到呼叫按鈕按下時,其地址被讀入單片機,經過處理后再送至發射芯片發射。分機用來進行呼叫,使用單片機完成編碼,分機的核心電路即是單片機與射頻芯片的連接電路。主機負責接收分機發來的信號,并進行解碼、顯示和報警。
主機上還設有鍵盤用于翻查、刪除記錄,所以主機上應接有鍵盤、顯示和報警電路。

圖1 呼叫分機原理框圖


圖2 接收主機原理框圖
1.1 分機電路設計分機是由一個8位的撥碼開關、單片機、無線收發芯片及相應外圍電路構成。分機使用便攜式設計,采用電池供電,在選用元件時除需要考慮到功耗和體積外,還需要考慮芯片工作的最低電壓的問題,所以單片機選用Arr89c2051,它在3V的電壓下就能穩定工作,而且其具有AT89C51的內核,指令系統也一樣,分機上所需要的I/O接口也很少,因此使用AT89C2051完全能滿足要求。
1.1.1 分機號碼設定電路的設計
分機采用8位撥碼開關手動定位來確定分機的地址,如圖3所示。
若需要將分機移至別的病床,則只需要改變撥盤開關的狀態,即可改變分機的號碼。

圖3 分機號碼設定電路
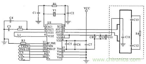
1.1.2 分機nRF401與AT89C2051主連接電路的設計
nRF401有休眠(Standby)、接收(RX)和發射(1x)3種工作狀態。由nRF401的引腳功能可知,這3種狀態問的切換由PWR-UP、TXEN的狀態可以確定。DIN、Dout是串行通信El,分別與單片機的串行通信口相連。CS腳則選擇工作頻率。nRF401與單片機的連接電路如圖4所示。在分機上有1個信息確認燈,在信息發送成功后確認燈閃亮1s,可以由單片機的I/O口直接點亮。限流電阻選用100Ω,工作電流即可以滿足要求。

圖4收發模塊與單片機連接電路
1.2 主機電路設計從系統的原理框圖可知,主機硬件電路分為電源電路、顯示電路、報警電路、鍵盤電路等部分。
1.2.1 nRF401與AT89C2051連接電路的設計
主機工作時也要進行狀態切換、頻率選擇和串行通信,實現的方法與分機的一樣,所以連接電路和分機的也一樣,這里給出nRF401的連接圖,如圖5所示。

圖5 nRF401的連接
1.2.2 顯示電路的設計P1.5,P1.6和P1.7端口分別控制數碼管的個位、十位和百位的供電,當相應的端口變成低電平時,相應的三極管會導通,+5V的電源通過驅動三極管給數碼管相應的位供電,這時只要鎖存器口送出數字的顯示代碼,數碼管就能正常顯示數字。因為要顯示幾位不同的數字,所以必須用動態掃描的方法來實現。該系統的顯示部分采用LED共陽極接法,采用動態顯示。首先將顯示的個十百位分別存放,然后逐個取出進行顯示。為了防止閃爍,每位LED顯示160 us.為了防止重影,當一位顯示完畢后立刻將其關閉,然后進行下一位的顯示。LED顯示電路如圖6所示。

圖6 LED顯示電路
1.2.3 鍵盤電路設計
主機上的鍵盤總共需要2個,即翻查鍵和刪2軟件設計除鍵,連接圖見圖7。

圖7 主機鍵盤電路
1.2.4 報警電路的設計主機在接受到呼叫信號后,首先進行報警告知值班人員。報警電路可以用單片機P2.0輸出1 kHz和500 Hz的音頻信號經放大后驅動揚聲器,發出報警信號,報警發聲電路見圖8。

圖8:主機報警發聲電路
2 軟件設計
整個軟件的設計分為主程序和顯示、報警與鍵盤操作等子程序設計。主程序設計中包括通信協議和收發程序的設計。為獲得主機和呼叫器之間較大的通信速率,當單片機的系統時鐘頻率為12 MHz時,我們將串口的波特率選定在19.2 kb/s。
2.1 主機軟件流程
主機開機便進行初始化,然后進入數據接收狀態等待。當接收到呼叫信號后,便進行存儲,然后調用顯示子程序進行循環顯示,給呼叫器發送出回應信號,發送完畢后,射頻芯片再次置于接受狀態等待信息,其總流程如圖9所示。

圖9 主機流程
2.2 分機軟件流程分機在開機后首先初始化,然后就進入休眠狀態以節省電能。系統查詢掃描發射鍵,如果沒有按下則繼續等待。如果掃描到發射鍵被按下,系統便掃描撥碼開關的狀態以確定地址碼,然后將射頻芯片置于發射狀態,并且開始傳送地址碼。地址碼傳送完畢后再將射頻芯片回復到接收狀態等待確認信息,確認信息收到后點亮確認燈1 s,然后休眠狀態等待,如此循環工作,總流程如圖10所示。

圖10 分機流程



