【導讀】本文將要解讀的是虹吸式傳感器降水量采集系統電路設計,方案原理是采用虹吸式傳感器以及自動統計的計算軟件來實現降水量的采集系統。經過試驗證明,該系統能夠行之有效的統計降水強度以及降水量。
降水量傳感器
常用的降水量傳感器有翻斗式和虹吸式兩種。本設計采用的是R.M.YOUNG公司生產的50202 型虹吸式傳感器,該傳感器無活動部件,敏感器件為電容傳感器。傳感器的測量腔體和采集漏斗外部均有保溫和加熱裝置,用于融冰或化雪。雨或雪通過采集漏斗進入測量腔體。測量范圍為0~50 mm,測量精度為±1mm,輸出信號為0~5.00 V DC,對應0~50 mm 的液位高度。進行觀測時,降水通過傳感器的采集漏斗進入測量腔體,使測量腔體內的液位高度發生變化,液位高度的變化值即為觀測時段的降水量。當傳感器的液位高度達到50 mm 時,傳感器自動產生虹吸,虹吸時間為30 s 左右,虹吸后,傳感器的液位高度回到零。
信號采集器
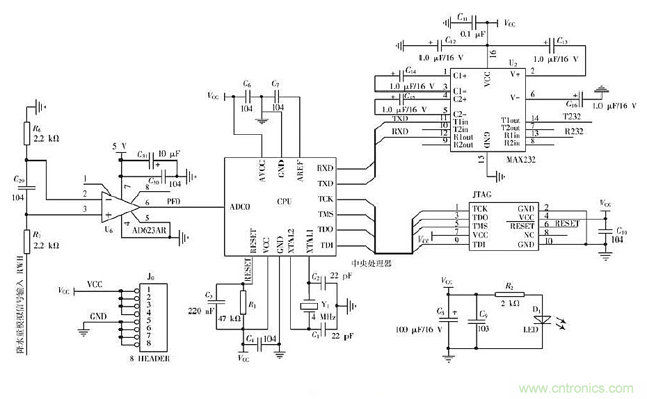
信號采集器由電源模塊和數據采集板組成。電源模塊為降水量傳感器和數據采集板提供工作電源,數據采集板采集測量降水量傳感器的0~5.00 V DC 輸出模擬量信號,并將模擬信號轉換為液位高數字信號發送給數據處理終端。數據采集板原理圖如圖所示。

相關閱讀:
盤點:決定未來科技的六大傳感器
可探測食物變質的傳感器,媽媽再也不擔心我的飲食
一種簡單的壓力傳感器信號調節電路


