中心議題:
- 適合LED街燈應用的高能效28 V、3.3 A LED驅動器設計
解決方案:
- 單段拓撲結構LED驅動器+次級端CVCC控制器組合
- 基于NCL30001和NCS1002的90 W演示板
隨著LED在性能及成本幾乎各個方面的持續改進,LED照明正在用于越來越寬的應用領域,其中LED街燈就是業界關注的一個焦點。安森美半導體身為應用于高能效電子產品的首要高性能硅方案供應商,針對各類LED照明應用提供豐富的驅動器、穩壓器/穩流器,及通信、光傳感器、MOSFET、整流器、保護、濾波器及熱管理產品等完整方案。本文將介紹一款用于LED街燈等應用的28 V、3.3 A的離線高功率因數LED驅動器設計。這設計基于安森美半導體的NCL30001 LED驅動器及NCS1002恒壓恒流控制器,采用90至265 V交流電壓供電,提供最大90 W的輸出功率,具有高功率因數,同時符合相關諧波含量標準,并能夠配合脈寬調制(PWM)調光。
單段拓撲結構LED驅動器+次級端CVCC控制器組合
NCL30001是一種單段拓撲結構LED驅動方案,其靈活的特性非常適合應用于新的LED照明產品。這款采用單段集成功率因數校正(PFC)和隔離型降壓交流-直流(AC-DC)電源轉換的離線式LED驅動器省去了專用PFC升壓段,可以減少元件數量,降低方案成本,配合提高LED電源系統總能效,用于LED街燈、低頂燈、外墻燈和建筑物照明等應用。
NCL30001采用連續導電模式(CCM)工作,這種方案集成了PFC和隔離型DC-DC轉換電路,并提供恒定電流來直接驅動LED。它相當于將AC-DC轉換與LED驅動兩部分電路整合在一起,均位于照明燈具內,省去了LED光條中集成的線性或DC-DC轉換器。這種整體式方案的電源轉換段更少,減少元器件使用數量(如光學元件、LED、電子元件及印制電路板等),降低系統成本,并支持更高的LED電源總體能效。當然,這種方案的功率密度更高,可能并不適合所有區域照明應用,其光學圖案可能更適合較低功率的LED,典型應用包括LED街燈、外墻燈、洗墻燈及電冰箱箱體照明等。
NCL30001控制器的其他規格特性還包括高壓啟動電路、電壓前饋以改善環路響應、輸入欠壓檢測、內部過載定時器、閂鎖輸入,以及減少輸入線路諧波的高精度乘法器。安森美半導體還提供這器件的隔離型單段功率因數校正LED驅動器評估板,用于要求直接恒流輸出的40 W到100 W功率范圍的應用。電流可在0.7 A至1.5 A之間調節,配合更寬范圍的大功率高亮度LED。
NCS1002是一款次級端恒壓恒流(CVCC)控制器,適合LED街燈等區域照明應用,配合NCL30001控制器更可以設計出高功效、具有調光功能的LED驅動器演示板。
基于NCL30001和NCS1002的90 W演示板
為了幫助工程師盡快實施照明設計,安森美半導體還提供90 W恒壓恒流演示板,它可接受90至265 Vac的擴展通用輸入電壓(更換元件條件下可支持305 Vac),提供0.7 A至1.5 A的恒定電流輸出范圍及30 V至55 V的恒定輸出電壓范圍(可通過電阻分壓器來選擇),最大輸出功率90 W,支持50至1,000 Hz調光控制,并包含可連接至可選調光卡的6引腳接口,用于模擬電流調節/雙亮度等級數字調光等智能調光應用。此外,這款演示板還提供短路保護、開路保護、過溫保護、過流保護及過壓保護等豐富保護特性。測試顯示,這演示板在50 W輸出功率、1,000 mA輸出電壓/48 V正向壓降條件的能效高于87%,在50%至100%負載條件下功率因數高于0.9,同時符合IEC61000-3-2 C類設備諧波含量標準。

圖1:演示板頂視圖[page]
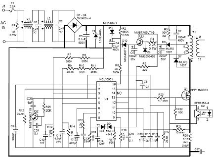
由于這種設計可以有標準NCL30001評估板(50V2A)相媲美的功率水平,電路原理的變化在于變壓器的設計,以及基于NCS1002的恒定電流/恒定電壓次級側控制電路。圖2所示為初級側電路。這個設計的反激變壓器源于原有設計的次級繞組,可以滿足新的最高電壓和電流要求。初級繞組所需的電感和整體結構基本上相同。277 VAC輸入可以利用適當的額定電壓來改變EMI輸入濾波器的“X”和“Y”電容器。

圖2:NCL30001 CVCC 90 W演示板初級側原理圖
使用NCL30001連續導通模式功率因數校正單段反激式控制器,可以實現高架、隧道、停車場和道路照明等區域照明應用的恒定電流LED驅動器。這種特殊設計是針對需要大于3A的驅動能力的LED而優化的,如Luminus Devices公司的CSM360和SST90。這種設計可以支持多達8個SST90串聯或2個CSM360器件。CSM360 LED在驅動電流為3.2A條件下標稱正向電壓為12.8 V,這取決于色溫和光通量可以產生1600-3900流明。
次級側控制電路如圖3所示。在本設計中,輸出電壓是由一個電阻率確定的,輸出電流也是基于一個電阻率設置的。因此,只有兩個電阻需要改變:一個是輸出電壓分壓器R34,另一個是電流設置電路的一部分的R32。此外,由于輸出電壓較低而輸出電流較高,增加了輸出電容,同時降低了電容器的額定電壓。

圖3:次級側原理圖
利用這個電路可以實現具有PWM調光輸入和可選調光卡的30 Vout LED驅動器CVCC次級檢測。
總結
高能效照明正在成為業界競逐的一個焦點。本文重點介紹安森美半導體針對LED街燈應用的90 W LED驅動器設計,這設計提供高功率因數,符合IEC61000-3-2 C類設備諧波含量標準,并能配合PWM調光。客戶利用安森美半導體的高能效產品及參考設計,能夠加快產品上市進程。


