- 學習射頻和微波開關測試系統基礎
- 射頻開關和低頻開關的區別
- RF開關設計
- 層疊開關架構的設計
緒論
無線通信產業的巨大成長意味著對于無線設備的元器件和組件的測試迎來了大爆發,包括對組成通信系統的各種RF IC 和微波單片集成電路的測試。這些測試通常需要很高的頻率,普遍都在GHz范圍。本文討論了射頻和微波開關測試系統中的關鍵問題,包括不同的開關種類,RF 開關卡規格,和有助于測試工程師提高測試吞吐量并降低測試成本的RF開關設計中需要考慮的問題。
射頻開關和低頻開關的區別
將一個信號從一個頻點轉換到另一個頻點看起來挺容易的,但要達成極低的信號損耗該如何實現呢?設計低頻和直流(DC)信號的開關系統都需要考慮它們特有的參數,包括接觸電位、建立時間、偏置電流和隔離特性等。
高頻信號,與低頻信號類似,需要考慮其特有的參數,它們會影響開關過程中的信號性能,這些參數包括VSWR(電壓駐波比)、插入損耗、帶寬和通道隔離等等。另外,硬件因素,比如端接、連接器類型、繼電器類型,也會極大的影響這些參數。
開關種類和構造
繼電器內的容性是限制開關的信號頻率的常見因素。繼電器的材料和物理特性決定了其構成的內部電容。比如,在超過40GHz的射頻和微波開關中,在機電繼電器中采用了特殊的接觸架構來獲得更好的性能。圖1顯示了一個典型的構造,共同端接位于兩個開關端接之間。所有信號的連接線路都是同軸線,來保證最佳的信號完整性(SI)。在這種情況下,連接器是SMA母頭。對于更加復雜的開關結構,共同端接被各個開關端接以放射狀圍繞。

圖1 – 高頻機電繼電器
一系列復雜的開關拓撲在RF開關中得以采用。矩陣式開關可以實現每個輸入與每個輸出的連接。有兩種類型的矩陣在微波開關架構中得以采用—— blocking和non-blocking架構。一個blocking矩陣可將任意一個輸入和任意一個輸出進行連接,因此其他的輸入和輸出就不能同時連接。這對只需在一個時刻切換到一個信號頻率的應用是一個有效的低成本方案,信號完整性也更好,因為有更少的繼電器路徑,特別是避免了相位延遲的問題。而 non-blocking矩陣允許多個路徑的同時連接,這種架構具有更多的繼電器和線纜,因此靈活性更強,不過價格也更高。

圖2 –單通道blocking矩陣和non-blocking矩陣
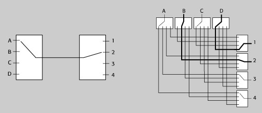
[page]層疊開關架構是多位置開關的一種替代形式。它采用多個繼電器將一個輸入連接到多個輸出。路徑長度(同時決定了相位延遲)是由信號經過的繼電器的數量決定的。

圖3 - 層疊開關架構
樹形架構是層疊開關架構的一種替代。相比層疊架構,對于同等規格的系統,樹形技術需要更多的繼電器,然而,選定的路經和其他不用的路經之間的隔離會更好,這樣降低了繼電器和通道之間的crosstalk。樹形架構具備一些優勢,包括無端接殘余(unterminated stubs),各個通道特性也會相似。然而,在選定路經上具有多個繼電器意味著損耗會更大,信號完整性也令人堪憂。

圖4 – 多重開關(圖示為一個雙重開關)
RF開關卡架構
在測試儀器主機上的RF開關卡應用中,為保證信號完整性,需要理解許多電性能指標。
• Crosstalk是指不同通道上傳送的信號之間或通道上信號與輸出信號之間產生的電容耦合、電感耦合或電磁輻射。一般用特定負載阻抗和特定頻率下的分貝數來描述。
• 插入損耗是信號在開關卡或系統中傳輸時的衰減,用特定頻率范圍的分貝數來表示。當信號低或者噪聲大的時候,插入損耗是相當重要的技術指標。
• 電壓駐波比(VSWR)是對信號在傳送線路上反射的測量,定義為信號路經上駐波的最高電壓幅度與最低電壓幅值之比。
• 信號進行開關、傳輸或者放大處理的一個有限的頻率范圍被稱作帶寬。對于給定的負載條件,帶寬范圍用-3dB(半功率)點定義。
• 隔離是鄰近通道的電壓比例,定義為一個頻率范圍上的分貝數。
[page]
RF開關設計
要設計一個RF開關系統,需要額外考慮一系列關鍵因素。
阻抗匹配——假設開關置于測量儀器和DUT(待測設備)之間,對于幾個系統中的所有的阻抗必須匹配。對于最佳的信號傳輸,源的輸出阻抗應等于開關的特征阻抗、線纜阻抗和DUT的阻抗。在RF測試中,普遍的阻抗級是50或75歐姆。不論要求什么樣的阻抗級,適當的阻抗匹配將會保證整個系統完整性。
輸入VSWR和信號路經VSWR決定了測量的精確程度。
Mismatch Uncertainty(dB) = 20 x log(1 +/- Γsig path * Γinst)
Where Γ = VSWR-1/VSWR +1
如果信號路經輸出和儀器輸入具有很好的VSWR,比如1.3:1,失配不確定性(Mismatch Uncertainty)大概在+/-0.15dB。
終止——在高頻率情況下,所有信號必須被適當終止,否則電磁波會在端接點上被反射,導致VSWR的增加。一個沒有終接的開關在斷開狀態會增加 VSWR,一個開關一般需要提供50歐姆的端接電阻來匹配連通或斷開狀態。VSWR增加后,如果反射部分足夠大,甚至有可能損壞源端。
功率傳輸——另一個重要的考慮是系統從儀器至DUT傳送RF功率的能力。由于插入損耗,信號可能需要放大。一些應用場合,又可能需要減少信號至DUT上的功率。使用放大器或衰減器可保證將精確的信號功率值傳送至開關系統。
信號濾波器——信號濾波器在一些情況下是很有用的,比如噪聲不小心加入到通過開關傳送的信號中的時候。如果原始信號頻率不適合DUT測試頻率,濾波器也很有用。在這種情況下,濾波器可被加到開關中以改變信號帶寬或者濾除不需要的信號頻率。
相位失真——隨著測試系統尺寸的擴大,從相同的信號源出來的信號可能會通過不同的途徑傳送至DUT,導致了相位失真。這個指標通常被稱之為傳輸延遲。對一個給定的傳導介質,延遲是與信號路徑長度成正比的。不同的信號路徑長度將會導致信號相位移動,導致錯誤的測量結果。要減少相位失真,要保證信號路經長度的相同。
總結
討論并理解RF/微波開關系統購建中的各種設計參數有利于保證信號和系統的完整性。



