【導讀】全橋式變壓器開關電源的工作原理與推挽式變壓器開關電源的工作原理是非常接近的,只是變壓器的激勵方式與工作電源的接入方式有點不同,在學習了推挽式變壓器開關電源參數計算后我們再來看看全橋式變壓器開關電源參數計算以及全橋式變壓器開關電源又有什么優缺點吧。
1-8-3-3.全橋式開關電源儲能濾波電感、電容參數的計算
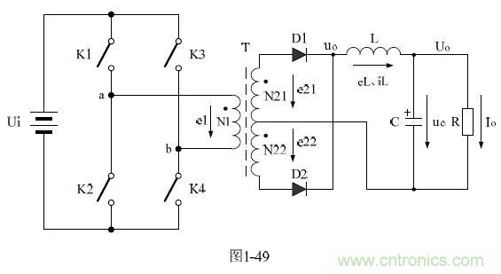
全橋式開關電源儲能濾波電感、電容參數的計算主要是針對如圖1-49 輸出電壓可調的全橋式變壓器開關電源中的儲能濾波電感、電容參數選擇進行計算。實際上,圖1-49 輸出電壓可調的全橋式變壓器開關電源中的儲能濾波電感、電容參數選擇方法,與圖1-33 輸出電壓可調的推挽式變壓器開關電源的儲能濾波電感、電容參數選擇方法是基本相同的,因此,這里只列出計算儲能濾波電感、電容參數的公式,對于詳細分析請參考《1-8-1-3.推挽式變壓器開關電源儲能濾波電感、電容參數的計算》章節的內容。

A)全橋式開關電源儲能濾波電感參數的計算
根據前面分析,以及由圖1-35 可以看出,輸出電壓可調的推挽式變壓器開關電源的兩個控制開關K1、K2 的占空比必須小于0.5,開關電源電源才能正常工作;當要求輸出電壓可調范圍為最大時,占空比最好取值為0.25。此分析結果對于全橋式開關電源同樣有效。
當兩個控制開關K1、K2 的占空比取值均為0.25 時,輸出電壓可調的推挽式變壓器開關電源中的儲能濾波電感L 以及輸出電壓Uo 的計算由(1-144)和(1-145)式決定,即:

(1-144)和(1-145)式既是計算輸出電壓可調的推挽式變壓器開關電源儲能濾波電感和濾波輸出電壓的表達式(D 為0.25 時),也是計算輸出電壓可調的全橋式變壓器開關電源儲能濾波電感和濾波輸出電壓的表達式(D 為0.25 時)。式中:Ui 為全橋式變壓器開關電源輸入電壓,Uo為全橋式變壓器開關電源的輸出電壓,T 為控制開關的工作周期,F 為控制開關的工作頻率,n 為開關電源次級線圈N2 繞組與初級線圈N1 繞組的匝數比。
往期閱讀:
專題:陶顯芳老師30年經驗大分享,開關電源設計那些事兒
http://m.aolaiaolisita.com/special/181
【連載7】陶顯芳老師談開關電源原理與設計
http://m.aolaiaolisita.com/power-art/80021940
【連載8】全橋式變壓器開關電源工作原理
http://m.aolaiaolisita.com/power-art/80022082
[page]
上面(1-144)和(1-145)式的計算結果,只給出了計算輸出電壓可調的全橋式變壓器開關電源儲能濾波電感L 的中間值,或平均值,對于極端情況可以在平均值的計算結果上再乘以一個大于1 的系數。
B)全橋式開關電源儲能濾波電容參數的計算
根據前面分析,以及由圖1-35 可以看出,當兩個控制開關K1、K2 的占空比取值均為0.25 時,輸出電壓可調的推挽式變壓器開關電源中的儲能濾波電容C 參數的計算由(1-149)式決定,即:

(1-149)式中:Io 是流過負載的電流,T 為控制開關K1 和K2 的工作周期,ΔUP-P 為輸出電壓的波紋電壓。波紋電壓ΔUP-P 一般都取峰-峰值,所以波紋電壓正好等于電容器充電或放電時的電壓增量,即:ΔUP-P = 2ΔUc
(1-149)式,雖然是計算輸出電壓可調的推挽式變壓器開關電源儲能濾波電容的公式(D = 0.25時),但對于輸出電壓可調的全橋式變壓器開關電源中的儲能濾波電容的計算同樣有效。
同理,(1-149)式的計算結果,只給出了計算全橋式變壓器開關電源儲能濾波電容C 的中間值或平均值,即控制開關工作于占空比D 為0.25 時的情況,對于極端情況可以在平均值的計算結果上再乘以一個大于1 的系數。
1-8-3-4.全橋式開關變壓器參數的計算
全橋式變壓器開關電源的工作原理與推挽式變壓器開關電源的工作原理是非常接近的,只是變壓器的激勵方式與工作電源的接入方式有點不同;因此,用于計算推挽式變壓器開關變壓器初級線圈N1 繞組匝數的數學表達式,同樣可以用于全橋式變壓器開關變壓器初級線圈N1 繞組匝數的計算。
A)全式開關變壓器初級線圈匝數的計算
全橋式變壓器開關電源與推挽式開關電源一樣,也屬于雙激式開關電源,因此用于全橋式開關電源的變壓器鐵心的磁感應強度B,可從負的最大值-Bm,變化到正的最大值+Bm,并且變壓器鐵心可以不用留氣隙。全橋式開關變壓器的計算方法與前面推挽式開關變壓器的計算方法基本相同,根據推挽式開關變壓器初級線圈匝數計算公式(1-150)和(1-151)式:

上面(1-150)和(1-151)式,雖然是用來計算推挽式變壓器開關變壓器初級線圈N1 繞組匝數的公式,但對于全橋式變壓器開關變壓器初級線圈匝數的計算同樣有效。
(1-150)和(1-151)式中,N1 為變壓器初級線圈N1 繞組的最少匝數,S 為變壓器鐵心的導磁面積(單位:平方厘米),Bm 為變壓器鐵心的最大磁感應強度(單位:高斯);Ui 為開關電源的工作電壓,即加到變壓器初級線圈N1 繞組兩端的電壓,單位為伏;τ = Ton,為控制開關的接通時間,簡稱脈沖寬度,或電源開關管導通時間的寬度(單位:秒);
[page]
F 為工作頻率,單位為赫芝,一般雙激式開關變壓器工作于正、反激輸出的情況下,其伏秒容量必須相等,因此,可以直接用工作頻率來計算變壓器初級線圈N1 繞組的匝數;F 和τ 取值要預留20%左右的余量。式中的指數是統一單位用的,選用不同單位,指數的值也不一樣,這里選用CGS 單位制,即:長度為厘米(cm),磁感應強度為高斯(Gs),磁通單位為麥克斯韋(Mx)。
B)交流輸出全橋式開關變壓器初、次級線圈匝數比的計算
全橋式變壓器開關電源如果用于DC/AC 或AC/AC 逆變電源,即把直流逆變成交流,或把交流整流成直流后再逆變成交流,這種逆變電源一般輸出電壓都不需要調整,工作效率很高。請參考圖1-47。
用于逆變的全橋式變壓器開關電源一般輸出電壓uo 都是占空比等于0.5 的方波,由于方波的波形系數(有效值與半波平均值之比)等于1,因此,方波的有效值Uo 與半波平均值Upa 相等,并且方波的幅值Up 與半波平均值Upa 也相等。所以,只要知道輸出電壓的半波平均值就可以知道有效值,再根據半波平均值,就可以求得半橋式開關變壓器初、次級線圈匝數比。
根據前面分析,全橋式變壓器開關電源的輸出電壓uo,主要由開關變壓器次級線圈輸出的正激電壓來決定。因此,根據(1-182)、(1-183)式就可以出全橋式變壓器開關電源的輸出電壓的半波平均值。由此求得全橋式逆變開關變壓器初、次級線圈匝數比:

(1-188)式就是計算全橋式逆變開關變壓器初、次級線圈匝數比的公式。式中,N1 為變壓器初級線圈N1 繞組的匝數,N2 為變壓器次級線圈的匝數,Uo 輸出電壓的有效值,或平均值,Ui 為直流輸入電壓,Upa 輸出電壓的半波平均值。
(1-188)式還沒有考慮變壓器的工作效率,當把變壓器的工作效率也考慮進去時,最好在(1-188)式的右邊乘以一個略大于1 的系數。
C)直流輸出電壓非調整式全橋開關變壓器初、次級線圈匝數比的計算
直流輸出電壓非調整式全橋開關電源,就是在DC/AC 逆變電源的交流輸出電路后面再接一級整流濾波電路,請參考1-48。這種直流輸出電壓非調整式全橋開關電源的兩組控制開關K1 和K4、K2 和K3 的占空比與DC/AC 逆變電源一樣,一般都是0.5,整流輸出電壓的有效值Uo 與半波平均值Upa 基本相等。因此,直流輸出電壓非調整式全橋開關變壓器初、次級線圈匝數比可直接利用(1-188)式來計算。即:

同樣,在低電壓、大電流輸出的情況下,一定要考慮變壓器的工作效率以及整流二極管的電壓降和4 個開關器件接通時的電壓降。
[page]
D)直流輸出電壓可調整式全橋開關變壓器初、次級線圈匝數比的計算
直流輸出電壓可調整式全橋開關電源的功能就要求輸出電壓可調,因此,全橋式變壓器開關電源的兩組控制開關K1、K4 和K2、K3 的占空比必須要小于0.5;因為全橋式變壓器開關電源正反激兩種狀態都有電壓輸出,所以在同樣輸出電壓(平均值)的情況下,兩組控制開關K1、K4 和K2、K3 的占空比相當于要小一倍。當要求輸出電壓可調范圍為最大時,占空比最好取值為0.25。
根據(1-140)和(1-145)式可求得:

(1-189)(1-190)式就是計算直流輸出電壓可調整式全橋開關變壓器初、次級線圈匝數比公式。式中,N1 為變壓器初級線圈的最少匝數,N2 為變壓器次級線圈的匝數,Uo 為直流輸出電壓,Ui 為開關電源的工作電壓。
1-8-3-5.全橋式變壓器開關電源的優缺點
全橋式變壓器開關電源與推挽式變壓器開關電源一樣,由于兩組開關管輪流交替工作,相當于兩個開關電源同時輸出功率,其輸出功率約等于單一開關電源輸出功率的兩倍。因此,全橋式變壓器開關電源輸出功率很大,工作效率很高,經橋式整流或全波整流后,其輸出電壓的電壓脈動系數Sv 和電流脈動系數Si 都很小,僅需要一個很小值的儲能濾波電容或儲能濾波電感,就可以得到一個電壓紋波和電流紋波都很小的輸出電壓。
[page]
全橋式變壓器開關電源最大的優點是,對4 個開關器件的耐壓要求比推挽式變壓器開關電源對兩個開關器件的耐壓要求可以降低一半。因為,全橋式變壓器開關電源4 個開關器件分成兩組,工作時2 個開關器件互相串聯,關斷時,每個開關器件所承受的電壓,只有單個開關器件所承受電壓的一半。其最高耐壓等于工作電壓與反電動勢之和的一半,這個結果正好是推挽式變壓器開關電源兩個開關器件耐壓的一半。
全橋式變壓器開關電源主要用于輸入電壓比較高的場合,在輸入電壓很高的情況下,采用全橋式變壓器開關電源,其輸出功率要比半橋式變壓器開關電源的輸出功率大很多。因此,一般電網電壓為交流220 伏供電的大功率開關電源大部分都是使用全橋式變壓器開關電源。而在輸入電壓較低的情況下,推挽式變壓器開關電源的輸出功率又要比全橋式變壓器開關電源的輸出功率大很多。
全橋式變壓器開關電源的電源利用率比推挽式變壓器開關電源的電源利用率低一些,因為2 組開關器件互相串聯,兩個開關器件接通時總的電壓降要比單個開關器件接通時的電壓降大一倍;但比半橋式變壓器開關電源的電源利用率高很多。因此,全橋式變壓器開關電源也可以用于工作電源電壓比較低的場合。
與半橋式開關電源一樣,全橋式變壓器開關電源的變壓器初級線圈只需要一個繞組,這也是它的優點,這對小功率開關變壓器的線圈繞制多少帶來一些方便。但對于大功率開關變壓器的線圈繞制沒有優勢,因為,大功率開關變壓器的線圈需要用多股線來繞。
全橋式變壓器開關電源的缺點主要是功率損耗比較較大,因此,全橋式變壓器開關電源不適宜用于工作電壓較低的場合,否則工作效率會很低。另外,全橋式變壓器開關電源中的4 個開關器件連接沒有公共地,與驅動信號連接比較麻煩。
全橋式開關電源最大的缺點是,當兩組控制開關K1、K4 和K2、K3 處于交替轉換工作狀態的時候,4 個開關器件會同時出現一個很短時間的半導通區域,即兩組控制開關同時處于接通狀態。
這是因為開關器件在開始導通的時候,相當于對電容充電,它從截止狀態到完全導通狀態需要一個過渡的過程;而開關器件從導通狀態轉換到截止狀態的時候,相當于對電容放電,它從導通狀態到完全截止狀態也需要一個過渡的過程。
當兩組開關器件分別處于導通和截止過渡過程時,即兩組開關器件都處于半導通狀態時,相當于兩組控制開關同時接通,它們會造成對電源電壓產生短路;此時,在4 個控制開關的串聯回路中將出現很大的電流,而這個電流并沒有通過變壓器負載。因此,在4 個控制開關K1、K4 和K2、K3 同時處于過渡過程期間,4 個開關器件將會產生很大的功率損耗。為了降低控制開關過渡過程產生的損耗,一般在全橋式開關電源電路中,都有意讓兩組控制開關的接通和截止時間錯開一小段時間。
相關閱讀:
工程師實戰經驗(二):PSR開關電源設計之EMC設計技巧
http://m.aolaiaolisita.com/emc-art/80022039
PCB布局該這么做!150W LED驅動電源拆解學習
http://m.aolaiaolisita.com/power-art/80021947
由簡到難,大師教你一步一步設計開關電源
http://m.aolaiaolisita.com/power-art/80021972
大牛獨創(五):反激式開關電源設計方法及參數計算
http://m.aolaiaolisita.com/power-art/80021975


