【導讀】某系統中使用了三路串行接口的傳感器(GPS、壓力和風向)及三路模擬電流(4~20mA)接口的傳感器(濕度、溫度和水位)。現需要將這些數據匯總后通過串口上傳給PC機,并且要求每路信號數據都能夠實時獨立的接收。
1. 問題的提出
某系統中使用了三路串行接口的傳感器(GPS、壓力和風向)及三路模擬電流(4~20mA)接口的傳感器(濕度、溫度和水位)。現需要將這些數據匯總后通過串口上傳給PC機,并且要求每路信號數據都能夠實時獨立的接收。
2.系統設計
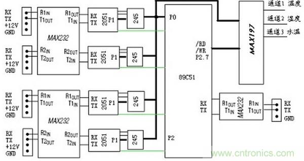
經過分析,我們分別使用一塊2051單片機接收各路串口傳感器的數據,同時使用一塊多路高精度ADC對轉換成電壓的溫度等信號采樣,系統結構圖如圖1所示。主從機之間的具體管腳連接參見圖2。

圖1.系統結構框圖
系統中51單片機作為主機控制著整個系統的動作并發起每次通信,每塊2051作為實時從傳感器獲取數據并在主機控制下完成通信。主機和各從機之間通過并口連接通信。主從機工作流程如下:
· 主機上電初始化后,通過P0口發送從機地址選中一路從機并等待應答。
· 各從機上電初始化后接收傳感器串行數據,然后通過P1口接收主機地址,當地址與自己相符后,調整245方向并由245向主機發送傳感器數據,此過程由握手線負責控制。
· 從機發送完所有數據后再次將245方向改為接收,重新開始接收傳感器數據和主機發送的地址。
· 主機按照同樣方式接收所有各路2051數據。
· 串口數據接收完畢后,主機控制AD轉換并獲取三路信號數據。
· 主機將所有數據集合成規定格式后通過232發送給PC機。
主從機的工作流程圖如圖3所示:

圖2.主從機間的管腳連接

圖3.主從機工作流程圖
主要程序代碼分別如下,主機為:
……
sbit adc_busy=P3^2;
sbit adc_hben=P3^3;
sbit hand1=P2^0;//GPS
sbit hand2=P2^1;//PRESSURE
sbit hand3=P2^2;//WIND
sbit hand4=P2^3;//BAK1
uchar idata gps[96];
uchar idata pressure[9];
uchar idata wind[26];
uchar idata tem[6];
uchar idata hum[6];
uchar idata water_tem[7];
……
P1=0x01;
for(i=0;i《96;i++){
while(hand1!=0);
gps[i]=P1;
while(hand1==0);
}
sendbyte2pc(’#’);
sendbyte2pc(’#’);
sendbyte2pc(’1’);
sendbyte2pc(’ ’);
sendbyte2pc(’ ’);
send2pc(gps,96);
……
從機為:
……
sbit dir=P3^2;
sbit en=P3^3;
sbit hand=P3^4;
……
loop:
RI=0;i=0;
while(!RI);//wait for receiving ready
if (SBUF!=0x40)//data head
goto loop;
data_str[i]=0x40;i++;
RI=0;
while(!RI);//wait for receiving ready
if (SBUF!=0x40)//data head
goto loop;
data_str[i]=0x40;i++;
do{
RI=0;
while(!RI);
data_str[i]=SBUF;
i++;
}
while(i!=96);
dir=0;en=0;//enable data receiving P1=0xff;
for(i=0;i《100;i++){
if(P1==0x01)
goto send;
}
en=1;
goto loop;
send:
for(i=0;i《96;i++){
dir=1;
P1=data_str[i];
hand=0;
for(j=0;j《5;j++){;}
hand=1;
}
en=1;dir=0;
goto loop;
……
3.結語
本文中提出的并行通信方法具有電路結構簡單清晰、程序容易實現等特點,已經在實際中證明可行。在調試過程中可以借用串口助手等軟件接收數據來驗證通信的可靠性。



