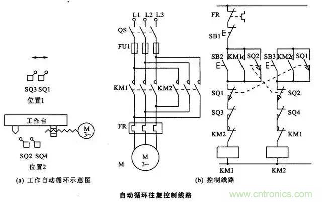
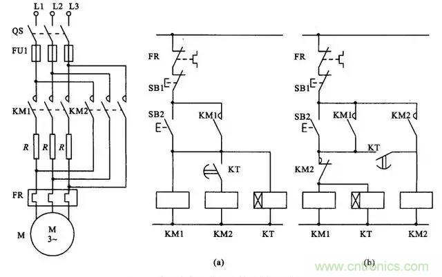
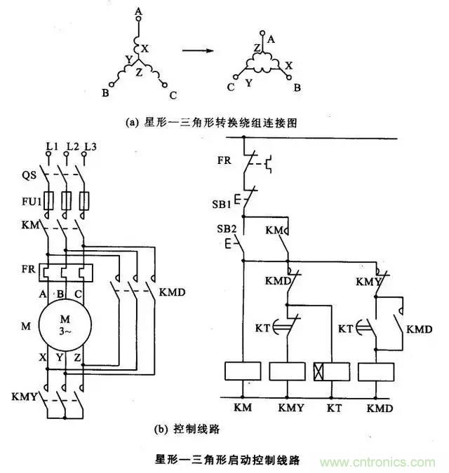
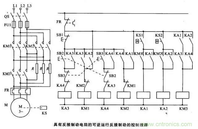
【導讀】今天送給大家一些我收集的各類電氣控制接線圖,電子元件工作原理圖,還有可控硅整流電路及負反饋調速裝置原理等等。
今天送給大家一些我收集的各類電氣控制接線圖,電子元件工作原理圖,還有可控硅整流電路及負反饋調速裝置原理等等。

































發布時間:2019-10-10 責任編輯:lina
今天送給大家一些我收集的各類電氣控制接線圖,電子元件工作原理圖,還有可控硅整流電路及負反饋調速裝置原理等等。

































我愛方案網 ICGOO元器件商城 創芯在線檢測 芯片查詢 天天IC網 電子產品世界 無線通信模塊 控制工程網 電子開發網 電子技術應用 與非網 世紀電源網 21ic電子技術資料下載 電源網 電子發燒友網 中電網 中國工業電器網 連接器 礦山設備網 工博士 智慧農業 工業路由器 天工網 乾坤芯 電子元器件采購網 亞馬遜KOL 聚合物鋰電池 工業自動化設備 企業查詢 工業路由器 元器件商城 連接器 USB中文網 今日招標網 塑料機械網 農業機械 中國IT產經新聞網 高低溫試驗箱
關閉
關閉