【導讀】二極管的電流與電壓特性可以使用ADALM2000模塊和以下連接來測量。藍色方框表示ADALM2000板的連接位置。在面包板搭建電路,波形發生器的輸出W1連接到電阻的一端。2+示波器輸入也連接到此處。電阻的另一端連接到二極管的一端,如圖1所示。2-示波器輸入和1+示波器輸入連接到電阻的第二端。二極管的另一端和1-示波器輸入連接到地。
目標
本次實驗的目的是研究二極管(PN結)的電流與電壓特性。
子分類:
● 2a. 半波整流器
● 2b. 全波整流器
● 2c. 橋式整流器
● 2d. 限幅器/箝位電路
● 2e. 交流耦合和直流恢復
● 2f. 可變衰減器
● 2g. 絕對值電路
● 2h. 電壓倍增器電路
材料
● ADALM2000主動學習模塊
● 面包板
● 一個電阻(1 kΩ或1 kΩ至5 kΩ的范圍的電阻值)
● 一個小信號二極管(1N914或類似元件))
指導
二極管的電流與電壓特性可以使用ADALM2000模塊和以下連接來測量。藍色方框表示ADALM2000板的連接位置。在面包板搭建電路,波形發生器的輸出W1連接到電阻的一端。2+示波器輸入也連接到此處。電阻的另一端連接到二極管的一端,如圖1所示。2-示波器輸入和1+示波器輸入連接到電阻的第二端。二極管的另一端和1-示波器輸入連接到地。

圖1. 二極管I/V曲線的連接圖
硬件設置
波形發生器配置為100 Hz三角波,幅度為6 V,偏移為0 V。示波器通道2的差分輸入(2+、2-)用于測量電阻(和二極管)中的電流。示波器通道1的單端輸入(1+)用于測量二極管兩端的電壓(1-輸入可以接地)。示波器通道1設置為每格500 mV,通道2也設置為每格500 mV。流過二極管 ID 的電流是通道2測得的電壓除以電阻值(本例中為1kΩ)的結果。使用XY顯示模式在x軸上繪制二極管兩端的電壓(示波器通道1),在y軸上繪制二極管中的電流(示波器通道2)。

圖2.電流與電壓,線性坐標系.
步驟

圖3.電流與電壓(線性坐標系使用Scopy繪圖)

圖4. 電流與電壓(線性坐標系使用Excel繪圖)
將捕獲的數據加載到Excel等電子表格程序中,計算二極管電流 ID。繪制電流與二極管兩端電壓的曲線。二極管電壓和電流的關系是對數式的。如果在對數坐標系上繪制,結果應為直線,如圖5所示。

圖5. 電流與電壓,對數坐標系
問題
給定二極管兩端的電壓 ID ,二極管電流 VD的數學表達式是什么?
二極管特性的進一步探討
測量多個1N914二極管在固定 VD時的二極管特性 ID, ADALP2000模擬器件套件中應該有四個二極管,您可以請求與實驗室伙伴交 換,獲得更多樣品。計算測量結果的平均值和變異系數(CV,定義為標準偏差除以平均值的百分比)。討論您觀測到的變化量,這常常是半導體工程師所說的工藝偏差的測量指標。
用發光二極管(LED)替換1N914二極管。ADALP2000模擬器件套件中應當有紅光、黃光、綠光和紅外LED。給定二極管兩端的電壓 ID時,LED的二極管電流 VD 的數學表達式是否與1N914相似?它們在什么方面相似,在什么方面不同?紅光、黃光和綠光LED是否以相同的正向電壓開啟?
2a. 半波整流器
目標
本次實驗的目的是研究二極管作為半波整流器的用途。
材料
● 一個電阻(4.7 kΩ或其他類似值)
● 一個小信號二極管(1N914或類似元件)
指導
設置面包板,波形發生器輸出W1連接到二極管的一端。二極管的另一端連接到負載電阻的一端,如圖6所示。負載電阻的另一端接地。示波器通道2的單端輸入(2+)也連接到電阻的未接地端(2-輸入可以接地)。

圖6. 半波二極管整流器的連接圖
硬件設置
波形發生器配置為100 Hz正弦波,幅度為6 V,偏移為0 V。示波器通道2 (2+)用于測量負載電阻RL兩端的電壓。兩個示波器通道均應設置為每格500 mV。

圖7.半波二極管整流器面包板電路
步驟
使用Scopy工具中的示波器功能繪制這兩個波形。

圖8. 半波整流波形
問題
為什么整流輸出的峰值小于交流輸入的峰值?小多少?在輸入波形的什么位置整流波形變為正(零點以外的位置)?如果二極管的方向反轉會發生什么?將二極管的方向反轉并重復實驗。
進一步探索
用發光二極管代替1N914二極管。您可能需要將AWG1幅度增加到10 V,以適應LED的更高正向壓降。
1. 整流輸出波形與之前使用1N914二極管的結果相比如何?正偏壓降提高多少?
2. 用三種不同的波形做實驗,波形發生器保持設置為100 Hz,注意LED的亮度。討論您觀察到的波形和亮度,并將這些觀察結果與您測得的每個波形的有效直流值聯系起來。
3. 降低波形發生器頻率,將頻率設置為0.2 Hz(每五秒一個周期)。當波形發生器頻率為1 Hz或更低時,討論每種波形(共三種)所對應的LED光強度。
4. 閃爍的LED在什么頻率停止閃爍,開始持續發光?
2b. 全波整流器
目標
本次實驗的目的是研究兩個二極管作為全波整流器的用途。
材料
● 一個電阻(4.7 kΩ或其他類似值)
● 兩個小信號二極管(1N914或類似元件)
指導
設置面包板,W1連接到第一個二極管D1的一端,W2連接到第二個二極管D2的一端。兩個二極管應朝向相同方向。每個二極管的另一端連接到負載電阻的一端,如圖9所示。電阻的另一端接地。示波器通道2的單端輸入(2+)連接到電阻和兩個二極管的接合點。

圖9.全波二極管整流器的連接圖
硬件設置
第一路波形發生器W1應配置為100 Hz正弦波,幅度為6 V,偏移為0 V。第二路波形發生器W2也應配置為100 Hz正弦波,幅度為6 V,偏移為0 V,但相位設置為180°。示波器通道2的單端輸入(2+)用于測量負載電阻兩端的電壓。兩個示波器通道均應設置為每格500 mV。

圖10. 全波二極管整流器面包板電路
步驟
使用Scopy工具提供的示波器繪制這兩個波形。如果交流輸入的0°和180°相位設置無誤,那么第二個二極管可以填補輸入缺失的半波,產生全波整流信號,如圖11所示。同樣,二極管的正向電壓是很明顯的,并且輸出波形在過零處不會出現尖點,原因是二極管的導通電壓非零。

圖11. 全波整流波形
問題
如果二極管的方向反轉會發生什么?將兩個二極管的方向均反轉并重復實驗。
如果一個二極管的方向與另一個二極管的方向相反會發生什么?將一個二極管的方向反轉并重復實驗。
如何從單個信號源產生0°和180°相位(例如變壓器)?
進一步探索
用紅光和綠光LED替換D1和D2。將波形發生器的幅度增加到10 V(以適應LED的更高的導通電壓)。將頻率降至5 Hz或更低。這兩個LED是否同時開啟?
1. 整流輸出波形與之前使用1N914二極管的結果相比如何?正偏壓降提高多少?
2. 用三種不同的波形做實驗,波形發生器設置為100 Hz,注意LED的亮度。討論您觀察到的波形和亮度,并將這些觀察結果與您測得的每個波形的有效直流值聯系起來。
3. 降低波形發生器頻率,將頻率設置為0.2 Hz(每五秒一個周期)。當波形發生器頻率為1 Hz或更低時,討論每種波形(共三種)所對應的LED光強度。
4. 閃爍的LED在什么頻率停止閃爍,開始持續發光?
2c.橋式整流器
目標
本次實驗的目的是研究四個二極管作為橋式整流器的用途。
材料
● 一個電阻(4.7 kΩ或其他類似值)
● 四個小信號二極管(1N914或類似元件)
指導
四個二極管可以按橋式配置排列,以便從單一交流相位提供全波整流,如圖12所示。但是,可以看到交流輸入端和負載端只能有一個連接在參考地上。

圖12. 二極管橋式整流器的連接圖
硬件設置
T波形發生器應配置為100 Hz正弦波,幅度為6 V,偏移為0 V。示波器通道2(2+、2-)用于測量負載電阻RL兩端的電壓。兩個示 波器通道均應設置為每格500 mV。

圖13.二極管橋式整流器面包板電路
步驟
使用Scopy工具提供的示波器繪制這兩個波形。該電路的缺點是,現在有兩個二極管壓降與負載串聯,使得整流輸出的峰值比交流輸入小1.2V,而不是之前電路中的0.6 V。

圖14. 全波橋式整流器波形
問題
您將如何重新配置此電路以使負載電阻的一端接地,而不是像圖8顯示的那樣——交流源的一端接地?
進一步探索
用紅光和綠光LED替換所有四個二極管D1、D2、D3和D4。將波形發生器的幅度增加到10 V(以適應LED的更高導通電壓)。將 頻率降至5 Hz或更低。是否有兩個LED同時開啟?如果有,是哪兩個?
1. 整流輸出波形與之前使用1N914二極管的結果相比如何?正偏壓降提高多少?
用三種不同的波形做實驗,波形發生器設置為100Hz,注意LED的亮度。討論您觀察到的波形和亮度,并將這些觀察結果與您測得的每個 2. 波形的有效直流值聯系起來。
3. 降低波形發生器頻率,將頻率設置為0.2Hz(每五秒一個周期)。當波形發生器頻率為1Hz或更低時,討論每種波形(共三種)所對應的LED光強度。
4. 閃爍的LED在什么頻率停止閃爍,開始持續發光?
2d. 限幅器/箝位電路
目標
本次實驗的目的是研究二極管作為限幅或箝位電路的用途。
M材料
● 一個10 kΩ電阻(或其他類似值)
● 兩個小信號二極管(1N914或類似元件)
指導
設置面包板,波形發生器輸出(W1)連接到10 kΩ電阻的一端,如圖15所示。一個二極管(D1)連接在10 kΩ電阻的另一端與第二路 函數發生器的輸出之間。第二個二極管D2連接在地和D1的頂部之間,如圖所示。示波器通道2 (2+)連接到電阻和兩個二極管的公共連接處。

圖15. 二極管箝位的連接圖
硬件設置
第一路波形發生器應配置為100 Hz正弦波,幅度為6 V,偏移為0 V。第二路波形發生器應配置0 V幅度,起始偏移為0 V。稍后將 改變第二路波形發生器的偏移,觀察其對輸出信號的影響。示波器通道2 (2+)用于測量箝位/限幅電壓,應設置為每格500 mV。

圖16. 二極管箝位面包板電路
步驟
將第二路波形發生器w2的直流偏移值設置為零,觀察示波器通道2 (2+)上顯示的電壓的最小值和最大值。在-2 V和+2 V之間調 整第二路波形發生器w2的直流偏移,觀察示波器上顯示的最小和最大電壓。反轉兩個二極管D1和D2的方向。重復調節直流偏移,觀察示波器上顯示的最小和最大電壓。兩組測量結果相比如何?

圖17. 二極管箝位波形
問題
如果兩個二極管D1和D2均連接到第二路信號發生器輸出,電壓限值會發生什么變化?
2e. 交流耦合和直流恢復
目標
本次實驗的目的是研究交流耦合以及二極管作為直流恢復電路的用途。許多信號包含直流分量。這種直流分量常常要被移除,在之后的信號路徑中可能會恢復為不同的直流電平。
材料
● 一個1.0μF電容(或其他類似值)
● 一個小信號二極管(1N914或類似元件)
指導
設置面包板,W1連接到1.0μF電容的一端,如圖18所示。二極管(D1)連接在1.0μF電容的另一端和第二路波形發生器W2的輸出之間。示波器通道2的單端輸入(2+)連接到電容和二極管的公共連接處。

圖18.直流恢復電路的連接圖
硬件設置
第一個波形發生器配置為1 kHz正弦波,幅度為2 V,起始偏移為0 V。稍后將改變偏移量,觀察其對輸出的影響。第二個波形發生器幅度配置為0 V,起始偏移為0 V。稍后將改變偏移量,觀察其對輸出的影響。示波器通道2 (2+)用于測量電壓,應設置為每格500 mV。

圖19. 直流恢復面包板電路
步驟
使用Scopy工具提供的示波器繪制這兩個波形。

圖20. 直流恢復波形
用10 kΩ電阻替換電路中的二極管D1。使用示波器上的測量選項卡,當波形發生器通道1的偏移在-1 V和+1 V之間變化時,讀取并記錄通道2 (2+)的正負峰值和平均值?,F在將波形發生器通道 1設置為方波,幅度值同樣為2 V。同之前一樣,當方波的占空比在10%和90%之間變化時,讀取并記錄正負峰值和平均值?,F在移除10 kΩ電阻,將二極管D1放回原位。重復剛才使用電阻進行的相同測量,調整直流偏移和占空比。測量結果相比如何?反轉二極管D1的方向,再次重復這些測量。測量結果與前兩次相比如何?
問題
當D1的方向反轉時發生了什么?對于第二路波形發生器(W2)的輸出,設置不同直流值有何影響?
2f. 可變衰減器
目標
本次實驗的目標是使用二極管構建、表征和分析小信號可變衰減器。
材料
● 一個2.2 kΩ電阻
● 一個4.7 kΩ電阻
● 一個10 kΩ電阻
● 一個5 kΩ可變電阻、電位計
● 兩個0.1μF電容
● 一個小信號二極管(1N914或類似元件)
指導
設置面包板,第一個波形發生器連接到0.1μF電容的一端,如圖21所示。電阻R1連接在C1的第二端與D1、R2、C2的接合點之間。D1的另一端接地。電阻R2的第二端連接到電位計R3的滑動端。R3的兩端分別連接到地和Vp (5V)。示波器通道2 (2+)連接到電容C2和負載電阻R4的公共連接處。

圖21.可變衰減器的連接圖
硬件設置
波形發生器W1配置為10 kHz正弦波,幅度為200 mV(或更小),偏移設置為0 V。示波器通道1+設置為每格100 mV,R4處連接的 示波器通道2+設置為每格100 mV。設置測量選項卡以顯示通道1峰峰值和通道2峰峰值。

圖22.可變衰減器面包板電路
步驟
使用Scopy工具提供的示波器繪制這兩個波形。

圖23.可變衰減器波形
TC1(和C2)的作用是阻止直流分量進入輸入和輸出電路,使得二極管的工作點不受影響。衰減器使用了如下原理:二極管的小信號電阻 ID是二極管中流過的直流電流ID的函數。參見公式1。
其中:
n為二極管面積(尺寸)比例系數
VT 為熱電壓
ID 為二極管電流
k 為玻爾茲曼常數
q為電子電荷
T為絕對溫度
在電路中,R1和D1的電阻之間設置了一個分壓器。通過改變R2中的電流來改變D1中的電流。當D1中的電流很小時, rD 很大,輸出端看到的輸入信號比例很大。隨著D1中的電流增加,其電阻減小,輸出端看到的輸入部分減少。
問題
在不造成輸出信號失真的情況下,您可以使用的最大輸入信號電平是多少?什么電路參數決定輸入信號的上限?
2g. 絕對值電路
目標
本次實驗的目的是研究絕對值電路。整流器或絕對值電路常常用作檢波器,以將交流信號的幅度轉換為更容易測量的直流值。對于此類電路,交流信號首先進行高通濾波以去除任何直流成分,然后進行整流,可能還會進行低通濾波。正如我們在用二極管構建的簡單整流電路中所看到的那樣,該電路對幅度小于二極管壓降(硅二極管為0.6 V)的信號反應不佳。因此,它不適合用于要測量小幅度信號的設計。對于需要高精度的設計,運算放大器可與二極管配合使用來構建精密整流器。
材料
● 一個雙通道運算放大器(ADTL082或類似產品)
● 五個10 kΩ電阻
● 兩個小信號二極管(1N914或類似元件)
● 兩個4.7μF解耦電容
指導
通過增加兩個二極管,可將反相運算放大器電路改造為理想、(線性精密)半波整流器,如圖24所示。對于輸入的負半部分,二極管D1反偏,二極管D2正偏,電路作為常規反相器工作,增益為-1。對于輸入的正半部分,二極管D1正偏,使放大器周圍的反饋閉合。二極管D2反偏,斷開輸出與放大器的連接。通過10 kΩ電阻,輸出將處于虛地電位(負輸入端)。

圖24. 精密半波整流器的連接圖

圖25.精密半波整流器面包板電路
步驟
如圖26所示,整流輸出的峰值現在等于輸入的峰值。當輸入過零時,也會出現急劇轉變。實驗者可以研究電路中不同點的波形,解釋為什么這個電路比簡單的二極管半波整流器更好。

圖26. 精密半波整流器波形
指導
圖27所示的電路是一個絕對值電路,常常稱其為精密全波整流器。它應當像一個由理想二極管構建的全波整流電路那樣工作(正向導通時,二極管兩端的電壓等于0 V)。電路中實際使用的二極管會有大約0.6 V的正向電壓。

圖27.絕對值電路的連接圖

圖28. 絕對值面包板電路
步驟
對于此實驗練習,您應當:
a. 研究電路并弄懂其工作原理。有一個非?;镜母拍顟撚兄诶斫獯穗娐返墓ぷ髟?。給定一個配置為負反饋的運算放大器,反相和同相輸入端會試圖達到相同的電壓電平,這常常被稱為虛短路。
b. 計劃一些測試方案,看看這個電路是否確實是絕對值電路。執行這些測試,完整記錄所有測試和結果。
c. 設置輸入信號為1 kHz的6 V正弦波。仔細測量并記錄電路中所有節點的電壓。

圖29. 絕對值波形
問題
通過完整記錄所有測試和結果來匯報您的實驗
2h. 電壓倍增器電路
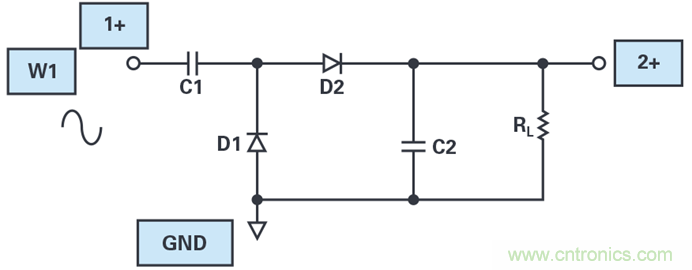
在負載電流相對較小且所需直流電壓高于系統電源可提供電壓的情況下,電壓倍增器非常有用。

圖30.電壓倍增器電路的連接圖。
此電路的工作原理不像之前研究過的二極管整流電路那么簡單。為了理解這個電路,我們需要在W1提供的交流輸入的連續半周期期間觀察它。我們將從假設使用理想器件開始,C1 = C2。
1. 在第一個負半周期中,D1正偏,將C1的右端保持在比地低一個二極管壓降的電平。因此,C1將充電到幾乎等于交流輸入峰值電壓 (vPEAK)的電壓,其左端相對于地為負。
2. 在接下來的正半周期中,D1反偏,不會傳導電流。C1上的電壓將增加到交流輸入電壓上,因此D2的左端會出現約2 VPEAK 的電壓。由于C2根本沒有充電,所以這將使D2正偏,并允許C1右端的電壓施加到C2的頂部。當C1放電時,C2充電,直到兩個電容不再能使D2正偏。對于第一個正半周期,C2上的電壓等于 VPEAK, C1完全放電,因此D2左端的所有電壓都來自交流輸入。
3. 在下一個負半周期,C1通過D1再次充電至 VPEAK。如果沒有負載來給C2放電,其輸出將保持在 +VPEAK。
4. 如果沒有負載來給C2放電,其輸出將保持在 +VPEAK,而D2左端電壓再次為 +2 VPEAK。同樣,C1將其部分電荷轉移到C2,但這次是在C2充電到 +1.5 VPEAK電壓時停止。
5. 此操作一個周期一個周期地持續進行,C1在每個負半周期完全充電至 VPEAK K,然后將C2充電至其起始電壓和 +2 VPEAK之間的中間電壓。C2永遠不會充電到 +2 VPEAK, 但會非常接近。
對于非理想元件,當正偏時,每個二極管上有很小(0.6 V)的電壓降。這會降低倍增器的最大空載輸出電壓。此電路上的任何負載(例如RL)總是從C2汲取電流,從而會在一定程度上給該電容放電。在每個正半周期,C1將對C2充電,從其在中間半周期開始時的電壓一直充電到 +2 VPEAK。輸出上的紋波將更大,平均直流值將更低。
請注意,該電路的輸出電流容量僅為普通整流電路的電流容量的一半。從電壓倍增器獲得的任何額外負載電流都會導致C2以更快速度放電,從而降低輸出電壓。永遠不可能從電壓倍增器中獲得比輸入更多的功率。
如果C1大于C2,C2的充電和再充電速度可以更快。例如,如果C1 =10μF且C2 =1μF,那么在每個正半周期,C1將把更多電荷轉 移到C2,C2上電壓的提升速度將比C1上電壓的下降速度快得多。當然,這也意味著輸出電流容量更加有限,因為C2將迅速放電和充電。

圖31. 電壓倍增器面包板電路
步驟
使用Scopy工具提供的示波器繪制這兩個波形。

圖32.電壓倍增器波形
問題
圖30中的電路產生正向直流輸出電壓。如何重新配置以產生負輸出電壓?構建電壓逆變器并重復實驗/仿真。
您可以在 學子專區博客上上找到問題答案。
推薦閱讀:


