【導讀】運算放大器的設計可以分為兩個較為獨立的步驟,第一步是選擇或搭建運放的基本結構,繪出電路結構草圖,第二步就要選擇直流電流,手工設計管子尺寸,以及設計補償電路等等,然后在手工計算的基礎上,運用模擬電路仿真軟件對設計的兩級運放進行仿真,并對電路進行后續的調試和修改。
運算放大器(簡稱運放)是許多模擬系統和混合信號系統中的一個完整部分。各種不同復雜程度的運放被用來實現各種功能:從直流偏置的產生到高速放大或濾波。伴隨者每一代 CMOS 工藝,由于電源電壓和晶體管溝道長度的減小,為運放的設計不斷提出復雜的課題。
兩級運算放大器的設計步驟
運算放大器的設計可以分為兩個較為獨立的步驟,第一步是選擇或搭建運放的基本結構,繪出電路結構草圖,第二步就要選擇直流電流,手工設計管子尺寸,以及設計補償電路等等,然后在手工計算的基礎上,運用模擬電路仿真軟件對設計的兩級運放進行仿真,并對電路進行后續的調試和修改。
1. 電路分析
1.1 電路結構
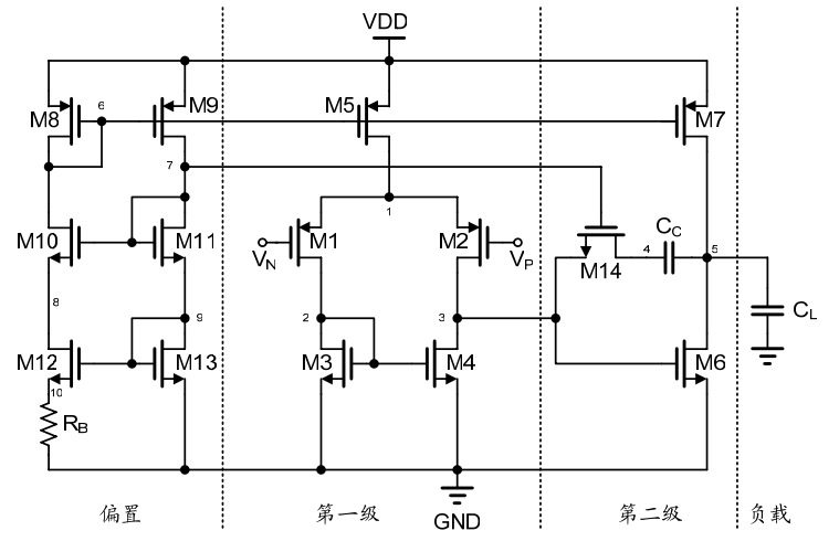
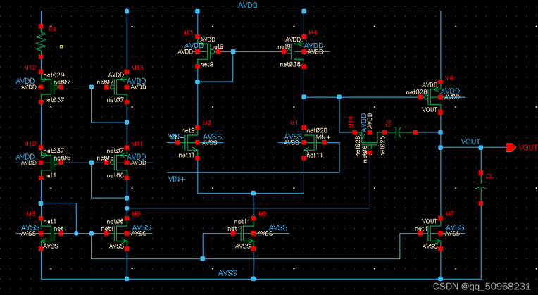
常見的 COMS 二級密勒補償運算跨導放大器的結構如圖 2.1 所示。主要包括四部分:第一級輸入級放大電路、第二級放大電路、偏置電路和相位補償電路。

1.2 電路描述
第一級為PMOS作為輸入管的五管差分對,提供高增益并且可以有效抑制共模信號干擾。第二級為共源級放大電路,由M6、M7構成,為電路提供大的輸出擺幅,并進一步提高增益。M14和Cc跨接在第一級輸出級和第二級輸出級之間,起相位補償作用,M14工作與線性區,通過偏置電路控制其導通電阻。偏置電路由 M8~M13 和 RB 組成,這是一個共源共柵 Widlar 電流源。M8 和 M9寬長比相同。M12 通常是 M13 的幾倍,源極加入了電阻 RB,組成微電流源,產生電流 IB。對稱的 M11 和 M12 構成共源共柵結構,減小溝道長度調制效應造成的電流誤差,同時還為 M14 柵極提供偏置電壓。
1.3 靜態特性分析
第一級的電壓增益為:Gm1R1,Gm1為M1,2跨導,R1為M2、M4輸出阻抗并聯。第二級的電壓增益為:Gm2R2,Gm2為M6跨導,R2為M6、M7輸出阻抗并聯。
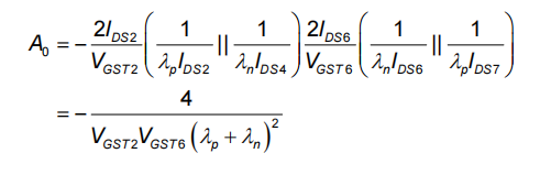
總的直流電壓增益為:Gm1Gm2R1R2=gm1gm6(ro2//ro4)(ro6//ro7)
將 VGS-VT簡寫作 VGST,有:

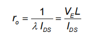
電阻 ro由下式決定:

其中 λ 是溝道長度調制系數,VE 為厄利電壓,L 為管子的有效溝道長度。
將gm和ro分別替換得到:

可見,兩級運放的直流增益與過驅動電壓 VGST和λ成反比,而 L 增大λ將減小,因此,為了得到較高的增益,應當選取較小的過驅動電壓和較大的溝道長度。
1.3.1 偏置電路分析
偏置電路由 M8~M13 構成,其中包括兩個故意失配的晶體管 M12 和 M13,電阻RB串聯在 M12 的源極,它決定著偏置電流和 gm12,所以一般為片外電阻以保證其精確穩定。為了最大程度的降低 M12 的溝道長度調制效應,采用了 Cascode 連接的 M10以及用與其匹配的二極管連接的 M11 來提供 M10 及M14的偏置電壓。最后,由匹配的 PMOS器件 M8 和 M9 構成的鏡像電流源將電流 IB復制到 M11 和 M13,同時也為 M5 和 M7提供偏置。
下面進行具體計算:
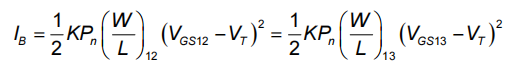
鏡像電流源 M8 和 M9 使得 M13 的電流與 M12 的電流相等,從而有

且,

聯立上面兩式得:

整理得:

一般的,我們取W/L12=4*W/L13
1.3.2 調零電阻分析
位于線性區的M14充當該兩級運放的調零電阻,其中 M14 管的電阻為:

我們設置偏置電流使得 M11 與 M14 的源極電壓相同,從而使得VGS11=VGS14,需滿足:VGS13=VGS6,從而:

并且

將上式帶入Rz,我們得到:

1.4 小信號分析
1.4.1 零極點分析
兩級運算放大電路小信號等效模型入下圖所示:

其中,R1、R2分別為第一級、第二級輸出阻抗,C1=Cdb2+Cdb4+Cgs6(Cgs6為C1的主要成分),C2=Cdb6+Cdb7+CL(CL為C2的主要成分)
列KCL節點電流方程:

解KCL方程并化簡零極點得到:
P1=1/(Gm2R1R2Cc)
P2=Gm2/C2
P3=1/RzC1
Z=1/Cc(Rz-1/Gm2)
Av=Gm1Gm2R1R2
GBW=Gm1/Cc
1.4.2 相位補償分析
通過調節M14和M11的長寬比可以起到調節Rz阻值大小,實現移動右半平面零點的作用。如果將零點移到左半平面并與第二極點重合,這樣一來可以起到消去第二極點的作用,這要求:

但在實際的電路實現中,在負載電容未知或者運放工作過程中負載電容發生變化的情況下,很難使得零點和第二極點精確抵消。另外,即使在設計時使得零點的位置等于第二極點,由于工藝波動和寄生電容的影響,會使得 Rz 和電路中其它相關的參數偏離原先的設計值,這樣一來兩者不能夠完全抵消,反而會形成相鄰的零、極點對,會對電路的瞬態性能產生不利的影響。
如果將零點移到左半平面略大于 GBW 的位置(一般為 1.2 倍 GBW 處),從而使得相位超前,可以提高電路的穩定性。這就需要:

同時使非主極點 p2在 1.5GBW 處,本次二級運算放大器設計采用這種方法來補償相位。
2. 電路設計
2.1 設計指標
設計指標如下表:

2.2 設計步驟
1.選擇Cc的大小。
Cc取值通常為CL的三分之一左右,暫取1.5pf。考慮壓擺率指標(IDS5/Cc≥30V/us),得IDS5≥45uA。
2.分配各支路電流。
IDS5=50uA IDS7=200uA ID8=ID9=10uA,270uA×1.8V=0.486mW(<0.5mW),滿足靜態功耗指標。
3.相位補償。
由1/Cc(Rz-1/Gm2)=1.2×Gm1/Cc,Gm2=1.5×Gm1/Cc,得Rz=(1/1.2+gm1/gm6)×1/gm1; gm6/gm1≈5。
4.選擇過驅動電壓。
VDSAT1降低有助于提高電壓增益、共模抑制比以及電源抑制比,并且在同等電流前提下,過驅動越小,跨導越大。因此VDSAT1盡量取小,這里取VDSAT1=100mV。
5.計算M1,2寬長比。
已知 ID1=25μA,VDSAT1=0.1V,計算得:(W/L)1,2≈37。
6.計算 M3,4、M6、M5和 M7的寬長比。
為使M5不進入線性區,VDSAT5不能過大,取VDSAT5=300m,得(W/L)5=8.29,為方便其他MOS管設計,取(W/L)5=10;ID7=4ID5,故(W/L)7/(W/L)5=4/1,得(W/L)7=40;由gm6/gm1=5,ID6=8ID1=8ID4,計算得:VDSAT6≈160mV,(W/L)6≈180;且VGS4近似等于VGS6,有(W/L)3,4/(W/L)6=1/8,得(W/L)3,4=21.875,取(W/L)3,4=22。
7.計算 M8,9、M10,11、M12、M13的寬長比和 RB 的阻值。
取(W/L)12=4*W/L)13;由VGS13=VGS6可得,(W/L)13=(IRB/ID6)×(W/L)6,(W/L)13=9,因此W/L)12=36;帶入式IB表達式中可解得:RB≈8061Ω;ID9/ID7=10uA/200uA=(W/L)9/(W/L)7,得(W/L)9=(W/L)8=2;將Rz=(1/1.2+gm1/gm6)×(1/gm1)帶入Rz表達式求解,取(W/L)14=16,計算得(W/L)10,11=2。
至此器件參數設計完成,由于溝道調制效應以及體效應的影響,各支路電流、MOS管跨導及過驅動電壓較設計值會存在一定誤差,并且由與M6管寬長比很大,將引入很大的寄生電容,使得C1變大,P3極點變小,使相位裕度減小,將在后面的電路仿真討論。
最終得到的器件參數如下:

3. 電路仿真
使用Cadence virtuoso IC618對該兩級運放進行電路仿真,采用tsmc65nm工藝庫完成電路搭建,如下圖所示:

3.1 DC直流仿真
完成電路原理圖搭建后,在ADE L 仿真器中輸入預設參數,選擇DC分析,輸入共模電平為0.9V。

DC仿真結果如下:

由于溝道調制效應以及體效應的影響,IRB實際值小于10uA,減小RB值使IRB接近10uA,并且由于W/L1較W/L5大很多,M1,2過驅動電壓將遠小于M5,這就容易使M1、M2進入亞閾值區,這里M1、M2選擇低閾值NMOS管。輸出共模電平為980mV。
輸入共模范圍
輸入共模范圍即放大器第一級所有 MOS 管工作在飽和區的共模輸入電壓范圍。共模輸入范圍仿真方法如下:
calculator-OS可查看器件DC參數,選中M0、M3以及M5的region參數,查看器件的工作區域,其中region=0為關斷區,region=1線性區,region=2飽和區,region=3亞閾值區,region=4擊穿區。

DC參數掃描,設置變量為VIN_CM,掃描范圍為(0,1.8V),掃描結果如下:

共模輸入范圍為(0.5V,1.58V)
輸出電壓擺幅
該兩級運算放大器的最大輸出電壓擺幅為VDD-2*VDSAT,輸出電壓擺幅仿真方法如下:
在運放一端施加0.9V電壓,另一端在0.9V±10mV范圍內掃描DC電壓,同時畫出VOUT:

在0.9V±1mV范圍內繼續掃描DC電壓:

輸出電壓范圍為:(175mV,1.66V),輸出電壓擺幅為(1.66-0.98)×2=1.36V
3.2 ac仿真
幅頻響應
ac小信號仿真結果如下:

仿真結果顯示GBW和PM均小于設計指標。PM小于45°,因此P2位于GBW內,且P2=gm6/2πCL≈100MHz>GBW。

分析發現W/L6很大,導致其寄生電容很大(約為1.45pF),1/(RzC1)≈48MHz

將M6的W、L同時減半以減小該寄生電容,仿真發現:

Cgs減小為0.36pF,PM約為60.7°,GBW約為54.55MHz滿足指標要求,但由于M6溝道長度減半,溝道調制效應變得更加顯著,為了平衡M6、M7電流,輸出共模電平升高,將極大減小輸出電壓擺幅。
因此,仍保持M6寬長不變,嘗試移動左零點補償該寄生電容引起的極點。

M14的寬長比控制著Rz的大小,通過掃描M14的寬長比發現,當W/L14=12時,滿足GBW指標要求,但仍不滿足PM指標。
為了獲得更好的PM和GBW指標,將W/L1修改為50,W/L10和W/L11修改為1,W/L14修改為9,對Cc值進行參數掃描:

Cc修改為2pF,PM和GBW均達到指標要求,適當的增大Cc可以獲得更好的相位裕度,但Cc增大同時會減小GBW和壓擺率。
PSRR
PSRR+:
正電源抑制比(66.3+5.45)≈72dB

PSRR-:
負電源抑制比(66.3+19.54)≈86dB

3.3 tran仿真
壓擺率
給差分輸入管一端施加脈沖階躍信號,選擇tran分析,畫出VOUT輸出曲線,點擊measurement-transient measurement,仿真得壓擺率為28.9V/us>20V/us

3.4 noise仿真
由于第二級噪聲等效到輸入端需要除以第一級增益,因此兩級運放的噪聲集中在第一級。輸入噪聲電壓由熱噪聲和閃爍噪聲兩部分組成:

在中低頻段,閃爍噪聲為主要部分,其等效輸入參考噪聲電壓為:

所以,一般采用增大輸入管面積的方法來優化電路的噪聲性能。
noise仿真結果如下:

輸入參考噪聲電壓為48.17nV/ √Hz@1KHz。
4.仿真結果
Cadence仿真結果見下表:
器件最終參數

性能指標

————————————————
版權聲明:本文為CSDN博主「Metaa2227」的原創文章,遵循CC 4.0 BY-SA版權協議,轉載請附上原文出處鏈接及本聲明。
原文鏈接:https://blog.csdn.net/qq_50968231/article/details/125905662
免責聲明:本文為轉載文章,轉載此文目的在于傳遞更多信息,版權歸原作者所有。本文所用視頻、圖片、文字如涉及作品版權問題,請聯系小編進行處理。
推薦閱讀:
如何設計便于部署的10BASE-T1L單對以太網狀態監測振動傳感器




