【導讀】電池可以用來儲存太陽能和風能等可再生能源在高峰時段產生的能量,這樣當環境條件不太有利于發電時,就可以利用這些儲存的能量。本文回顧了住宅和商用電池儲能系統 (BESS) 的拓撲結構,然后介紹了安森美(onsemi) 的EliteSiC 方案,可作為硅MOSFET 或IGBT開關的替代方案,改善 BESS 的性能。
電池可以用來儲存太陽能和風能等可再生能源在高峰時段產生的能量,這樣當環境條件不太有利于發電時,就可以利用這些儲存的能量。本文回顧了住宅和商用電池儲能系統 (BESS) 的拓撲結構,然后介紹了安森美(onsemi) 的EliteSiC 方案,可作為硅MOSFET 或IGBT開關的替代方案,改善 BESS 的性能。
BESS的優勢
最常用的儲能方法有四種,分別是電化學儲能、化學儲能、熱儲能和機械儲能。鋰離子電池是家喻戶曉的電化學儲能系統,具有高功率密度、高效率、外形緊湊、模塊化等特點。此外,鋰離子電池技術成熟,因此非常可靠且成本較低。隨著鋰離子電池價格的持續下降,其在儲能系統中的使用不斷增加。
使用帶有儲能電池的并網/離網太陽能逆變器系統,為住宅和商業用戶帶來諸多好處, 包括以下幾個方面。
● 價格:當公用事業提供商的電價較高時,儲存能量可以降低電費。
● 自給自足:儲存能量可以減少(或消除)對電網的依賴。
● 備用電源:儲存的電力可在主電源出現故障時用作替代電源。
圖1 BESS實施概覽
BESS主要構建模塊
BESS通常包括四大構建模塊。
● 可充電電池模塊:其中包括機架式電池單元,其標稱電壓從50 V 到 1000 V 以上不等。
● 電池管理系統 (BMS):BMS 用于‘保護和管理可充電電池,確保電池在安全工作參數范圍內運行。
● 變流器 (PCS):PCS 將電池組連接到電網和負載,是影響 BESS 成本、尺寸和整體性能的一個重要因素。
● 能源管理系統 (EMS):EMS 軟件用于監測、控制和優化發電或輸電系統。
圖2 住宅交流耦合(上)和直流耦合(下)ESS
住宅BESS
與BESS搭配使用的變流器可以按照耦合能量的方式(交流或直流)分類,也可以按照功率等級(住宅或商業)分類。直流耦合系統或混合逆變器僅需要一個電源轉換步驟。然而,對于現有太陽能或風力發電系統而言,雖然交流耦合儲能是一種簡單的升級方案,但它需要額外的電源轉換步驟來對電池充電和放電,因此可能會損失更多功率。例如,住宅變流器可以添加到現有太陽能逆變器系統中,以使用產生的能量為備用電池充電或為家用電器供電。
雙向DC-DC轉換器用于連接電池組和直流鏈路。單相系統的母線電壓通常小于600 V,而充放電功率不會超過10 kW。在這種情況下,降壓- 升壓轉換器是最常見的雙向DC-DC 拓撲,因為它需要的組件少且易于控制。在此類雙向系統中,兩個帶有并聯二極管的650 V IGBT 或MOSFET 就足夠了。例如,安森美的650 V FS4 IGBT FGH4L75T65MQDC50 集成了SiC 二極管,可在這種應用中實現低導通和低開關損耗。
隔離可以確保BESS 用戶的安全,雙有源橋轉換器 (DAB) 或CLLC 拓撲結構為BESS 提供了隔離型雙向DC-DC 轉換器方案。如果電池電壓發生顯著變化,級聯前端降壓- 升壓電路可以提供更寬范圍的輸入和輸出電壓。這種方法還降低了無功功率,并增加了軟開關區的大小。NTP5D0N15MC 150 V N 溝道屏蔽柵極PowerTrench MOSFET 非常適合這些拓撲。
商業和企業場所及具有較大功率需求的家庭通常采用標準的三相電源。在三相應用中,電源開關必須能夠承受所需的工作電壓和電流,以提供高達15 kW 的輸出功率,而且還要能夠承受高于住宅裝置所用的直流鏈路電壓(高達1 000 V)。為此,可以將之前考慮的650 V開關替換為1 200 V 器件,作為三電平對稱降壓- 升壓拓撲的一部分。這樣,開關損耗會更低,因為只有一半的輸出電壓出現在開關和二極管上。它的另一個優點是所需的電感更小,并且EMI 性能得到改善。遺憾的是,這種方法需要更多組件,導致設計復雜性、控制難度和系統成本增加。
商用BESS
商用儲能系統的輸入和輸出功率范圍通常在100 kW至2 MW 之間。這些大型裝置可能由若干個三相子系統組成,功率范圍從幾十千瓦到超過100 kW 不等。在這類應用中,最大直流電壓是一項關鍵參數,它取決于現有太陽能系統的母線電壓或電池電壓。標準商用太陽能逆變器的直流母線電壓通常為1 100 V,但在公用事業規模系統中可能高達1 500 V。對于給定功率水平,提高直流母線電壓會降低電流,從而降低互連電纜的成本。
圖3 雙向DC-DC的降壓-升壓
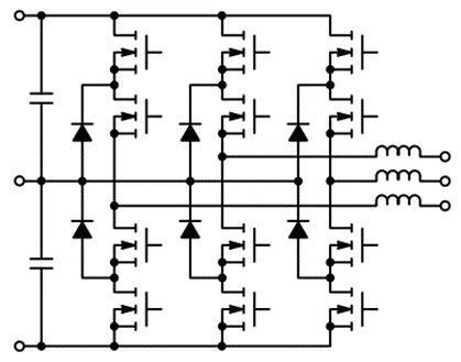
交流耦合系統更常用于商用BESS,因為它可以輕松添加到現有設計中。直流耦合系統對電氣改造的要求相對較高,尤其是商用場合,因為必須將其連接到直流母線,而直流母線通常位于原系統內部,具有高電壓和高電流。三電平I-NPC 是大功率工業應用中常常與逆變器配合使用的拓撲結構。它有四個開關、四個反向二極管和兩個鉗位二極管,擊穿電壓低于實際直流鏈路電壓,這意味著650 V 開關在1 100 V 系統中就足夠了。
圖4 三相I-NPC拓撲結構
使用三電平拓撲結構有幾個優點。首先,其開關損耗較低(與施加到開關和二極管的電壓的平方成正比)。其次,其電流紋波較低,并且峰峰值電壓為總輸出的一半,因而更容易利用較小、成本較低的電感進行濾波。最后,與電流紋波相關的傳導EMI 更低,電磁輻射也更低。升級到A-NPC 拓撲可提供更好的性能,因為它用兩個更低損耗的有源開關取代了兩個鉗位二極管。然而,對于這種架構,驅動器配對和延遲匹配至關重要,但這在某些應用中可能是一個不利因素。
SiC方案有助于改善BESS性能
SiC具有比硅更優越的性能特征,例如:更寬的帶隙、更高的擊穿場強和更高的熱導率。這些特性使SiC器件能夠在更高的頻率下工作,而無需權衡輸出功率與電感尺寸。憑借 SiC 帶來的更高工作效率,在某些情況下,可使用自然散熱來代替強制風冷。安森美的650 V EliteSiC MOSFET NTH4L015N065SC1和NTBL045N065SC1是取代儲能系統應用中硅基開關的理想選擇。同時,EliteSiC 功率集成模塊采用1 200 VNXH40B120MNQ0 雙升壓和 NXH010P120MNF1 2 件裝半橋,可以在公用事業規模系統中提供更高的功率密度。安森美還提供其他幾種組件,包括柵極驅動器、電流檢測放大器和 MACPHY 以太網控制器,都可用于BESS應用。
(本文來源于EEPW 2023年10月期)
免責聲明:本文為轉載文章,轉載此文目的在于傳遞更多信息,版權歸原作者所有。本文所用視頻、圖片、文字如涉及作品版權問題,請聯系小編進行處理。
推薦閱讀:
高通高級副總裁卡圖贊:手機市場仍在緩慢復蘇 第三代驍龍8適逢其時



