【導讀】心血管疾病已經成為威脅人類健康的殺手,尤其是老年人。在醫院中,一個清晰地心電圖成為診斷疾病的重要依據,心電采集電路是心電采集儀的核心。為了更好地治愈心血管疾病,為了讓家人不再擔心,本文設計了一款以STM32為核心的電路簡單的心電采集儀。
如今,心血管類疾病已經成為威脅人類身體健康的重要疾病之一,而清晰有效的心電圖為診斷這類疾病提供了依據,心電采集電路是心電采集儀的關鍵部分,心電信號屬于微弱信號,其頻率范圍在0.03~100 Hz之間,幅度在0~5 mV之間,同時心電信號還摻雜有大量的干擾信號,因此,設計良好的濾波電路和選擇合適的控制器是得到有效心電信號的關鍵。基于此,本文設計了以STM32為控制核心,AD620和OP07為模擬前端的心電采集儀,本設計簡單實用,噪聲干擾得到了有效抑制。
1 總體設計方案
心電采集包括模擬采集和數字處理兩部分,本設計通過AgCl電極和三導聯線心電采集線采集人體心電信號,通過前置放大電路,帶通濾波電路,50 Hz雙T陷波后再經主放大電路和電平抬升電路把心電信號的幅度控制在STM32的A/D采集范圍內,STM32通過定時器設定A/D采樣頻率,通過均值濾波的方式對得到的數字信號進行處理,最后在彩屏上描繪出心電圖形,系統總體框圖如圖1所示。

圖1:系統總體框圖
2 硬件設計2.1 主控模塊電路設計
主控模塊的STM32F103VET單片機是控制器的核心,該單片機是ST意法半導體公司生產的32位高性能、低成本和低功耗的增強型單片機,其內核采用ARM公司最新生產的Cortex—M3架構,最高工作頻率72 MHz、512 kB的程序存儲空間、64 kB的RAM,8個定時器/計數器、兩個看門狗和一個實時時鐘RTC,片上集成通信接口有兩個I2C、3個SPI、5個USART、一個USB、一個CAN、一個SDIO,并集成有3個ADC和一個DAc,具有100個I/O端口。主控單片機管腳排列圖如圖2所示。

圖2:STM32F103VET單片機管腳排列圖
2.2 前置放大電路的設計
前置放大電路是模擬信號采集的前端,也是整個電路設計的關鍵,它不僅要求從人體準確地采集到微弱的心電信號,還要將干擾信號降到最低,由于心電信號屬于差分信號,所以電路應采用差動放大的結構,同時要求系統具有高共模抑制比、高輸入阻抗、低漂移等特點。因此,選擇合適的運算放大器至關重要,這里選擇儀用運放AD620實現前置放大,AD620具有高精度、低噪聲、低輸入偏置電流低功耗等特點,使之適合ECG監測儀等醫療應用。AD620的放大倍數由1與8腳之間的反饋電阻決定,增益G=49.4 kΩRG+1,由于心電信號中含有較大的直流分量,因此前置放大電路的放大倍數不能過大,在這里選擇放大約10倍,因此反饋電阻R6取約5 kΩ,為提高電路的共模抑制能力,這里用一個OP07檢測R10,R4上的共模信號驅動導線屏蔽層,消除分布電容。同時用另一個OP07運放和R5,C3,R7組成右腿驅動電路,在R10,R4上檢測到的共模信號經反相放大器后經R7,反饋到人的右腿,進一步抑制了共模信號和50 Hz工頻干擾,這里右腿驅動有一個對交流電的反饋通路,交流電的干擾可能對人體產生危害,因此這里要注意做好絕緣措施,同時保護電阻R7盡可能大,取1 MΩ以上。此外系統電源的不穩定也對心電信號的采集有較大影響,因此在本系統中,所有運放的電源腳都并聯兩個0.1μF和10μF的電容退耦,提高系統的穩定性,前置放大電路的電路圖如圖3所示。

圖3:前置放大電路
2.3 帶通濾波器的設計
從前置放大電路輸出的心電信號還含有較大直流分量和肌電信號,基線漂移等干擾成分,所需采集的有用心電信號在0.03~100 Hz范圍之間,因此需設計合理的濾波器使該范圍內的信號得以充分通過,而該范圍以外的信號得到最大限度的衰減,這里采用具有高精度,低偏置,低功耗特點的兩個OP07運放分別組成二階有源高通濾波器和低通濾波器,高通濾波器由C11,C17,R7,R10組成,截止頻率f1≈0.03 Hz,低通濾波器由R8,R9,C10,C13組成,截止頻率約為f2≈100 Hz,系統帶通濾波器的電路如圖4所示。

圖4:帶通濾波器
2.4 50 Hz雙T陷波器設計工頻是心電信號中最主要也最常見的干擾源,雖然前面的右腿驅動電路對其有一定的抑制作用,但是仍有較大部分進入了后面的電路,因此有必要設計截止頻率為50 Hz的帶阻電路來進一步濾除干擾,帶阻電路也稱陷波器,顧名思義,帶阻電路就是使某特定頻率范圍內的信號大幅衰減,而對該頻率范圍外的信號幾乎不產生影響。雙T陷波電路是典型的帶阻電路,在雙T網絡中,兩個T型網絡的參數是對稱的,如圖5所示的50 Hz雙T陷波電路中,R13=R14=2R16=R=32 kΩ,C20=2C19=2C18=C=200 nF,本質上是由兩個T型高通濾波器和低通濾波器并聯組成,圖5所示電路的截止頻率f0=1/2πRC≈50 Hz。

圖5 :0Hz 帶阻濾波器
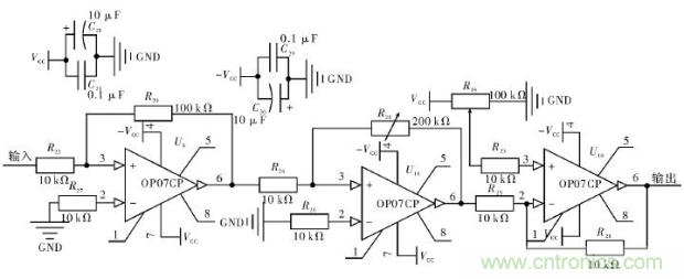
2.5 主放大以及電平抬升電路設計心電信號的幅度約為0~4 mV,STM32 AD轉換的輸入電平要求為3.3 V,因此,為了單片機能夠處理采集到心電信號,需將采集到的模擬信號放大800~1 000倍。前置放大電路已放大了10倍,理論上主放大電路約放大100倍即可。為確保信號不失真,一般單級放大不超過10倍,因此,可采取兩級放大的方式來達到放大100倍的效果,U9固定放大10倍,U11的反饋電阻采用可調電阻,這樣就可以通過變阻器的調節達到放大100的效果。此外,因為STM32單片機的A/D采集不能采集負電平,因此這里設計了如U7所示的電平抬升電路把心電信號提到0電平以上,方便單片機采集。

圖6:主放大以及電平抬升電路電路
3 軟件設計
得到心電信號后要輸入STM32進行AD采集和軟件濾波,最終送LCD實現波形顯示,單片機初始化后,程序設計定時器每6 ms中斷一次,在中斷函數里,對讀取到的A/D值采取均值濾波的形式濾除干擾,然后把之轉換與彩屏對應的坐標值,在彩屏上畫線實現波形的實時顯示,整個系統的程序流程如圖7所示。

圖7:系統軟件流程圖
4 測試結果分析通過電極片和三導聯線在人的左臂,右臂,右腿部采集心電信號經前端模擬電路和STM32處理后,最后在示波器和彩屏上得到的心電信號如圖8所示。

圖8:系統效果展示圖
從彩屏和示波器上所得的心電圖來看,50 Hz工頻信號和基線漂移得到了較好的抑制,從示波器上可看出,相鄰兩個波峰之間的時間大約為900 ms,這與真實的心電信號基本吻合,圖像清晰穩定,能夠較好地反映人體心電特征。結語
本文設計的心電采集儀是基于STM32為核心,以OP07、AD620為模擬信號采集端。本次設計經實驗證明,所測心電波形正常,能夠有效地抑制噪聲干擾,電路性能穩定,二切設計簡單,成本低廉,具有醫療個推廣價值。
相關閱讀:
基于COMX和STM32的機器人伺服控制器電路設計
基于STM32F105微控制器的雙CAN冗余的方案設計
設計分享:基于STM32F101數據采集器的設計方案





