【導讀】GaN的理論優勢正在主流設計中得以實現,尤其是在數據中心和通信機房電源兩個應用領域,與硅器件相比較,GaN的優勢更明顯。采用GaN進行產品設計,廠家和用戶都將能享受到系統成本和運營方面的好處。
我們將使用增強型高電子遷移率晶體管(HEMT)器件的設計與硅基器件設計進行比較,旨在確定品質因素(FOM)優勢(如更低的Qg和Qoss,以及接近于零的Qrr)在多大程度上有助于實現效率和功率密度目標。其關鍵參數的比較數據見圖1-3。

圖1:連續三代超結器件的輸出電容特性曲線與增強型GaN的比較

圖2: 連續三代超結器件的輸出電容儲能趨勢與GaN的比較

圖3:增強型GaN(左)與CoolMOS C7(右)的QOSS vs Vds關系比較
更緊湊、更高效的服務器電源
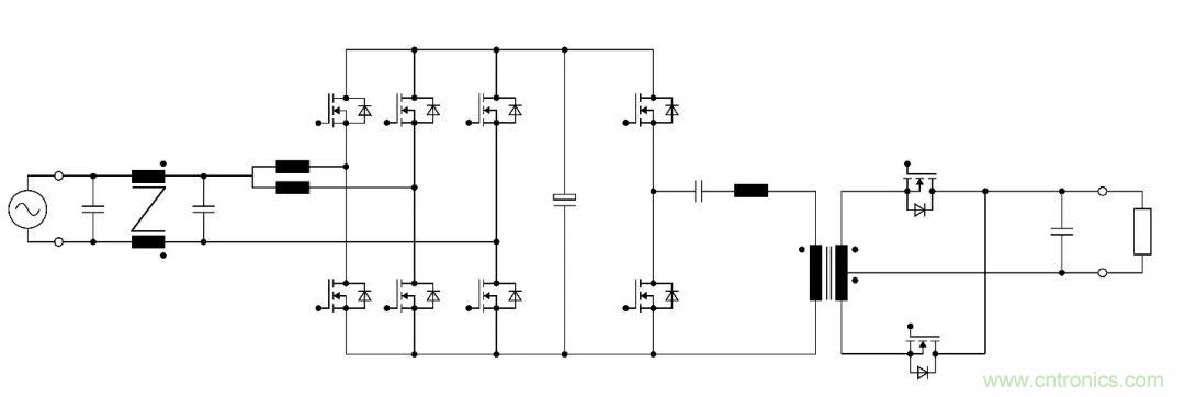
首先,我們使用GaN替代服務器電源中的Si MOSFET,并對其效果進行了評估。對數據中心進行電源管理,提高系統效率,可在不增加電路板尺寸的前提下,提高計算性能,降低設備的冷卻成本。典型的高效電源(見圖4和表1)采用的是圖騰柱AC-DC整流器和兩個交錯的高頻橋臂,以及LLC架構配合中心抽頭變壓器(12V系統)或全橋整流(48V系統)

圖4 服務器電源采用了一個圖騰柱AC-DC整流器和兩個交錯的高頻橋臂,以及一個帶中心抽頭變壓器的LLC DC-DC轉換器

表1. 服務器電源規格
在無橋拓撲中使用超結器件(SuperJunction MOSFET),必須在三角波電流模式(TCM)下工作。而采用GaN開關則支持三種工作模式:TCM、連續電流模式(CCM)或最優頻率調制(OFM)模式。采用GaN的設計,PFC(整流)級的效率可在功率密度為 170 W/inch3時提高0.2 – 0.3%,功率密度超過200 W/inch3時,提高達到0.4%及以上。對于DC-DC這一級,功率密度達200 W/inch3時,效率可提高0.2% - 0.4%。比如對于鉑金服務器電源,采用GaN的方案與Si器件方案相比,不僅其效率平均提高了4%左右,而且在相同外形尺寸下可以支持的最大功率也從1600W增加到3kW。
如今,越來越多的計算架構開始使用GPU并行處理,這使得每個機架的功耗成倍增加,達到20kW及以上。這時12V電源架構的配電損失過大,因此具有更高系統效率的機架式48V電源架構越來越受歡迎。
我們對一個3KW的 48V整流器進行了優化。該電源使用Si MOSFET器件,峰值 效率97.1%@50%載,功率密度33W/inch3。首先,將AC-DC級改為一個帶高頻和低頻橋臂的圖騰柱整流器,高頻橋臂采用GaN開關,低頻橋臂采用超結MOSFET,這樣效率就可達到97.5%。為進一步提高效率,還增加了第二條高頻橋臂,在騰圖柱上與第一個交錯布置。
在DC-DC級,在原邊采用35 m?的GaN器件做為半橋,可以進一步提升效率。得益于GaN器件較低的Qoss優勢,以及相應地調整諧振頻率和激磁電感,可將系統效率提高約0.3%。若將變壓器改為矩陣結構,即采用串聯的初級繞組和并聯的次級繞組,還可將系統效率再提高0.3%。
總而言之,將PFC和LLC級的改進相結合,可在功率密度為30- 35 W/inch3的條件下提高峰值效率,系統效率達98.5%(圖5)。

圖5. 圖騰柱PFC級改進結果(包括EMI濾波器):采用GaN和Si基功率器件的系統效率與功率密度比較
無線基礎設施的電源要求
如今我們正朝向5G無線通信轉型,通信基站的配電和整體功耗對運營商建設成本(CAPEX 和OPEX)愈發重要。通信基站的負載特性和輸出電壓變化范圍與數據中心不同,因此,盡管基站電源和數據中心電源的拓撲架構相似,但我們在做設計優化時針對的負載范圍側重點不同(基站電源30~50% vs 數據中心50~70%)。
與48V服務器電源一樣,設計優化工作也會用到GaN(用于高壓開關)與低頻超結MOSFET組合,如用于圖騰柱PFC的返回路徑開關和LLC的次級側。研究中針對優化而改變的其它參數包括PFC級高頻橋臂的數量、LLC的級數和并聯數量,變壓器的串并聯方式以及開關頻率的改變:GaN設計的LLC振諧頻率的最佳值通常在150kHz左右,而超結 MOSFET設計為100kHz。
結果(圖6)發現,在常用的30 - 40 W/inch3 功率密度下,GaN解決方案能夠實現更高的效率(約0.3%效率增加)。在此功率密度下,若在PFC級中使用GaN器件,則還能通過使用單個高頻圖騰柱橋臂來降低成本。

圖6.LLC級的改進結果:采用Si和GaN功率器件的效率與功率密度比較
通過上述應用研究,我們發現增強型(e-mode)GaN能夠在大功率電源設計中實現更高效率和功率密度,且不會增加系統成本。通過全面考慮系統設計問題,利用寬禁帶相比傳統材料的參數優勢,有助于降低客戶的資本支出和運營成本。
本文轉載自電子工程專輯。
本文轉載自電子工程專輯。
推薦閱讀:




