【導讀】該電路針對Figaro TGS8100傳感器進行了優化,傳感器由MOS檢測芯片和集成加熱器(利用MEMS技術形成于硅基板)構成。適當修改硬件和軟件,便可使用其他MOS傳感器。測試是在氣體腔中利用一氧化碳完成。結果與傳感器數據手冊規格進行了相關性分析。
電路功能與優勢
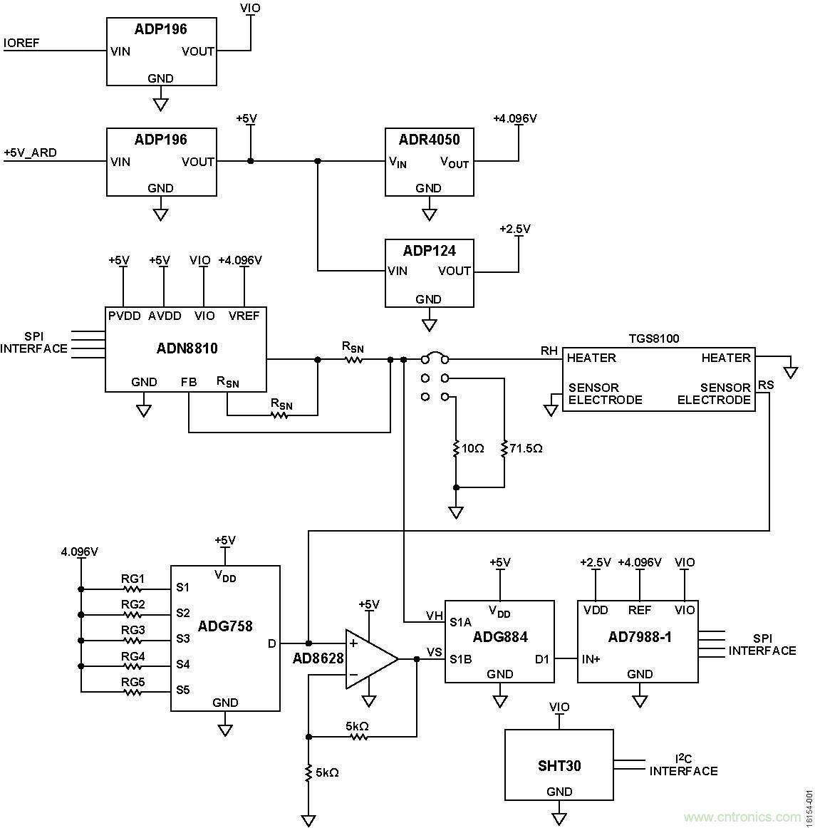
圖1所示電路利用金屬氧化物傳感器檢測揮發性有機化合物組成的氣體,從而測量室內空氣質量。傳感器由加熱電阻和檢測電阻組成。當加熱檢測電阻時,其值隨不同氣體的濃度而改變。
該電路利用12位電流輸出數模轉換器(DAC)來精密控制加熱器電流,靈活的軟件允許加熱器采用如下四種工作模式中的一種:恒流、恒壓、恒阻和恒溫。
通過軟件可選的五種范圍電阻分壓器,該電路能夠測量廣泛的檢測電阻值。電路板還包含溫度和濕度傳感器,用于補償氣體濃度值。

圖1.完整的單電源16位揮發性有機化合物檢測器,采用金屬氧化物傳感器和12位電流輸出DAC(簡化原理圖,未顯示所有連接和去耦)
電路描述
該電路針對Figaro TGS8100傳感器進行了優化,傳感器由MOS檢測芯片和集成加熱器(利用MEMS技術形成于硅基板)構成。適當修改硬件和軟件,便可使用其他MOS傳感器。
測試是在氣體腔中利用一氧化碳完成。結果與傳感器數據手冊規格進行了相關性分析。
加熱器驅動器
ADN8810是一款12位電流源,可提供高達300 mA的可調輸出電流。滿量程電流通過兩個輸出檢測電阻設置。這些電阻的選擇和滿量程電流的設置對板上安裝的傳感器的設計規格非常重要。滿量程電流設置不得違反傳感器最大額定值,以免發生故障。
使用41.2 ?檢測電阻,電路板的滿量程電流設置為大約9.94 mA,這是TGS8100傳感器的安全上限,其推薦工作電流為8 mA。滿量程電流與檢測電阻值存在如下關系:

未進行校準的ADN8810的滿量程精度為1%。如果需要更高精度,可利用71.5 ?或10 ?精密電阻和P2跳線校準滿量程電流輸出。
所有工作模式(恒流、恒壓、恒阻和恒溫)為了維持指定參數的值,都要控制流經加熱電阻的電流量,并利用AD7988-1模數轉換器(ADC)測量加熱器電壓。
加熱器電阻和加熱器溫度之間的關系
加熱器電阻RH_T與加熱器溫度TH之間的關系可通過下式來表示:

從TGS8100數據手冊獲得如下標稱值:VH = 1.8 V,T_0 = 20℃時RH_0 = 110 Ω。T_H = 360℃時,RH_T = 225 Ω。然后代入并求解上式,得到常數ALPHA = 0.003074。
可以重新整理該式,求得TH與RH的函數關系:
ALPHA
設置模式值之前,先確定環境溫度T_A時的加熱器實際電阻RH_A。為確定此值,將8 mA電流施加于加熱器,并在施加電流后的20 μs內測量加熱器電壓(VH_A)。此時,加熱器仍處于環境溫度。環境溫度時的加熱器電阻根據RH_A = VH_A/8 mA計算。同時記錄環境溫度T_A和濕度HUM。
前面的等式必須稍加修改,因為實際環境溫度T_A可能不同于數據手冊值T_0 = 20℃。加上修正因子之后,兩個等式變為:

加熱器工作模式
下面詳細說明加熱器工作模式。
加熱器恒壓
加熱器恒壓模式是最常見的工作模式。TGS8100傳感器的推薦電壓為1.8 V ± 2%。一個迭代程序調整加熱器電流IH,直至測得的加熱器電壓為1.8 V,然后根據RH_T = VH/IH計算對應的加熱器電阻RH_T。對應的加熱器溫度可根據等式5計算。
加熱器恒流
所需加熱器電流IH在ADN8810DAC中設置。測量加熱器電壓VH。加熱器電阻根據RH_T = VH/IH計算。對應的加熱器溫度根據等式5計算。
加熱器恒溫
對應于所需加熱器溫度TH的加熱器電阻RH_T根據等式4計算。一個迭代程序調整加熱器電流IH,并測量加熱器電壓VH,直至達到所需的加熱器電阻VH/IH = RH_T。
加熱器恒阻
一個迭代程序調整加熱器電流IH,并測量加熱器電壓VH,直至達到所需的加熱器電阻VH/IH = RH_T。對應的加熱器溫度根據等式5計算。
檢測電阻測量
傳感器檢測元件的電阻值可以通過下式確定:

其中:
RS為檢測元件的電阻。
VS為RS上的對地電壓。
RG為分壓器所用的范圍設置電阻。
VREF為基準電壓值(4.096 V)。
為了覆蓋30 Ω至30 MΩ的RS范圍,利用低壓CMOS模擬多路復用器ADG758選擇五個RG電阻中的一個。該電路使用S1至S5通道,對應的RG電阻值分別為8.87 kΩ、39.2 kΩ、110 kΩ、2.74 MΩ和33 MΩ。
利用分壓器中的RG電阻以及RS和VREF,現在便可通過等式6確定檢測電阻RS的值。
來自檢測電阻分壓器的輸出電壓被超低失調、漂移和偏置電流的運算放大器AD8628放大2倍以匹配AD7988-1 ADC的輸入范圍。
AD7988-1是一款低功耗、100 kSPS 16位逐次逼近型ADC,用于轉換傳感器加熱和檢測元件的電壓讀數。
ADG884是一款軟件可選低壓CMOS雙通道單刀雙擲開關,用于切換傳感器加熱和檢測元件的電壓讀數。
ADR4540是一款超低噪聲、低功耗基準電壓源。它為ADN8810、AD7988-1和RG分壓器網絡產生高精度4.096 V基準電壓,具有出色的溫度穩定性和低輸出噪聲,功耗最大值僅950 μA。
ADP196是一款邏輯控制的高端功率開關,可通過ADICUP360的數字輸入/輸出引腳完全關斷整個電路,將電路功耗降至400 µW。此特性利用數字輸入/輸出引腳實現電路板關斷功能,使其成為出色的低功耗候選解決方案。
ADP124是一款低靜態電流、低壓差線性穩壓器,用于提供AD7798-1的2.5 V電源電壓。
該電路還在集成了板載Sensirion SHT30溫度和濕度傳感器,用于補償氣體濃度計算。
這些IC的組合為室內揮發性有機化合物監測應用提供了一種低功耗解決方案。
傳感器電阻轉換為氣體濃度
TGS8100傳感器數據手冊給出了濃度與RS/R0的典型關系曲線,其中R0為無氣體存在時的監測電阻值。一氧化碳氣體(CO)的曲線可通過兩個等式近似求得,取決于RS/R0比值。這些等式適用于1 ppm到100 ppm的CO濃度水平。
RS/R0介于0.05和0.6之間時:

加熱器控制軟件
CN-0395的演示軟件顯示了加熱器在T_0或干凈空氣工作模式下的檢測電阻讀數,用于計算的電流檢測電阻讀數,以及算出的氣體濃度。
加熱器有四種工作模式:恒壓、恒流、恒阻和恒溫。
在恒壓模式下,假設加熱器初始電阻為225 ?,通過計算誤差電壓并相應地調整輸出電流來將所需加熱器電壓維持在0.5%精度。

如果誤差不在指定容差范圍內,則需將新的加熱器電流設置到ADN8810中。新的加熱器電流通過下式計算:
其中:
IH2為第二次迭代的加熱器電流。
IH1為第一次迭代的加熱器電流。
E1為第一次迭代的電壓誤差。
可能需要多次迭代才能使其落在所需電壓范圍內,但若誤差在0.5%以內,則迭代結束。
傳感器電阻測量軟件
軟件利用等式6測量傳感器電阻RS。算法逐個嘗試增益電阻范圍,從最高范圍(RG1 = 33 M?)開始,直至達到正確范圍。確定RS之后,利用下一部分給出的等式將其轉換為氣體濃度。
測試結果
該電路在暴露于各種不同濃度CO氣體的氣體測試容器中進行了測試。為了實現不同濃度,一氧化碳按一定的比率與合成空氣混合。氣體混合物經過一個加濕器,凈化后以1 ln/min的恒定速率通往氣體測試容器,如圖2所示。

圖2.氣體測試設置
對于測試設置,RS/R0與氣體濃度結果的關系如圖3中藍色曲線所示。紅色曲線顯示的是利用等式7和等式8近似計算所預測的典型濃度值。100 ppm時RS/R0的差約為25%。

圖3.實測RS/R0比值與CO氣體濃度的關系
為了獲得更精確的濃度結果,應利用已知濃度的目標氣體在一個腔中校準系統。傳感器差異、接觸雜質引起的傳感器污染、老化效應、溫度、相對濕度、穩定時間和合成混合空氣的純度,都會影響最終結果。
獲得一致結果的重要條件是讓傳感器在環境空氣中穩定至少30分鐘,并且先給加熱器通電,再測量R0。在每種濃度水平下,必須同樣給予充足的穩定時間。對于圖3所示結果,R0穩定時間為1小時,每種濃度水平下的穩定時間為10分鐘。延長穩定時間可能會提高精度。
電路板布局考量
應當精心考慮電路板上的電源和接地回路布局。印刷電路設計必須將模擬部分與數字部分分離。如果該電路所在系統有多個器件要求模擬地至數字地連接,則只能在一個點上進行連接。通過至少0.1 μF電容旁路所有器件的電源。這些旁路電容必須盡可能靠近器件,電容最好正對著器件。所選0.1 μF電容應當具有低有效串聯電阻(ESR)和低有效串聯電感(ESL),例如陶瓷型電容。0.1 μF電容為瞬變電流提供低阻抗接地路徑。電源走線必須盡可能寬,以提供低阻抗供電路徑。為實現最佳性能,必須采用適當的布局、接地和去耦技術(請參考教程MT-031——實現數據轉換器的接地并解開AGND和DGND的謎團和教程MT-101——去耦技術)。
如需獲得包括原理圖、布局布線和物料清單在內的EVAL-CN0395-ARDZ完整文檔,請訪問www.analog.com/CN0395-DesignSupport。
常見變化
權衡復雜性和成本,可以用DAC控制的電流源取代ADN8810。
如需更高分辨率ADC,請使用AD7989-1。如需更高采樣速率ADC,請使用AD7988-5或AD7989-5。
8:1多路復用器的另一個較佳選擇是ADG5208F,其增加了防閂鎖、過壓檢測和過壓保護特性。
電路評估與測試
本電路使用EVAL-CN0395-ARDZ電路板和EVAL-ADICUP360。EVAL-CN0395-ARDZ利用Arduino兼容引腳疊加在EVAL-ADICUP360板上。
設備要求
需要以下設備:
- 帶USB端口的Windows 7(64位)、Windows 8(64位)或Windows 10(64位)PC
- EVAL-CN0395-ARDZ電路評估板
- EVAL-ADICUP360評估板或等效Arduino接口
- USB A轉USB微型電纜
- EVAL-ADICUP360軟件(IDE)
- EVAL-CN0395-ARDZ示例代碼
開始使用
將示例代碼載入EVAL-ADICUP360 IDE,請按照EVAL-ADICUP360工具鏈設置用戶指南中的說明操作。
功能框圖
圖4所示為測試設置的功能框圖。

圖4.測試設置功能框圖
設置
連接EVAL-CN0395-ARDZ,利用Arduino兼容接頭和對應接頭將其安裝在EVAL-ADICUP360板上方。然后將USB電纜從EVAL-ADICUP360的調試端口連接到PC的USB端口。
測試
示例代碼經編譯并加載到EVAL-ADICUP360上且將EVAL-CN0395-ARDZ安裝在上面之后,器件與PC通信并顯示各通道的讀數。為測試該電路,可將電路板暴露在干凈空氣中以獲得初始讀數,然后暴露在不同濃度的揮發性有機化合物氣體中。
圖5顯示EVAL-CN0395-ARDZ電路評估板的實物照片。

圖5.EVAL-CN0395-ARDZ電路評估板
推薦閱讀:



