
作為昂貴的傳統大型無源濾波器的出色替代品,有源電磁干擾濾波器 (AEF) 可以幫助設計人員應對不斷增加的 EMI挑戰、提高功率密度以及降低電源解決方案的成本。參考文獻展示了在德州儀器 (TI) LM25149-Q1 降壓控制器中實施 AEF 后,尺寸減小大約 50%,體積減小超過75%。 詳細閱讀>>
干貨
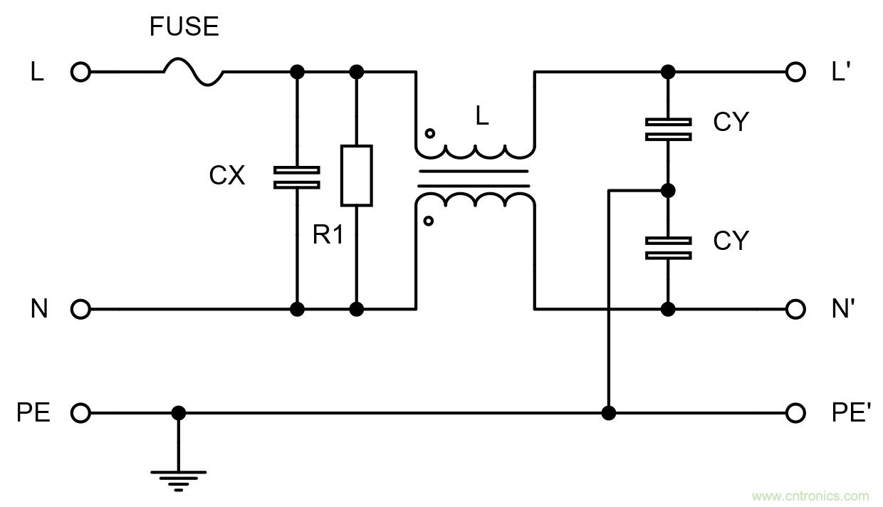
EMI濾波器是一種為了消除電磁干擾的濾波器。但是,光這么說還是有點難以理解,讓我先從EMI濾波器的制造背景開始說起吧。
?
功率密度是汽車車載充電器和服務器電源等高度受限系統環境中的主要指標。務必要減小電磁干擾 (EMI) 濾波器元件的體積,從而確保解決方案能夠滿足嚴苛的外形尺寸要求。詳細閱讀>>
?
憑借其高功率轉換效率,開關模式電源在現代電子系統中被廣泛應用。但是,開關模式電源數量增加的一個副作用是會產生開關噪聲。這些噪聲一般被稱為電磁干擾(EMI)、EMI噪聲,或者單純就是噪聲。例如,典型的降壓轉換器輸入側的開關電流屬于脈動電流,富含諧波成分。快速開啟和關閉功率晶體管會導致電流突然中斷...詳細閱讀>>
?
TE Connectivity(TE)/ Corcom EVX高壓DC EMI濾波器設計用于處理75kW 至2.4MW的高功率快速充電器,并提供三種高壓電平:500V、1000V和1500V。 該濾波器具有四種高衰減性能級別:帶或不帶 GND 電容的標準、中等和高性能。EVX系列濾波器提供不同GND電容器的性能選擇,通過其緊湊的設計實現小尺...詳細閱讀>>
?
模塊化電磁兼容濾波器通常添加在交流入口到終端設備。電流和衰減額定值有很多種,包括有或沒有保險絲和開關的版本。低泄漏零件也可用于醫療應用。本文介紹了濾波器的功能以及如何將其與預期的應用匹配以獲得最佳效果。詳細閱讀>>
?
近來,電子設備越來越來多地充斥于我們的日常生活中。這些電子設備中使用的是數字電路,而當高頻電流通過電路板或走線時,這條路徑便成了向外輻射噪聲的天線。當附近有其他電子設備時,此電波就會干擾到其他電子設備的正常工作。舉個例子,在收音機旁放有電腦時,收音機的音頻會...詳細閱讀>>
?
隨著電子技術的發展,電磁兼容性問題成為電路設計工程師極為關注和棘手的問題。 根據多年的工程經驗,大家普遍認為電磁兼容性標準中最重要的也是最難解決的兩個項目就是傳導發射和輻射發射。詳細閱讀>>
經典案例
?
鐵鎳鉬合金MPP,高磁通鐵鎳50%HF合金和鐵硅鋁合金SUPERMSS等三種不同材料的磁粉芯已被廣泛地應用在電源濾波電感之中。特別是在抑制和過濾差模傳導EMI的線路濾波...詳細閱讀>>
?
目前,由于更嚴格的法規不斷融入不斷擴展的電子領域,所有類型的設備都更安全,尤其是高度敏感的偵察、醫療和航空電子設備,可以避免由"噪聲"EMI所造成的災難性故障風險。詳細閱讀>>
?
隨著現代科學技術的飛速發展,電子、電力電子、電氣設備應用越來越廣泛,它們在運行中產生的高密度、寬頻譜的電磁信號充滿整個空間,形成復雜的電磁環境。 詳細閱讀>>
電磁干擾濾波器的設計和選用,主要依據噪聲干擾特性和系統電磁兼容性的要求,在了解電磁干擾的頻率范圍,估計干擾的大致量級的基礎上進行。首先要了解濾波器的使用環境(使用電壓、負載電流、環境溫濕度、振動沖擊、安裝方式和位置等),要重點考慮其安全性能參數,因為關系到設備及人身安全。還要使濾波器對EMI噪聲產生最佳的抑制效果。應根據接入電路的要求,以產生最大阻抗不匹配的原則來選擇濾波器的網絡結構和參數。為了獲得最佳的電磁噪聲衰減特性,濾波器應該正確地安裝在電子設備上。
關于我們 | About Us | 聯系我們 | Contact Us | 隱私政策 | 版權申明 | 投稿信箱 | 網站地圖
Copyright ? m.aolaiaolisita.com? All Rights Reserved
電子元件技術網 版權所有 ??粵ICP備10202284號??粵ICP證B2-20090022
未經版權所有人明確的書面許可,不得以任何方式或媒體翻印或轉載本網站的部分或全部內容。