【導讀】用電流損耗更低的RS-485收發器替代舊器件,結果卻發生故障,是什么原因呢?這是因為為收發器總線側供電的線性穩壓器有一個特殊要求,需要最小負載電流才能正常工作。否則,穩壓器將無法正常穩壓,輸出電壓會超出范圍。
問:我換了一個更新更好的器件,電流損耗更低,結果發生故障,新器件差點兒燒毀。如何解釋這一現象?
答:線性穩壓器是相當簡單的器件,并沒有太多挑戰。盡管如此,偶爾還是會遇到麻煩。
我當現場應用工程師時,有時客戶會請我推薦合適的器件來替換某個供應商供貨的器件。在很多情況下,更換器件的決定是由客戶的生產和采購團隊做出的,原來的電路設計師可能并不知曉。決策過程相當簡單:替代器件應當具有相同的功能、封裝和引腳配置,以及與被替代器件同等甚至更好的電氣規格。只要滿足所有這些要求,就可向元器件工程師提供必要的比較數據,然后將新的元器件添加到物料清單中,作為元器件備選方案。做完這些,就算大功告成了。但是事實上,使用舊器件正常工作的產品在替換為備選件后,在生產線上開始出現故障。哪里出錯了呢?
我曾參與這樣一個案例,我們遵循上述流程,在客戶設計中,將我們的隔離式RS-485收發器作為除一個供應商器件之外的另一可選器件。兩個器件形狀、尺寸和功能兼容,而我們的器件具有更好的電氣規格??蛻綦S后向我們下了訂購大量此器件的訂單,看起來沒有任何理由出錯。然而,客戶報告說,新的RS-485收發器在生產測試臺上開始出現故障。由于設計沒有任何別的改變,所以一定是新器件的問題。
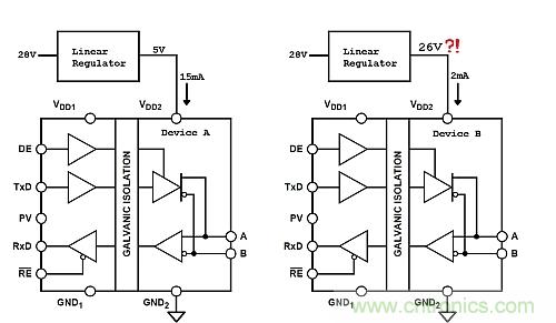
經過進一步調查,我們發現為收發器總線側供電的線性穩壓器未按預期穩壓至5V,而是上升到更高的電壓。我們不得不仔細檢查、比較舊收發器和替換器件的數據手冊,以及線性穩壓器的數據手冊,以確定哪里出了錯。
“更好”只是一個定性術語,具體取決于所討論的參數。例如,涉及到速度、CMRR、PSRR時,越高越好;涉及到失調電壓、漂移時,越低越好。即使不具備工程專業知識的人,也知道功耗總是越低越好。真的是這樣嗎?在這個特殊案例中,并非如此。舊收發器閑置狀態下在總線側消耗15mA(典型值)電流,而新器件僅消耗2mA(最大值)。毫無疑問,新器件在數據上看起來更好。不幸的是,線性穩壓器似乎失常了。
正如本文開頭提到的,線性穩壓器相當簡單,并沒有太多要求。然而,它卻有一個特殊要求,即需要最小負載電流才能正常工作。如果這一需求沒有被滿足,穩壓器將無法正常穩壓,輸出電壓會超出范圍。如果穩壓器的輸入電壓遠高于期望的輸出電壓,情況將變得更差。
許多現代線性穩壓器在設計中特別注意了這個問題,因而不會產生故障。一些舊器件(如本案的客戶設計所用的器件)沒有考慮此點,因此在系統設計時需要額外的預防措施。某些情況下,可調輸出LDO的反饋電阻網絡負責最小負載電流。但是,如果決定大幅提高電阻,而同時要保持相同比值,很可能無意中闖禍。還有另外一種情況,即由LDO供電的器件在正常工作期間可滿足負載要求,而在待機狀態下則不行。這些都是需要注意的潛在缺陷,因此請務必仔細閱讀LDO數據手冊。如果有最小負載電流要求,通常會以某種形式體現出來。下面是幾個示例:

圖1:數據手冊中的最小負載電流實例。

圖2:左邊線路圖:采用舊器件的穩壓器正常工作(滿足最小負載電流要求);右邊線路圖:采用新器件的穩壓器不穩定(負載電流不足)。
現在回到我們的故事——一旦了解了問題產生的根本原因,修復就相當簡單。我們要做的就是在調節器輸出端加一個泄放電阻,以消耗最小負載電流。雖然不理智的客戶很容易將問題簡單地歸咎于我們的器件,但本例中的客戶看到了積極的一面,很高興能從這一案例中學到新技術。

圖3:增加一個泄放電阻滿足最小負載電流要求后,問題解決了。
有如童話中的完美結局,雖然歷經挫折,但最終每個人都過上了幸??鞓返纳?。
本文轉載自電子技術設計,作者:Abhinay Patil,ADI公司。
推薦閱讀:




